| № | Наименование | Примечание | Кол-во |
|---|---|---|---|
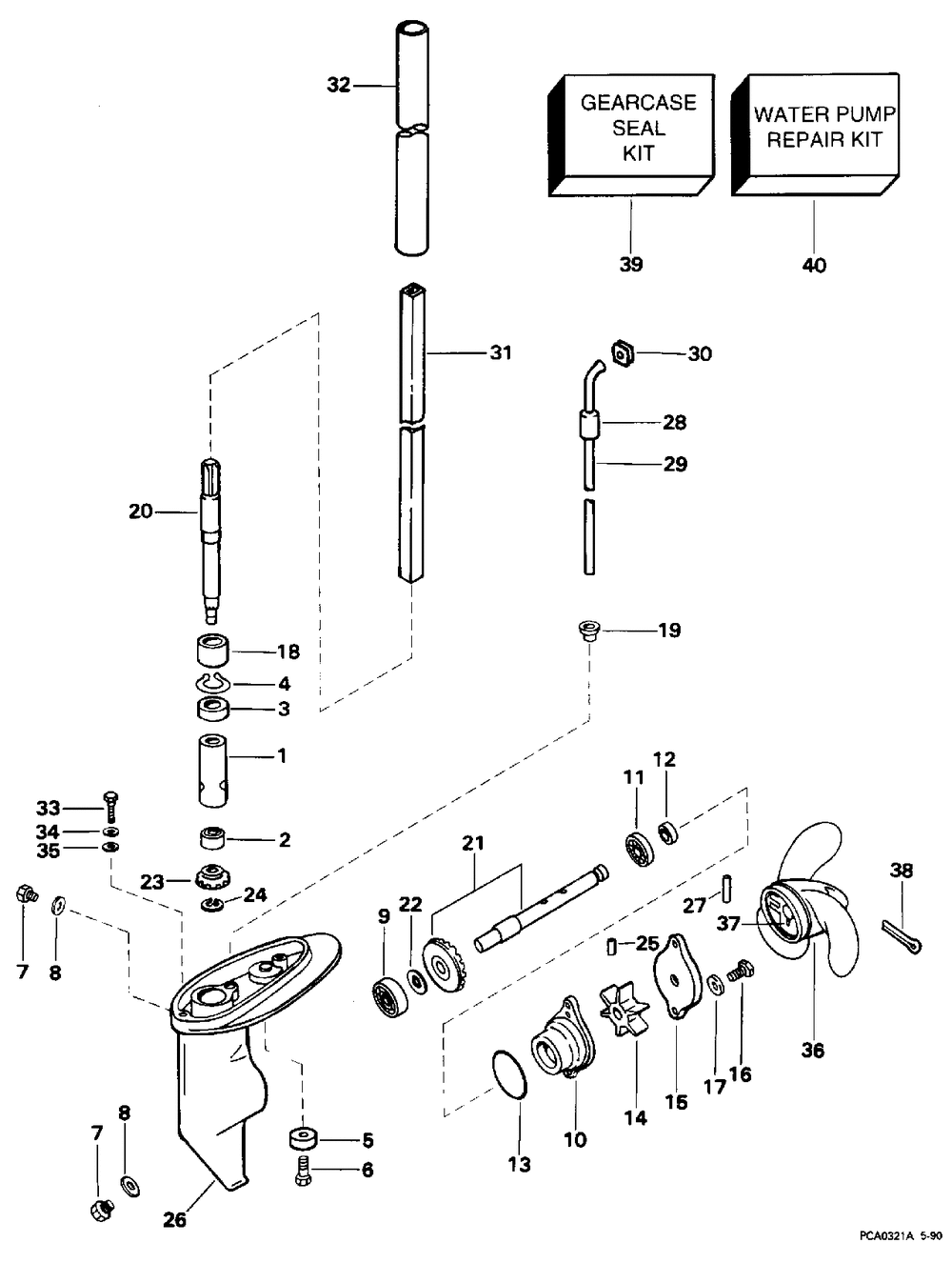
| 1 | SPACER | 1 | |
| 2 | Детать | 1 | |
| 3 | BEARING-D-SHAFT | 1 | |
| 4 | RETAINER | 1 | |
| 5 | ANODE G-CASE | 1 | |
| 6 | SCREW-ANODE | 1 | |
| 7 | FILL & DRAIN PLUG | 2 | |
| 8 | WASHER | 2 | |
| 9 | BEARING-F-GEAR | 1 | |
| 10 | G'CASE HEAD & BRG | 1 | |
| 12 | (Contents of Gearcase Seal Kit.) | 1 | |
| 13 | (Contents of Gearcase Seal Kit.) | 1 | |
| 14 | IMPELLER AY (Contents of Water Pump Repair Kit.) | 1 | |
| 15 | Детать | 1 | |
| 16 | SCREW | 2 | |
| 17 | Детать | 2 | |
| 18 | (Contents of Gearcase Seal Kit.) | 1 | |
| 19 | (Contents of Water Pump Repair Kit.) | 1 | |
| 20 | DRIVE SHAFT | 1 | |
| 21 | GEAR & PROP SHAFT | 1 | |
| 22 | WASHER | 1 | |
| 23 | PINION GEAR 2-3.3 | 1 | |
| 24 | E-RING | 1 | |
| 25 | DRIVE PIN | 1 | |
| 26 | Детать | 1 | |
| 27 | DRIVE PIN 5 PK | 1 | |
| 28 | (RL Models.) | 1 | |
| 29 | Детать | 1 | |
| 30 | (RL Models.) | 1 | |
| 31 | Детать | 1 | |
| 32 | TUBE-D-SHAFT | 1 | |
| 33 | Детать | 2 | |
| 34 | LOCKWASHER | 2 | |
| 36 | 2RO 2RE Models | 1 | |
| 36 | All 3.3 Models | 1 | |
| 36 | 2RS Models 3RS Models | 1 | |
| 37 | INSERTPROPELLER | 1 | |
| 38 | Детать | 1 | |
| 38 | Детать | 1 | |
| 39 | Детать | 1 | |
| 40 | Детать | 1 | |
| 0114805 | (Not Shown.) | 1 |
