Оригинальные каталоги
Масла и жидкости
Масла моторные
Масла трансмиссионные
Жидкости гидравлические
Жидкости охлаждающие
Жидкости тормозные
Масла гидравлические
Масла для вилок и амортизаторов
Масла компрессорные
Жидкости для стекол
Масла для цепей бензопил
Масла индустриальные
Масла промывочные
Раствор мочевины AdBlue
Автоэлектроника
Видеорегистраторы
Пылесосы автомобильные
FM трансмиттеры
Зарядные устройства
Разветвители, удлинители прикуривателя
Кабели
Вентиляторы автомобильные
Штекер прикуривателя
Датчик парктроника
Камеры заднего вида
Мониторы парковочные
Парктроники
Термометры
Накидки на сиденье с подогревом
Автохолодильники
Антирадары
Диагностический сканер
Аксессуары
Набор автомобилиста
Ароматизаторы
Тросы буксировочные
Канистры
Ремни крепления груза
Стяжки-резинки крепления
Сетки для крепления груза
Скотч
Влажные салфетки
Держатели телефонов, планшетов
Карты памяти
Наушники
Аккумулятор холода
Термосумки и контейнеры
Фонарики
Батарейки
Оплетки на руль
Огнетушители
Салфетки, полотенца, варежки
Инструмент
Домкраты
Компрессоры
Манометры
Насосы
Светильники переносные
Шарнирно-губцевый инструмент
Ударный инструмент
Метчики. Плашки
Заклёпочники
Заклёпки
Измерительный инструмент
Свёрла
Отвёртки
Изолента
Надфили. Напильники
Ножи, ножовки
Щётки
Абразивная бумага
Специнструмент
Ключи
Хомуты
Дрель-шуруповерт
Автохимия
Присадки
Промывки
Очистители
Смазки спрей
Смазки пластичные
Герметики
Средство для рук
Клей
Лакокрасочные материалы
Автошампуни
Полироли
Антифриз для тормозной системы
Масло для пропитки фильтров
Антикоррозионные составы
Прочее
Электрооборудование
Зарядные устройства
Инверторы
Конвертеры
Звуковые сигналы
Провода прикуривания
Предохранители
Противотуманные фары
Дневные ходовые огни
Электрика фаркопа
Шины и диски
Автошины
Грузовые шины
Мотошины
Камеры
Мотокамеры
Лента обода шины
Колпаки
Диски
Одежда и экипировка
Жилеты
Запчасти
Аккумуляторы
Лампы
Щетки стеклоочистителя
Гофры глушителя
Велотовары
Велосипеды
Самокаты
Велокамеры
Искать по VIN или номеру детали
Поиск по штрих-коду
Искать по VIN-номеру
Войти
Авторизация
Логин
Пароль
Напомнить пароль
Запомнить
Войти
Зарегистрироваться
Авторизоваться другим способом
Востановить пароль
Введите ваш email:
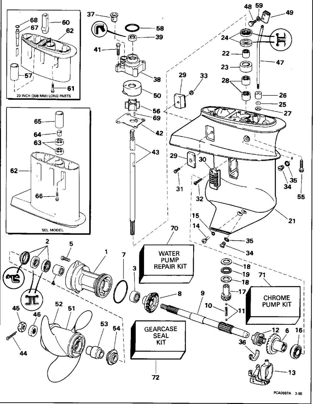
GEARCASE
Корзина пуста
Johnson
J15REOD
J15REOD
GEARCASE
№
Наименование
Примечание
Кол-во
1
HOUSING AYPROPSFT
1
2
SEALOIL
1
2
OIL RET 5 PK Early Production with Double Seal (005 per pack)
2
3
BRG AY-REV GR
1
4
BEARING AY
1
5
SCREW
2
6
GEAR-FORWARD
1
7
O RING 5PK (Contents of Gearcase Seal Kit.) (005 per pack)
1
8
GEAR-REVERSE12:29
1
9
KIT AYPROPSHAFT
1
10
DETENT SPRING
1
11
BALL DETENT (005 per pack)
2
12
SHIFTER 3 LUG
1
13
SHIFT LVR&YOKE AY
1
14
PIVOT PIN & WASHER
1
15
WASHER 5PK (005 per pack)
1
16
ROLLER BRG AY
1
17
GEARPINION(12:29)
1
18
WASHERTHRUST
2
19
THRUST BRG AY-PIN
1
21
Детать
1
22
BEARING AY
1
23
SLEEVE
1
24
OIL SEAL (Contents of Gearcase Seal Kit.)
2
25
O RING Contents of Gearcase Seal Kit (005 per pack)
1
26
BUSHING J 2PK (002 per pack)
1
27
WASHER Contents of Gearcase Seal Kit
1
28
BEARING AY
2
29
ANODE
2
30
SCREEN
2
31
SCREW
1
32
SCREW (005 per pack)
2
33
NUT
1
34
DRAIN FILL PLG 10P (010 per pack)
2
35
WASHER-10 PK (010 per pack)
1
36
CRADLE-CLUTCH DOG
1
37
GROMMET (Contents of Water Pump Repair Kit.)
1
37
GROMMET (005 per pack)
1
38
HSG&SEAL AYIMPLR (Contents of Water Pump Repair Kit.)
1
39
SEAL (Contents of Gearcase Seal Kit. Contents of Water Pump Repair Kit.)
1
41
SCREW (005 per pack)
4
42
PLATE-IMP HSG (Contents of Water Pump Repair Kit.)
1
42
PLATE-IMP HSG (Contents of Chrome Pump Kit.)
1
43
SEL MODELS ONLY
1
43
DRIVESHAFT20" (8RL Models.)
1
43
DRIVESHAFT15"
1
44
COTTER PIN 5PK (005 per pack)
1
45
PROP NUT
1
46
THRUST WASHER-PROP
1
47
SHIFT RODLWR 20"
1
47
SHIFT ROD-LWR
1
47
SHIFT RODLWR-SEL SEL MODELS ONLY
1
48
SCREW (005 per pack)
2
49
CONNECTORSHFT ROD
1
50
CUP-IMPELLER HSG (Contents of Water Pump Repair Kit.)
1
50
CUP-IMP HSG-CHROME (Contents of Chrome Pump Kit.)
1
51
PROPAL 9.25 X 7 Refer to OMC Genuine Parts Propeller Chart
1
51
Refer to OMC SysteMatched Parts & Accessories Catalog for Propeller Chart.
1
51
PROPAL 9.25X10 (Refer to Genuine Parts Propeller Chart.)
1
52
CONVERGING RING
1
53
Детать
1
54
THRUST BUSHING
1
55
SCREW
6
56
IMPELLER AY (Contents of Water Pump Repair Kit.)
1
57
EXTENSION
1
58
SEAL-IMP HSG 5PK (Contents of Gearcase Seal Kit. Contents of Water Pump Repair Kit.) (005 per pack)
1
59
LOCKWASHER
2
60
EXHAUST SEAL (8RL Models.)
1
62
10TEX TVX MODELS
1
62
G-CASE EXTENSION (RL RVL EL EVL Models.)
1
63
SLEEVE 10TEX TVX MODELS
2
64
10TEX TVX MODELS
1
67
EXTENSION WTR TUBE (RL Models.)
1
67
Детать
1
68
O-RING (005 per pack)
1
69
DOWEL (Contents of Water Pump Repair Kit. RL RVL EL EVL Models.)
1
70
WATER PUMP KIT
1
71
WATER PUMP KIT
1
72
SEAL KIT-G-CASE
1
0434135
(Not Shown. 15WRL 20-Inch (508mm) Models.)
1
0435712
Not Shown
1