Оригинальные каталоги
Масла и жидкости
Масла моторные
Масла трансмиссионные
Жидкости гидравлические
Жидкости охлаждающие
Жидкости тормозные
Масла гидравлические
Масла для вилок и амортизаторов
Масла компрессорные
Жидкости для стекол
Масла для цепей бензопил
Масла индустриальные
Масла промывочные
Раствор мочевины AdBlue
Автоэлектроника
Видеорегистраторы
Пылесосы автомобильные
FM трансмиттеры
Зарядные устройства
Разветвители, удлинители прикуривателя
Кабели
Вентиляторы автомобильные
Штекер прикуривателя
Датчик парктроника
Камеры заднего вида
Мониторы парковочные
Парктроники
Термометры
Накидки на сиденье с подогревом
Автохолодильники
Антирадары
Диагностический сканер
Аксессуары
Набор автомобилиста
Ароматизаторы
Тросы буксировочные
Канистры
Ремни крепления груза
Стяжки-резинки крепления
Сетки для крепления груза
Скотч
Влажные салфетки
Держатели телефонов, планшетов
Карты памяти
Наушники
Аккумулятор холода
Термосумки и контейнеры
Фонарики
Батарейки
Оплетки на руль
Огнетушители
Салфетки, полотенца, варежки
Инструмент
Домкраты
Компрессоры
Манометры
Насосы
Светильники переносные
Шарнирно-губцевый инструмент
Ударный инструмент
Метчики. Плашки
Заклёпочники
Заклёпки
Измерительный инструмент
Свёрла
Отвёртки
Изолента
Надфили. Напильники
Ножи, ножовки
Щётки
Абразивная бумага
Специнструмент
Ключи
Хомуты
Дрель-шуруповерт
Автохимия
Присадки
Промывки
Очистители
Смазки спрей
Смазки пластичные
Герметики
Средство для рук
Клей
Лакокрасочные материалы
Автошампуни
Полироли
Антифриз для тормозной системы
Масло для пропитки фильтров
Антикоррозионные составы
Прочее
Электрооборудование
Зарядные устройства
Инверторы
Конвертеры
Звуковые сигналы
Провода прикуривания
Предохранители
Противотуманные фары
Дневные ходовые огни
Электрика фаркопа
Шины и диски
Автошины
Грузовые шины
Мотошины
Камеры
Мотокамеры
Лента обода шины
Колпаки
Диски
Одежда и экипировка
Жилеты
Запчасти
Аккумуляторы
Лампы
Щетки стеклоочистителя
Гофры глушителя
Велотовары
Велосипеды
Самокаты
Велокамеры
Искать по VIN или номеру детали
Поиск по штрих-коду
Искать по VIN-номеру
Войти
Авторизация
Логин
Пароль
Напомнить пароль
Запомнить
Войти
Зарегистрироваться
Авторизоваться другим способом
Востановить пароль
Введите ваш email:
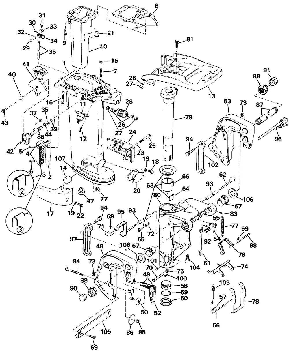
MIDSECTION
Корзина пуста
Johnson
J25RLETS
J25RLETS
MIDSECTION
№
Наименование
Примечание
Кол-во
1
HSG AYEXH-STD (25WR.)
1
2
KIT AYCOV&GASKET
1
3
KIT AYCOV&GASKET
1
3
EXH RELIEF CVR Early Production with Squared Corners 334519 Stamped Inside
1
4
WASHER
3
5
SCREW
2
6
SCREW
1
7
STUD
2
8
GASKET
1
9
SCREW
6
10
TUBEEXHAUST-INNER
1
11
RUBBER MOUNT
2
11
RUBBER MOUNT 25R 30R .
2
12
SCREW
4
13
BRACKETSTEERING
1
14
RUBBER MOUNT
2
14
RUBBER MOUNT 25R 30R .
2
15
NUT
2
16
SCREW-EXH HSG
4
17
HSG-LWR MT-STBD
1
18
SCREW
2
19
WASHER
4
20
RUBBR MOUNTLOWER
1
21
GROMMET (005 per pack)
1
23
WASHER
2
24
HSG-LWR MT-PORT
1
25
SCREW
2
26
WASHER
4
27
NUT
6
28
RUBBER MOUNT
1
29
PIN
1
30
COTTER PIN 10PK (010 per pack)
1
31
SCREW
1
32
BOW WASHER
1
33
CLIP
1
34
LEVER SHIFT ROD
1
35
WASHER
2
36
SHIFT ROD-STD
1
36
SHIFT ROD-LNG
1
37
NUT
2
38
ADJ LEVER & SHAFT
1
39
O-RING Included in "FUEL PUMP REPAIR KIT"
2
40
WASHER Negative battery stud to center frame
2
41
CAMACTUATOR
1
42
FITTING LUBE
1
43
SCREW
2
44
RETAINER
1
47
BUMPER
1
48
STERN BRKTSTBD
1
49
KIT AYCLAMPSCREW Aluminum
2
49
C-SCREW KIT SST Stainless optional accessory
2
50
PLATESWIVEL
1
51
SCREW-CLMPSCRW (005 per pack)
1
52
KITHANDLE&RIVET
2
53
STERN BRKTPORT
1
54
SCREW-BELLCRK
1
55
FF BELLCRANK
1
56
PIN
1
57
CLIP 10PK (010 per pack)
1
58
BUSHING
1
59
O RING Included in Powerhead Gasket & Seal Kit
1
60
WASHER
1
61
RODREV LOCK RLSE
1
62
CAM&SHAFT-TILT LK
1
63
Детать
1
64
FRICTION BLOCK
1
65
SCREW STRG ADJ
1
66
Детать
1
67
BUSHING SWIV BRKT
2
68
SCREW
1
69
SCREW-TIE BAR
2
70
PIN
2
71
KNOB
1
72
SPRINGSTEER FRICT DT models
1
73
NUT
2
74
LINK-REVERSE LOCK
1
75
WASHER
2
76
LOCKING LEVER
1
77
SPRING LOCK
2
78
LINK
1
79
PILOT SHAFT
1
80
SWIVEL BRKT
1
81
SCREW Contents of GEARCASE SEAL KIT
4
84
SCREW
1
85
NUT
1
86
WASHER SB
2
87
TUBE TILT SST
1
88
NUTLOCK
2
90
CAPSTEER-TUBE
1
91
NUTWIPER
1
92
FF SPRING TILT LK
1
93
FF BUSHING TILT LK
2
94
FF PIN TILT LOCK
2
95
LVR&SHAFT AY
1
96
PIN AYTILT 9.8"
1
97
LOCK AYTILT-STBD
1
98
PIN
1
102
LOCK AYTILT-PORT
1
103
FF SPRING
1
104
SPRING
1
105
BARTIESTERN BRKT
1
106
FF WASHER
2
107
Детать
1
107
Детать
1
0432294
SCREW & NUT AY Not Shown
2