Оригинальные каталоги
Масла и жидкости
Масла моторные
Масла трансмиссионные
Жидкости гидравлические
Жидкости охлаждающие
Жидкости тормозные
Масла гидравлические
Масла для вилок и амортизаторов
Масла компрессорные
Жидкости для стекол
Масла для цепей бензопил
Масла индустриальные
Масла промывочные
Раствор мочевины AdBlue
Автоэлектроника
Видеорегистраторы
Пылесосы автомобильные
FM трансмиттеры
Зарядные устройства
Разветвители, удлинители прикуривателя
Кабели
Вентиляторы автомобильные
Штекер прикуривателя
Датчик парктроника
Камеры заднего вида
Мониторы парковочные
Парктроники
Термометры
Накидки на сиденье с подогревом
Автохолодильники
Антирадары
Диагностический сканер
Аксессуары
Набор автомобилиста
Ароматизаторы
Тросы буксировочные
Канистры
Ремни крепления груза
Стяжки-резинки крепления
Сетки для крепления груза
Скотч
Влажные салфетки
Держатели телефонов, планшетов
Карты памяти
Наушники
Аккумулятор холода
Термосумки и контейнеры
Фонарики
Батарейки
Оплетки на руль
Огнетушители
Салфетки, полотенца, варежки
Инструмент
Домкраты
Компрессоры
Манометры
Насосы
Светильники переносные
Шарнирно-губцевый инструмент
Ударный инструмент
Метчики. Плашки
Заклёпочники
Заклёпки
Измерительный инструмент
Свёрла
Отвёртки
Изолента
Надфили. Напильники
Ножи, ножовки
Щётки
Абразивная бумага
Специнструмент
Ключи
Хомуты
Дрель-шуруповерт
Автохимия
Присадки
Промывки
Очистители
Смазки спрей
Смазки пластичные
Герметики
Средство для рук
Клей
Лакокрасочные материалы
Автошампуни
Полироли
Антифриз для тормозной системы
Масло для пропитки фильтров
Антикоррозионные составы
Прочее
Электрооборудование
Зарядные устройства
Инверторы
Конвертеры
Звуковые сигналы
Провода прикуривания
Предохранители
Противотуманные фары
Дневные ходовые огни
Электрика фаркопа
Шины и диски
Автошины
Грузовые шины
Мотошины
Камеры
Мотокамеры
Лента обода шины
Колпаки
Диски
Одежда и экипировка
Жилеты
Запчасти
Аккумуляторы
Лампы
Щетки стеклоочистителя
Гофры глушителя
Велотовары
Велосипеды
Самокаты
Велокамеры
Искать по VIN или номеру детали
Поиск по штрих-коду
Искать по VIN-номеру
Войти
Авторизация
Логин
Пароль
Напомнить пароль
Запомнить
Войти
Зарегистрироваться
Авторизоваться другим способом
Востановить пароль
Введите ваш email:
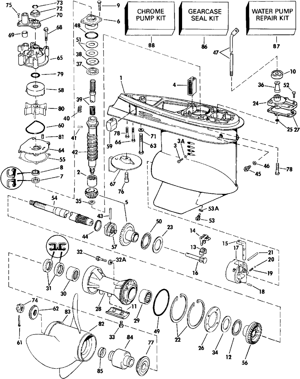
GEARCASE - 120TL & TX / 140 TL
Корзина пуста
Johnson
J120TLEIE
J120TLEIE
GEARCASE - 120TL & TX / 140 TL
№
Наименование
Примечание
Кол-во
1
Детать
1
2
NDLE BRGBH-1820
1
3
RETAINING SCREW
1
3A
WASHER 5PK (005 per pack)
1
4
SCREEN-WTR INTAKE
1
5
V4 GEARSET 13:26
1
6
DS BRG HSG&SEAL AY
1
7
OIL RETAINER Contents of GEARCASE SEAL KIT
1
8
OIL RETAINER Contents of GEARCASE SEAL KIT
1
9
SCREW Contents of GEARCASE SEAL KIT
4
10
GROMMET EXH HSG
1
11
ANODE & INSERT AY
1
12
BEARING AYTHRUST
1
13
CRADLE-SHIFT
1
14
SHIFTER LEVER
1
15
DETENT
1
16
SHAFT-SHIFTER
1
17
BRG HGSPIN&SPRING
1
18
PIN
1
19
SPRING
1
20
BALL DETENT
1
21
PIN
1
22
RING
2
23
THRUST WASHER
1
24
COVER AYSHIFT ROD
1
25
O-RING (005 per pack)
1
26
PLATE
1
27
GASKET (Contents of GEARCASE SEAL KIT.) (005 per pack)
1
28
Детать
1
29
NEEDLE BRG
1
30
NEEDLE BRG AY
1
31
SEAL DRL 5-PK Contents of Gearcase Seal Kit (005 per pack)
2
32
SCREW (005 per pack)
4
32A
WASHER DLR 5-PK (005 per pack)
1
33
SCREW
2
34
THRUST WASHER
1
35
NUT PINION
1
36
SPACER-SHIFT ROD 25 30 in. Models
1
37
THRUST BRG AY
1
38
THRUST WASHER
1
39
KITUPPER D/S-20" 20 in. (508mm) Transom Models
1
39
KIT UPPR D/S 25" 25 in. (635mm) Transom Models
1
40
SPRING
1
41
PINROLL
1
42
DRIVESHAFTLOWER
1
43
PIN
1
44
SPRING
1
45
DRAIN SCREW Contents of GEARCASE SEAL KIT
1
46
O-RING (010 per pack)
1
47
20 in. (508mm) Transom Models
1
47
25 in. (635mm) Transom Models
1
48
O-RING (Contents of GEARCASE SEAL KIT.)
1
49
O-RING Contents of Gearcase Seal Kit (010 per pack)
1
50
THRUST BRG AY
1
51
SHIM-PINION-003
0
51
SHIM-PINION-004
0
51
SHIM 005
0
52
SCREW (005 per pack)
6
54
SHAFT AYPROPELLER
1
55
GASKETWTR PMP 5PK Also included in Water Pump Repair Kit 395062 Also included in Water Pump Repair Kit 395060 (005 per pack)
1
56
GEARREVERSE V4
1
57
SHIFTER-CLUTCH DOG
1
58
CUP & PLATE AY Also included in Water Pump Repair Kit Stainless Steel
1
58
CUP & PLATE AY Chrome Plated
1
59
ANODE&INSERT AY
1
60
SEAL
1
61
COTTER PIN (010 per pack)
1
62
SPACER (005 per pack)
1
63
SCREW
1
64
CUP & PLATE AY Also included in Water Pump Repair Kit Stainless Steel
1
64
CUP & PLATE AY Chrome Plated
1
65
HOUSING AYPUMP Also included in Water Pump Repair Kit
1
66
SCREW ANODE
1
67
TABTRIM-STD
1
68
SCREW
4
69
GROMMET 3.3 L models
1
70
COVERIMPELLER HSG
1
71
LOCKWASHER 4PK (004 per pack)
1
72
GROMMET
1
73
O RING
1
74
PROP NUT
1
75
SCREW
2
76
SCREW
1
77
BUSHINGTHRUST
1
78
SCREW
5
79
Детать
1
80
KIT AYIMPELLER Also included in Water Pump Repair Kit
1
81
IMP KEY-WHITE
1
82
PROPAL/13.88X11RH Triple cup
1
82
SSP V4 13.75X13 Swept Blade
1
82
RAKER V-4 13.5X18 Double Cup
1
82
RAKER V-4 13.5X20 Double Cup
1
82
Double Cup
1
82
RAKER V-4 13.5X24 Double Cup
1
82
Детать
1
82
PROP AYAL 13.5X15 (Refer to Genuine Parts Propeller Chart.)
1
82
PROP AL14 X 9
1
82
PROPAL 14 X 11
1
82
PROPAL 13.75X13
1
82
PROPAL 13.25X17
1
82
PROP AYAL 13.2X19
1
82
PROP AYAL 13.2X21
1
82
VIPERV4 13.875X17
1
82
VIPERV4 13.875X19
1
82
Детать
1
82
Детать
1
82
VIPER V413.875X15
1
83
CONVERGING RINGV4
1
84
Детать
1
85
SLEEVE
1
86
KIT AYSEAL-GC
1
87
KIT AYWATER PUMP
1
87
KIT AYWATER PUMP
1
88
CUP & PLATE AY
1
0434010
KIT AY2PC D/SHAFT 20 in. (508mm) Transom Models
1
0434011
KIT AYD-SHAFT 2PC 25 in. (635mm) Transom Models
1