Оригинальные каталоги
Масла и жидкости
Масла моторные
Масла трансмиссионные
Жидкости гидравлические
Жидкости охлаждающие
Жидкости тормозные
Масла гидравлические
Масла для вилок и амортизаторов
Масла компрессорные
Жидкости для стекол
Масла для цепей бензопил
Масла индустриальные
Масла промывочные
Раствор мочевины AdBlue
Автоэлектроника
Видеорегистраторы
Пылесосы автомобильные
FM трансмиттеры
Зарядные устройства
Разветвители, удлинители прикуривателя
Кабели
Вентиляторы автомобильные
Штекер прикуривателя
Датчик парктроника
Камеры заднего вида
Мониторы парковочные
Парктроники
Термометры
Накидки на сиденье с подогревом
Автохолодильники
Антирадары
Диагностический сканер
Аксессуары
Набор автомобилиста
Ароматизаторы
Тросы буксировочные
Канистры
Ремни крепления груза
Стяжки-резинки крепления
Сетки для крепления груза
Скотч
Влажные салфетки
Держатели телефонов, планшетов
Карты памяти
Наушники
Аккумулятор холода
Термосумки и контейнеры
Фонарики
Батарейки
Оплетки на руль
Огнетушители
Салфетки, полотенца, варежки
Инструмент
Домкраты
Компрессоры
Манометры
Насосы
Светильники переносные
Шарнирно-губцевый инструмент
Ударный инструмент
Метчики. Плашки
Заклёпочники
Заклёпки
Измерительный инструмент
Свёрла
Отвёртки
Изолента
Надфили. Напильники
Ножи, ножовки
Щётки
Абразивная бумага
Специнструмент
Ключи
Хомуты
Дрель-шуруповерт
Автохимия
Присадки
Промывки
Очистители
Смазки спрей
Смазки пластичные
Герметики
Средство для рук
Клей
Лакокрасочные материалы
Автошампуни
Полироли
Антифриз для тормозной системы
Масло для пропитки фильтров
Антикоррозионные составы
Прочее
Электрооборудование
Зарядные устройства
Инверторы
Конвертеры
Звуковые сигналы
Провода прикуривания
Предохранители
Противотуманные фары
Дневные ходовые огни
Электрика фаркопа
Шины и диски
Автошины
Грузовые шины
Мотошины
Камеры
Мотокамеры
Лента обода шины
Колпаки
Диски
Одежда и экипировка
Жилеты
Запчасти
Аккумуляторы
Лампы
Щетки стеклоочистителя
Гофры глушителя
Велотовары
Велосипеды
Самокаты
Велокамеры
Искать по VIN или номеру детали
Поиск по штрих-коду
Искать по VIN-номеру
Войти
Авторизация
Логин
Пароль
Напомнить пароль
Запомнить
Войти
Зарегистрироваться
Авторизоваться другим способом
Востановить пароль
Введите ваш email:
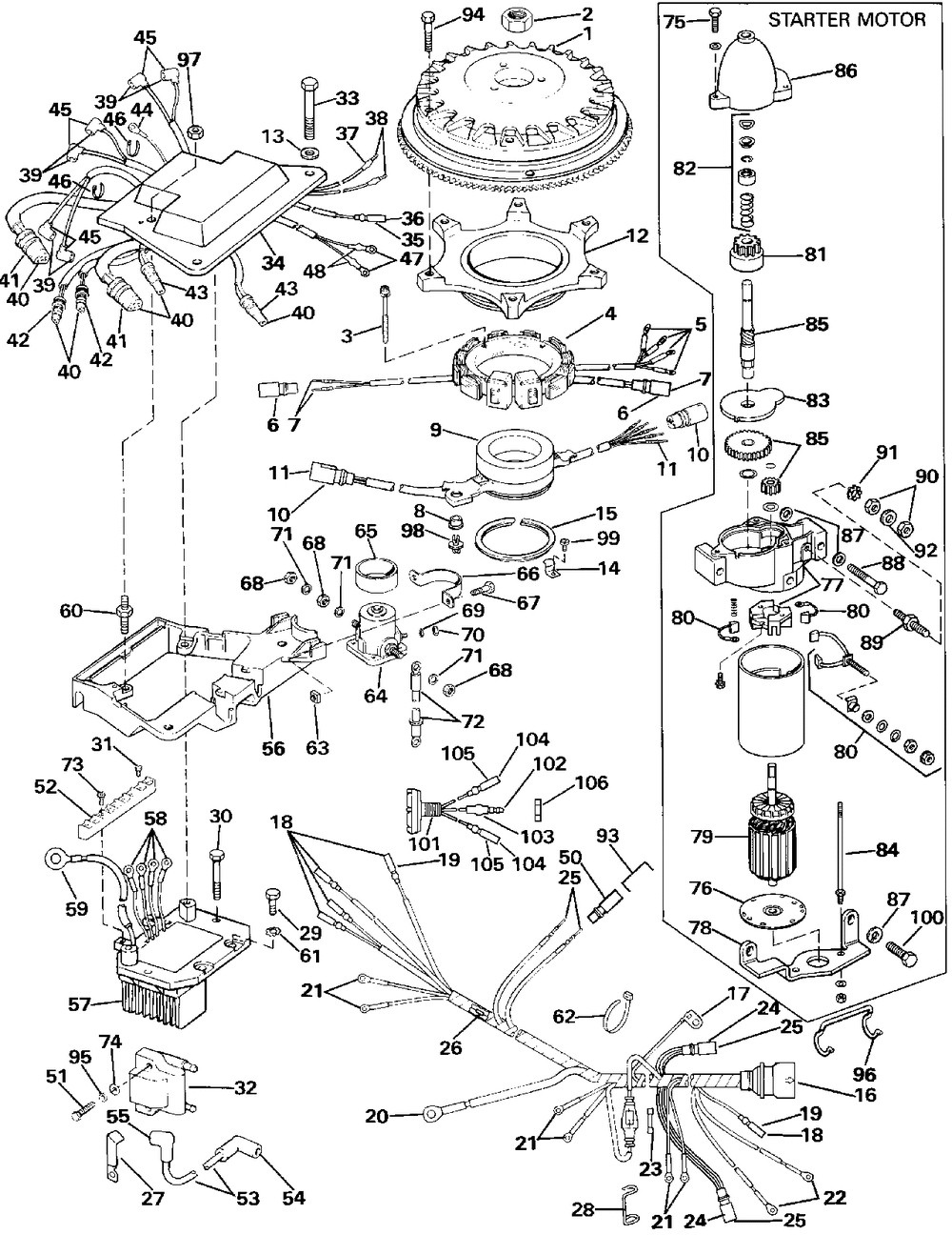
IGNITION SYSTEM & STARTER MOTOR
Корзина пуста
Johnson
J225TLASS
J225TLASS
IGNITION SYSTEM & STARTER MOTOR
№
Наименование
Примечание
Кол-во
1
Детать
1
2
NUT
1
3
SCREW
4
4
STATOR AY
1
5
RING TERMINAL
1
6
CONN 2 PIN RCPT (Tiller Electric Models Only.)
2
7
PIN(10)44-100-1414 (010 per pack)
4
8
SOCKET
1
9
TIMER BASE AY
1
10
CONN 4 PIN RCPT
2
12
PULLEY Models With Power Steering
1
13
WASHER Negative battery stud to center frame
1
14
RETAINER
2
15
Детать
1
16
Детать
1
17
RING TERMINAL (005 per pack)
1
18
TERMINAL (005 per pack)
5
19
SLEEVESOCKET BLUE
5
20
RING TERMINAL 0.312 in. (7.9mm) diameter
1
22
TERM. 40724 (005 per pack)
2
23
FUSE-20AMP/10 PACK (010 per pack)
1
24
CONNECTOR 3-PIN
1
26
DIODE KIT
1
27
RETAINER
4
28
RETAINER
1
29
SCREW
2
30
SCREW
4
31
SCREW
6
32
IGNITION COIL
6
33
SCREW (Contents of Water Pump Repair Kit.)
1
34
KIT AYCD6AL67 PP
1
37
SLEEVEBULLET TERM
2
38
TERM. 521616-ADZ (010 per pack)
2
39
PIN 481817-AE44 (010 per pack)
6
40
TERMSCKT (010 per pack)
14
41
CONNECTOR
2
42
CONNECTOR PLUG
2
43
CONN1 SKT PLUG
2
44
TERM. 61867-2 0.250 in. (6.3 mm) diameter
1
45
COVER IGN COIL
6
46
TIE STRAP 100PK (100 per pack)
8
48
SLEEVE
2
50
CONN1 PIN RCPT
2
51
SCREW
12
52
TRML BLCK W/O STUD
1
53
SP PLUG LEAD AY
7
54
SP PLUG BOOT 10PK (010 per pack)
1
55
COIL BOOT 10 PK (010 per pack)
1
56
BRACKET AYELEC
1
57
RECT/REG 35 AMP
1
59
RING TERMINAL
1
60
BOLT
2
61
LOCKWASHER (005 per pack)
2
62
TIE STRAP 100PK (100 per pack)
0
63
NUT
2
64
SOLENOID AYSTART
1
65
SLEEVE
1
66
CLAMP
1
67
SCREW (005 per pack)
2
68
NUT
3
69
LOCKWASHER
2
70
NUT.190X32 BRASS
2
71
LOCKWASHER
1
71
LOCKWASHER
1
72
LEAD SOL-STARTER
1
73
SCREW
2
76
Детать
1
77
CAP-DRIVE & COM.
1
78
BRACKET
1
79
Детать
1
80
BRUSH&SPR SET AY
1
81
KIT AYDRIVE GEAR
1
82
DRIVE KIT
1
84
Детать
1
85
KIT AYDRIVE GEAR
1
86
HOUSING AY-DRIVE
1
87
WASHER
4
88
SCREW
2
89
Детать
1
90
NUT
2
92
LOCKWASHER 5 PK (005 per pack)
1
93
RETAINER
2
94
SCREW
6
96
CLAMP
1
98
PIVOT BUSHING
2
99
SCREW
2
100
SCREW
2
101
SWITCH AYTNT
1
106
NUT
1
0396235
MOTOR AYSTARTER Not Shown
1