Оригинальные каталоги
Масла и жидкости
Масла моторные
Масла трансмиссионные
Жидкости гидравлические
Жидкости охлаждающие
Жидкости тормозные
Масла гидравлические
Масла для вилок и амортизаторов
Масла компрессорные
Жидкости для стекол
Масла для цепей бензопил
Масла индустриальные
Масла промывочные
Раствор мочевины AdBlue
Автоэлектроника
Видеорегистраторы
Пылесосы автомобильные
FM трансмиттеры
Зарядные устройства
Разветвители, удлинители прикуривателя
Кабели
Вентиляторы автомобильные
Штекер прикуривателя
Датчик парктроника
Камеры заднего вида
Мониторы парковочные
Парктроники
Термометры
Накидки на сиденье с подогревом
Автохолодильники
Антирадары
Диагностический сканер
Аксессуары
Набор автомобилиста
Ароматизаторы
Тросы буксировочные
Канистры
Ремни крепления груза
Стяжки-резинки крепления
Сетки для крепления груза
Скотч
Влажные салфетки
Держатели телефонов, планшетов
Карты памяти
Наушники
Аккумулятор холода
Термосумки и контейнеры
Фонарики
Батарейки
Оплетки на руль
Огнетушители
Салфетки, полотенца, варежки
Инструмент
Домкраты
Компрессоры
Манометры
Насосы
Светильники переносные
Шарнирно-губцевый инструмент
Ударный инструмент
Метчики. Плашки
Заклёпочники
Заклёпки
Измерительный инструмент
Свёрла
Отвёртки
Изолента
Надфили. Напильники
Ножи, ножовки
Щётки
Абразивная бумага
Специнструмент
Ключи
Хомуты
Дрель-шуруповерт
Автохимия
Присадки
Промывки
Очистители
Смазки спрей
Смазки пластичные
Герметики
Средство для рук
Клей
Лакокрасочные материалы
Автошампуни
Полироли
Антифриз для тормозной системы
Масло для пропитки фильтров
Антикоррозионные составы
Прочее
Электрооборудование
Зарядные устройства
Инверторы
Конвертеры
Звуковые сигналы
Провода прикуривания
Предохранители
Противотуманные фары
Дневные ходовые огни
Электрика фаркопа
Шины и диски
Автошины
Грузовые шины
Мотошины
Камеры
Мотокамеры
Лента обода шины
Колпаки
Диски
Одежда и экипировка
Жилеты
Запчасти
Аккумуляторы
Лампы
Щетки стеклоочистителя
Гофры глушителя
Велотовары
Велосипеды
Самокаты
Велокамеры
Искать по VIN или номеру детали
Поиск по штрих-коду
Искать по VIN-номеру
Войти
Авторизация
Логин
Пароль
Напомнить пароль
Запомнить
Войти
Зарегистрироваться
Авторизоваться другим способом
Востановить пароль
Введите ваш email:
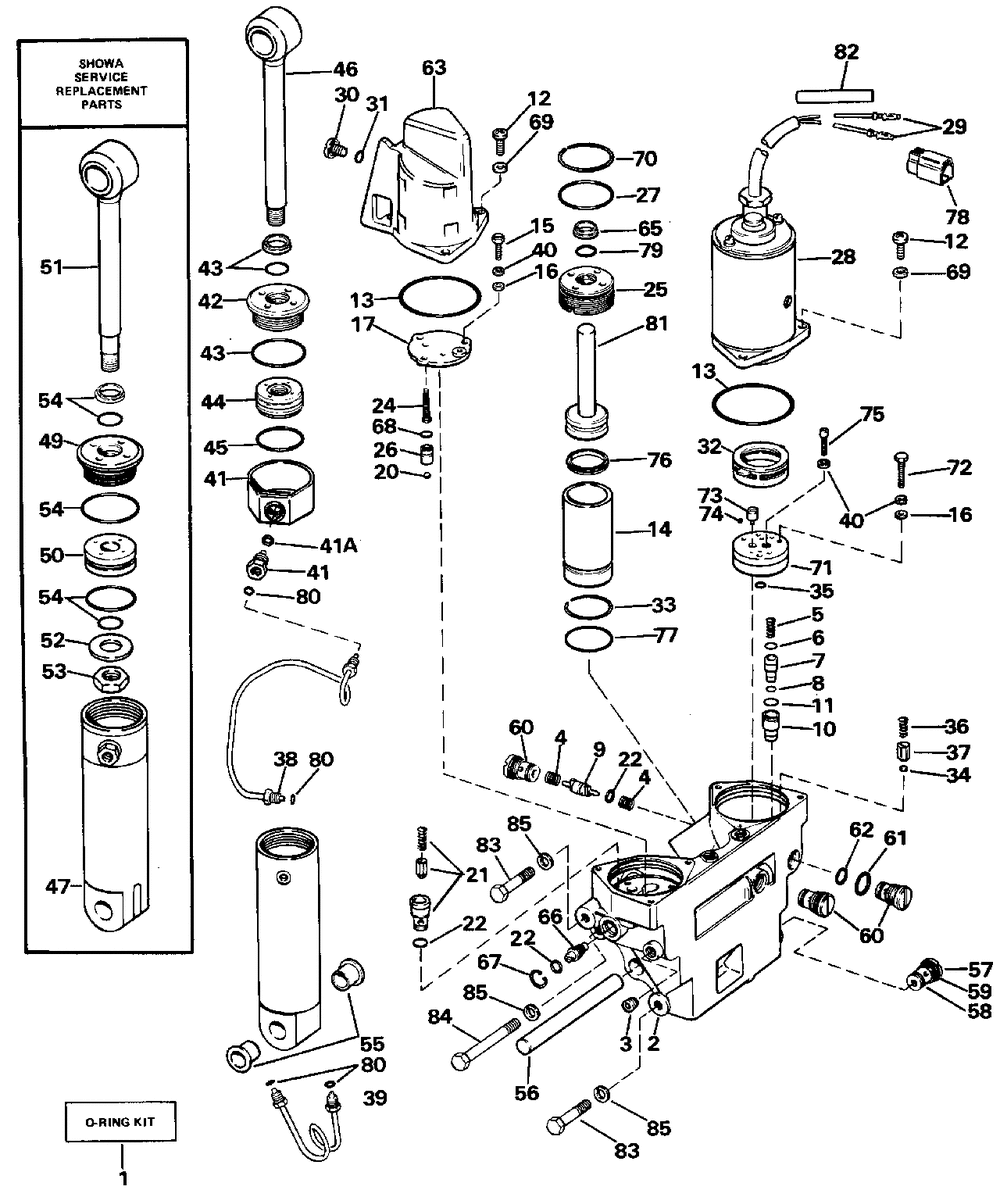
POWER TRIM / TILT HYDRAULIC ASSEMBLY
Корзина пуста
Johnson
J150TLCCA
J150TLCCA
POWER TRIM / TILT HYDRAULIC ASSEMBLY
№
Наименование
Примечание
Кол-во
1
KIT O-RING TNT Includes All O-rings Required for Service of Complete Hydraulic Assy. (Does notInclude Tilt Cylinder O-rings)
1
2
MANIFOLD T&T
1
3
PLUG LARGE MANIFD
1
4
SPRING
2
5
SPRING
1
6
O-RING
1
7
VALVE CORE
1
8
O-RING
1
9
PISTON T&T
1
10
SEAT&O-RING
1
11
O-RING
1
12
SCREW
6
13
O RING 5PK (005 per pack)
2
14
SLEEVE
2
15
Детать
3
16
WASHER
4
17
Детать
1
20
BALL
1
21
RLF VALVETILT UP
1
22
O-RING (005 per pack)
3
24
Детать
1
25
END CAPTRIM CY
2
26
VALVE SEAT
1
27
O-RING (005 per pack)
2
28
T&T MOTOR
1
29
TERMINAL
2
30
PLUG RESERVOIR
1
31
O RING
1
32
FILTER OIL PUMP
1
33
RING
2
34
SEAL-VALVE BODY
1
35
O RING
1
36
Детать
1
37
POPPET
1
38
Детать
1
39
Детать
1
40
LOCKWASHER Stator screw
6
41
Prestolite Tilt Cylinder
1
41A
Prestolite Tilt Cylinder
1
42
END HEAD AY Prestolite Tilt Cylinder
1
43
O-RING PACKAGE Prestolite Tilt Cylinder
1
44
HEAD AYPISTON Prestolite Tilt Cylinder
1
45
O-RING Prestolite Tilt Cylinder
1
46
Prestolite Tilt Cylinder
1
47
Детать
1
49
CAP-O-RING & SEAL
1
50
Детать
1
51
Детать
1
52
WASHER
1
53
HEX NUT
1
54
O-RING KITTILT CY
1
55
BUSHING TILT CY
2
56
PIVOT PIN
1
57
VALVE SEAT&SEAL AY
1
58
O-RING DLR 5PK (005 per pack)
1
59
O-RING (65WRY Model Only.) (005 per pack)
1
60
VALVE SEAT HSG AY
3
63
Детать
1
65
WIPERROD
2
66
VALVEMAN RELEASE
1
67
RET RING MANIFOLD
1
68
ORING
1
69
LOCKWASHER 5 PK (005 per pack)
6
70
RING
2
71
OIL PUMP AY
1
72
Детать
1
73
COUPLINGTNT PUMP
1
74
Детать
1
75
Детать
2
76
SEAL
2
77
O RING
2
78
CONNECTOR
1
79
QUAD RING
2
80
O RING (005 per pack)
4
81
Детать
2
82
Детать
1
83
SCREW
4
84
SCREW
2
85
LOCKWASHER (WRL Models Only. 20 in. (508mm) Models Only.)
6
0387248
Детать
1
0390002
Not Shown
1
0390987
BRUSH&SEAL KIT Not Shown Motor With Part No. PMP4001 Stamped on Bottom 3 in. (76mm) Diameter Motor
1
0392202
Not Shown Motors With Part No. 20478 or 43728 Stamped on Bottom 2.5 in. (64mm) Diameter Motor
1
0398424
Not Shown
1
0398606
Not Shown 3 in. (76mm) Diameter Trim Motor "S" Stamp on End Cap
1
0583522
BRUSH&SEAL AY Not Shown 2.4 in. (61mm) Diameter Trim Motor "S" Stamp On End Cap
1