Оригинальные каталоги
Масла и жидкости
Масла моторные
Масла трансмиссионные
Жидкости гидравлические
Жидкости охлаждающие
Жидкости тормозные
Масла гидравлические
Масла для вилок и амортизаторов
Масла компрессорные
Жидкости для стекол
Масла для цепей бензопил
Масла индустриальные
Масла промывочные
Раствор мочевины AdBlue
Автоэлектроника
Видеорегистраторы
Пылесосы автомобильные
FM трансмиттеры
Зарядные устройства
Разветвители, удлинители прикуривателя
Кабели
Вентиляторы автомобильные
Штекер прикуривателя
Датчик парктроника
Камеры заднего вида
Мониторы парковочные
Парктроники
Термометры
Накидки на сиденье с подогревом
Автохолодильники
Антирадары
Диагностический сканер
Аксессуары
Набор автомобилиста
Ароматизаторы
Тросы буксировочные
Канистры
Ремни крепления груза
Стяжки-резинки крепления
Сетки для крепления груза
Скотч
Влажные салфетки
Держатели телефонов, планшетов
Карты памяти
Наушники
Аккумулятор холода
Термосумки и контейнеры
Фонарики
Батарейки
Оплетки на руль
Огнетушители
Салфетки, полотенца, варежки
Инструмент
Домкраты
Компрессоры
Манометры
Насосы
Светильники переносные
Шарнирно-губцевый инструмент
Ударный инструмент
Метчики. Плашки
Заклёпочники
Заклёпки
Измерительный инструмент
Свёрла
Отвёртки
Изолента
Надфили. Напильники
Ножи, ножовки
Щётки
Абразивная бумага
Специнструмент
Ключи
Хомуты
Дрель-шуруповерт
Автохимия
Присадки
Промывки
Очистители
Смазки спрей
Смазки пластичные
Герметики
Средство для рук
Клей
Лакокрасочные материалы
Автошампуни
Полироли
Антифриз для тормозной системы
Масло для пропитки фильтров
Антикоррозионные составы
Прочее
Электрооборудование
Зарядные устройства
Инверторы
Конвертеры
Звуковые сигналы
Провода прикуривания
Предохранители
Противотуманные фары
Дневные ходовые огни
Электрика фаркопа
Шины и диски
Автошины
Грузовые шины
Мотошины
Камеры
Мотокамеры
Лента обода шины
Колпаки
Диски
Одежда и экипировка
Жилеты
Запчасти
Аккумуляторы
Лампы
Щетки стеклоочистителя
Гофры глушителя
Велотовары
Велосипеды
Самокаты
Велокамеры
Искать по VIN или номеру детали
Поиск по штрих-коду
Искать по VIN-номеру
Войти
Авторизация
Логин
Пароль
Напомнить пароль
Запомнить
Войти
Зарегистрироваться
Авторизоваться другим способом
Востановить пароль
Введите ваш email:
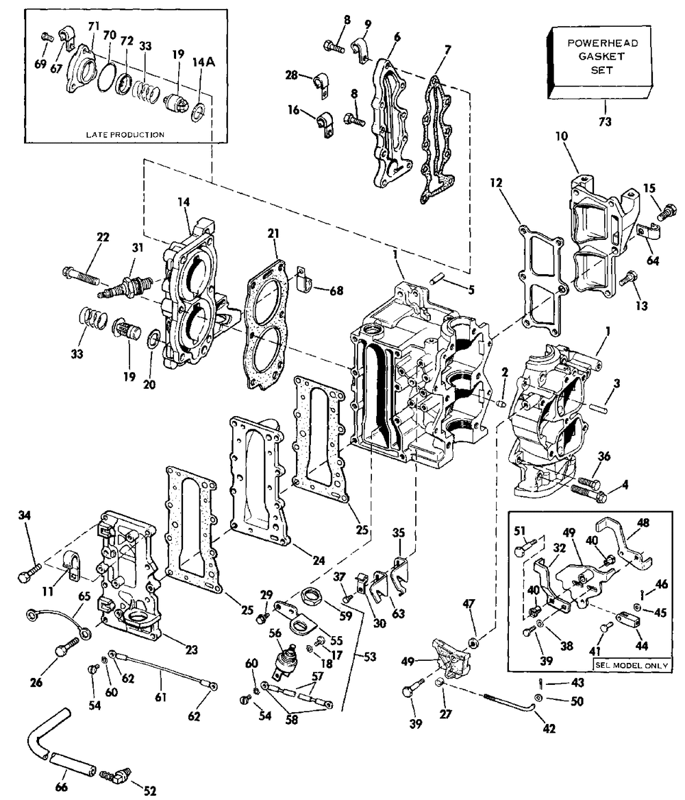
CYLINDER & CRANKCASE
Корзина пуста
Johnson
J15RLCDE
J15RLCDE
CYLINDER & CRANKCASE
№
Наименование
Примечание
Кол-во
1
Детать
1
2
DOWEL
1
3
PIN
1
4
SCREW
6
5
DOWEL PIN
1
6
WATER COVER Early Production
1
7
GASKETWTR CVR @5 Early Production (005 per pack)
1
8
SCREW
9
9
CLAMP
1
10
Electric Start Models Only
1
10
COVERBY-PASS Rope Start Models Only Early Production
1
11
CLAMP
1
12
GASKETBYPASS CVR
1
13
SCREW
5
14
Детать
1
14
Early Production
1
14
Late Production
1
14A
SEAT&THERMOSTAT AY
1
15
SCREW (328333) Electric Start Models Only
1
15
SCREW
1
16
CLAMP 'J'
4
17
SCREW Electric Start Models Only
1
18
LOCKWASHER Electric Start Models Only
1
19
SEAT&THERMOSTAT AY
1
19
THERMOSTAT AY Early Production
1
20
GASKET
1
21
HD GASKET 9.9&15
1
22
SCREW
6
22
SCREW-CYL HEAD
6
23
EXH COVER-OUTER
1
24
Детать
1
25
GASKETEXHAUST CVR
2
26
SCREW 5 INCH LONGER PARTS
8
27
PIVOT NUT Except SEL Models
1
28
CLAMP 'J' 20EC - 20ELC - 25EC - 25ELC
1
29
SCREW
2
30
CLAMP
2
31
S PLUG L77JC4 8PK
2
31
SP PLG QL77JC4 (Optional.) (004 per pack)
2
32
SEL Models Only
1
33
SPRING
1
33
SPRING-THERMOSTAT
1
34
SCREW EXH HSG
2
35
Детать
1
36
SCREW-RET PLATE
4
38
WASHER
2
39
SCREW
1
39
SCREW SEL Models Only
2
40
BUSHING
2
41
PIN SEL Models Only
1
42
Except SEL Models
1
42
SEL Models Only
1
43
COTTER PIN 10PK (010 per pack)
1
44
CLEVIS SEL Models Only
1
45
WASHER
1
47
WASHER
1
48
STOP-SHIFT LOCK SEL Models Only
1
49
LEVER & HUB SEL Models Only
1
49
SHIFT LEVER Except SEL Models
1
51
SCREW
1
52
ELBOW90DEG-5PK 40 HO 60 HP Models (005 per pack)
1
53
Electric Start Models Only
1
54
SCREW Electric Start Models Only
2
55
BRACKET Electric Start Models Only
1
56
SWITCH & SLEEVE AY
1
57
LEADSWTCH-TRM BLK Electric Start Models Only
1
58
TERM.-41124
2
59
Electric Start Models Only
1
61
LEAD AY Electric Start Models Only
1
63
Детать
1
64
CLAMP Electric Start Models Only
1
65
Детать
1
66
HOSE
1
67
CLAMP Electric Start Models Only
1
68
CLAMP 'J'
1
69
SCREW
3
70
O-RING (005 per pack)
1
71
Детать
1
72
ISOLATOR-SPRING
1
73
GASKET SET PWHD
1