Оригинальные каталоги
Масла и жидкости
Масла моторные
Масла трансмиссионные
Жидкости гидравлические
Жидкости охлаждающие
Жидкости тормозные
Масла гидравлические
Масла для вилок и амортизаторов
Масла компрессорные
Жидкости для стекол
Масла для цепей бензопил
Масла индустриальные
Масла промывочные
Раствор мочевины AdBlue
Автоэлектроника
Видеорегистраторы
Пылесосы автомобильные
FM трансмиттеры
Зарядные устройства
Разветвители, удлинители прикуривателя
Кабели
Вентиляторы автомобильные
Штекер прикуривателя
Датчик парктроника
Камеры заднего вида
Мониторы парковочные
Парктроники
Термометры
Накидки на сиденье с подогревом
Автохолодильники
Антирадары
Диагностический сканер
Аксессуары
Набор автомобилиста
Ароматизаторы
Тросы буксировочные
Канистры
Ремни крепления груза
Стяжки-резинки крепления
Сетки для крепления груза
Скотч
Влажные салфетки
Держатели телефонов, планшетов
Карты памяти
Наушники
Аккумулятор холода
Термосумки и контейнеры
Фонарики
Батарейки
Оплетки на руль
Огнетушители
Салфетки, полотенца, варежки
Инструмент
Домкраты
Компрессоры
Манометры
Насосы
Светильники переносные
Шарнирно-губцевый инструмент
Ударный инструмент
Метчики. Плашки
Заклёпочники
Заклёпки
Измерительный инструмент
Свёрла
Отвёртки
Изолента
Надфили. Напильники
Ножи, ножовки
Щётки
Абразивная бумага
Специнструмент
Ключи
Хомуты
Дрель-шуруповерт
Автохимия
Присадки
Промывки
Очистители
Смазки спрей
Смазки пластичные
Герметики
Средство для рук
Клей
Лакокрасочные материалы
Автошампуни
Полироли
Антифриз для тормозной системы
Масло для пропитки фильтров
Антикоррозионные составы
Прочее
Электрооборудование
Зарядные устройства
Инверторы
Конвертеры
Звуковые сигналы
Провода прикуривания
Предохранители
Противотуманные фары
Дневные ходовые огни
Электрика фаркопа
Шины и диски
Автошины
Грузовые шины
Мотошины
Камеры
Мотокамеры
Лента обода шины
Колпаки
Диски
Одежда и экипировка
Жилеты
Запчасти
Аккумуляторы
Лампы
Щетки стеклоочистителя
Гофры глушителя
Велотовары
Велосипеды
Самокаты
Велокамеры
Искать по VIN или номеру детали
Поиск по штрих-коду
Искать по VIN-номеру
Войти
Авторизация
Логин
Пароль
Напомнить пароль
Запомнить
Войти
Зарегистрироваться
Авторизоваться другим способом
Востановить пароль
Введите ваш email:
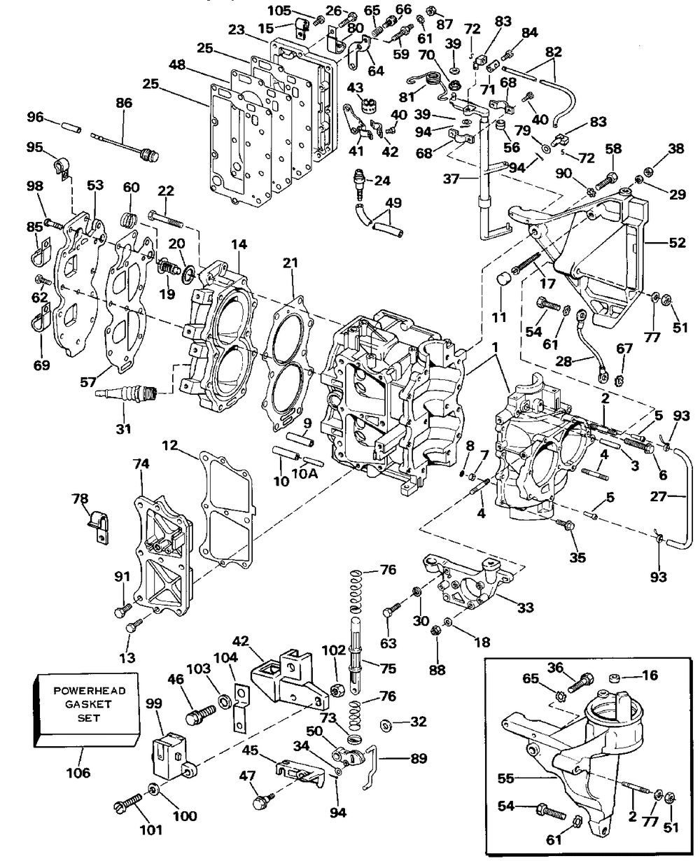
CYLINDER & CRANKCASE
Корзина пуста
Johnson
J25ELCDR
J25ELCDR
CYLINDER & CRANKCASE
№
Наименование
Примечание
Кол-во
1
20CRC - 20CRLC - 25RC - 25RLC 25TEC - 25TELC 20EC - 20ELC - 25ELC
1
2
STUD
1
3
PIN 4PK (004 per pack)
1
4
Детать
7
5
NIPPLE
2
6
SCREW
6
7
CHECK VALVE AY
1
8
SCREEN
1
9
DEFLECTOR
1
10
DEFLECTOR
2
10A
DEFLECTOR
1
11
BUMPER
1
12
FF GASKET CVR CYL
1
13
SCREW
5
14
HEADCYLINDER
1
15
CLAMP 'J' Rope Start Models Only
1
16
SEAL-STARTER
2
17
Electric Start Models Only
1
17
SCREW SPRK ADJ
1
18
WASHER Trim manifold to DPS manifold
2
19
THERMOSTAT AY
1
20
GASKET
1
21
HD GASKET32CU" (Included in Powerhead Gasket Set.)
1
22
SCREW
10
23
Детать
1
24
NIPPLE
1
25
GASKET-EXH CVR
2
26
SCREW
15
28
Детать
1
29
LOCKWASHER 5 PK (005 per pack)
1
31
SP PLG QL77JC4 (Optional.) (004 per pack)
2
31
S PLUG L77JC4 8PK
2
32
WASHER
1
33
BRACKET
1
34
WASHER
2
35
SCREW EXH CVR
8
36
SCREW
1
37
Детать
1
38
NUT-SPARK ADJ
1
39
SHIM
2
40
Детать
4
41
CLAMP
1
42
BEARING CLAMP
1
43
BEARING
1
44
BRACKET
1
45
Детать
1
46
SCREW
1
47
SCREW
1
47
SCREW
1
48
EXH CVR 20CRC - 20CRLC - 25RC - 25RLC 25TEC - 25TELC
1
49
Детать
1
50
LVR & ROLLER AY
1
51
NUT (105WEL Models Only.)
1
52
BRACKET
1
53
Детать
1
54
SCREW 5 PK (005 per pack)
1
55
BRKT EL STARTER 25TEC - 25TELC 20EC - 20ELC - 25EC - 25ELC
1
56
Детать
1
57
GASKET
1
58
SCREW
1
59
BOLT
1
60
SPRING
1
61
LOCKWASHER (005 per pack)
2
64
IDLE STOP BRKT
1
65
SPRING-IDLE SCREW Remote Elec. Models
1
66
Детать
1
68
FF BEARING CLAMP
2
69
CLAMP 'J'
2
70
SLEEVE
1
71
COLLAR
1
72
PIN
2
73
RETAINER
1
74
Детать
1
74
BY-PASS COVER AY 20EC - 20ELC - 25ELC
1
75
PLUNGER
1
76
SPRING
2
78
Детать
1
79
WASHER
1
80
CLAMP 'J'
1
81
SPRING
1
82
FF THROTTLE CON RD
1
83
FF PIVOT PIN
2
84
SCREW
1
85
SPRING
2
86
Детать
1
87
NUT Electric Start Models
1
89
Детать
1
90
LOCKWASHER 5 PK (005 per pack)
1
91
SCREW
3
93
TIE STRAP 100PK (100 per pack)
0
94
COTTER PIN
4
95
CLAMP
1
96
Детать
1
98
SCREW
3
99
SAFETY SWITCH AY
1
100
WASHER
2
101
SCREW-CAL COVER
2
102
NUT
2
104
GROUND STRAP
1
105
20EC - 20ELC - 25ELC
1
106
GASKET SET PWHD
1