Оригинальные каталоги
Масла и жидкости
Масла моторные
Масла трансмиссионные
Жидкости гидравлические
Жидкости охлаждающие
Жидкости тормозные
Масла гидравлические
Масла для вилок и амортизаторов
Масла компрессорные
Жидкости для стекол
Масла для цепей бензопил
Масла индустриальные
Масла промывочные
Раствор мочевины AdBlue
Автоэлектроника
Видеорегистраторы
Пылесосы автомобильные
FM трансмиттеры
Зарядные устройства
Разветвители, удлинители прикуривателя
Кабели
Вентиляторы автомобильные
Штекер прикуривателя
Датчик парктроника
Камеры заднего вида
Мониторы парковочные
Парктроники
Термометры
Накидки на сиденье с подогревом
Автохолодильники
Антирадары
Диагностический сканер
Аксессуары
Набор автомобилиста
Ароматизаторы
Тросы буксировочные
Канистры
Ремни крепления груза
Стяжки-резинки крепления
Сетки для крепления груза
Скотч
Влажные салфетки
Держатели телефонов, планшетов
Карты памяти
Наушники
Аккумулятор холода
Термосумки и контейнеры
Фонарики
Батарейки
Оплетки на руль
Огнетушители
Салфетки, полотенца, варежки
Инструмент
Домкраты
Компрессоры
Манометры
Насосы
Светильники переносные
Шарнирно-губцевый инструмент
Ударный инструмент
Метчики. Плашки
Заклёпочники
Заклёпки
Измерительный инструмент
Свёрла
Отвёртки
Изолента
Надфили. Напильники
Ножи, ножовки
Щётки
Абразивная бумага
Специнструмент
Ключи
Хомуты
Дрель-шуруповерт
Автохимия
Присадки
Промывки
Очистители
Смазки спрей
Смазки пластичные
Герметики
Средство для рук
Клей
Лакокрасочные материалы
Автошампуни
Полироли
Антифриз для тормозной системы
Масло для пропитки фильтров
Антикоррозионные составы
Прочее
Электрооборудование
Зарядные устройства
Инверторы
Конвертеры
Звуковые сигналы
Провода прикуривания
Предохранители
Противотуманные фары
Дневные ходовые огни
Электрика фаркопа
Шины и диски
Автошины
Грузовые шины
Мотошины
Камеры
Мотокамеры
Лента обода шины
Колпаки
Диски
Одежда и экипировка
Жилеты
Запчасти
Аккумуляторы
Лампы
Щетки стеклоочистителя
Гофры глушителя
Велотовары
Велосипеды
Самокаты
Велокамеры
Искать по VIN или номеру детали
Поиск по штрих-коду
Искать по VIN-номеру
Войти
Авторизация
Логин
Пароль
Напомнить пароль
Запомнить
Войти
Зарегистрироваться
Авторизоваться другим способом
Востановить пароль
Введите ваш email:
GEARCASE
Корзина пуста
Johnson
J100WTXCDR
J100WTXCDR
GEARCASE
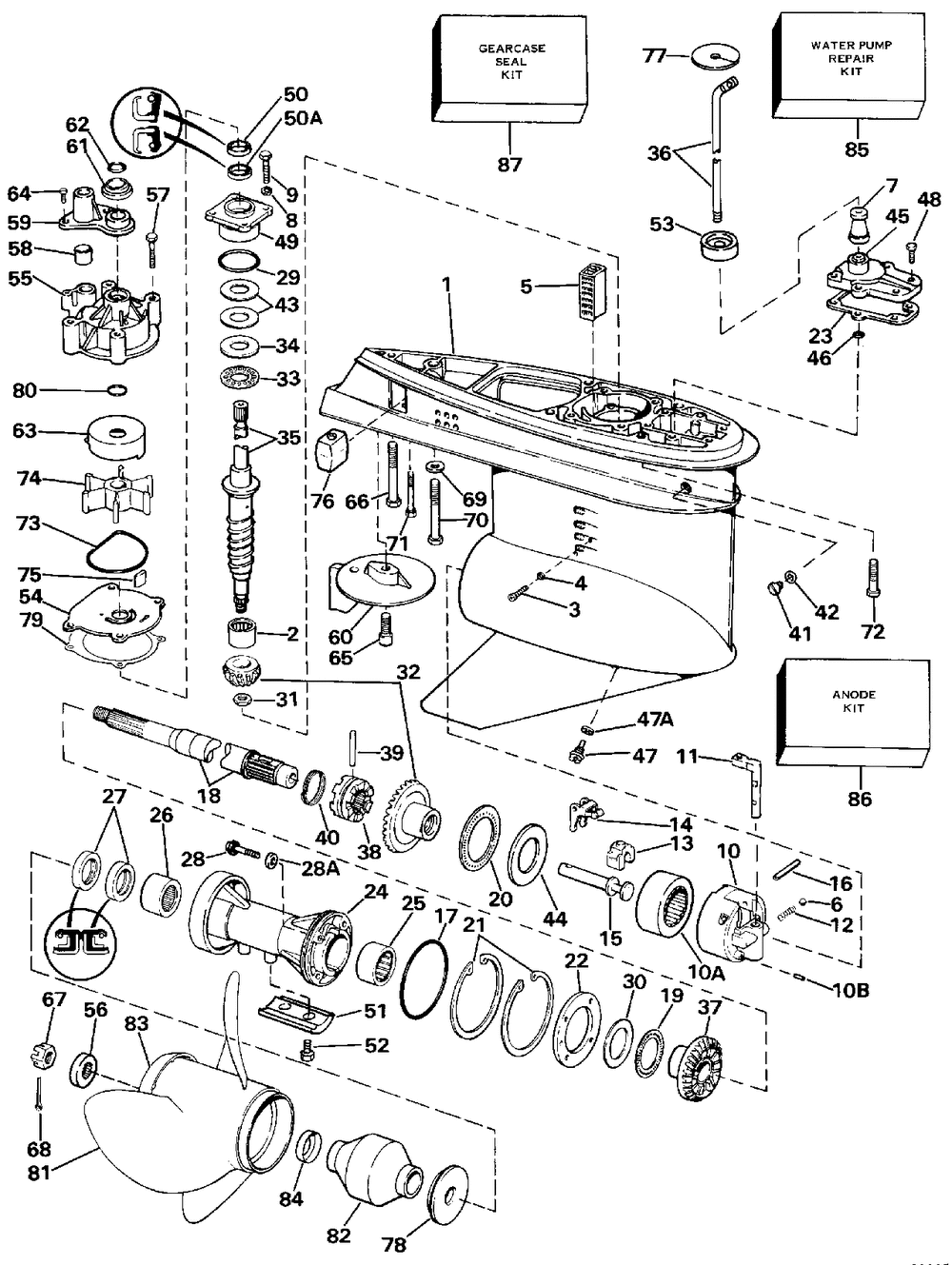
№
Наименование
Примечание
Кол-во
1
KIT AYGRC&HSG
1
2
ROLLER BRG AY
1
3
RETAINING SCREW
1
4
WASHER 5PK (005 per pack)
1
5
SCREENWATER INTK
1
6
BALL
1
7
SPACER-SHIFT ROD 25 30 in. Models
1
8
WASHER
4
9
SCREW BRG HSG Electric Start Models Only
4
10
HSG.& BEARING AY
1
10A
BRG AY-FWD GEAR
1
10B
PIN
1
11
DETENT
1
12
SPRING
1
13
CRADLE-SHIFT
1
14
SHIFTER-LEVER
1
15
SHAFT-SHIFTER
1
16
PIN-SHIFTER ARM
1
17
O-RING (010 per pack)
1
18
PROP SHAFT AY
1
19
BEARING AYTHRUST
1
20
THRUST BRG-FWD GR
1
21
RETAINING RING
2
22
Детать
1
23
GASKET (Contents of GEARCASE SEAL KIT.) (005 per pack)
1
24
P/S BRG HSG&SEAL
1
25
NEEDLE BRG
1
26
NEEDLE BRG AY
1
27
SEAL (005 per pack)
2
28
SCREW (005 per pack)
4
28A
WASHER DLR 5-PK (005 per pack)
1
29
O-RING (Contents of GEARCASE SEAL KIT.)
1
30
THRUST WASHER
1
31
NUT PINION
1
32
GEAR KIT 12:27
1
33
THRUST BRG AY
1
34
THRUST WASHER
1
35
KIT AYD/SHAFT-20 20 in. (508mm) Transom Models Only
1
35
KIT AYD/SHAFT-25
1
36
SHIFT ROD-LONG 20 in. (508mm) Transom Models
1
36
SHIFT ROD-XL 25 in. (635mm) Transom Models
1
37
GEAR KIT 12:27
1
38
SHIFTER-CLUTCH DOG
1
39
PIN
1
40
SPRING
1
41
DRAIN FILL PLG 10P (010 per pack)
1
42
WASHER-10 PK (010 per pack)
1
43
SHIM-PINION-003
0
43
SHIM-PINION-004
0
43
SHIM 005
0
44
THRUST WASHER
1
45
COVER AYSHIFT ROD
1
46
O-RING (005 per pack)
1
47
DRAIN SCREW Contents of GEARCASE SEAL KIT
1
47A
O-RING (010 per pack)
1
48
SCREW (005 per pack)
6
49
DS BRG HSG&SEAL AY
1
50
OIL RETAINER Contents of GEARCASE SEAL KIT
1
50A
OIL RETAINER Contents of GEARCASE SEAL KIT
1
51
ANODE & INSERT AY
1
52
SCREW
2
53
GROMMET EXH HSG
1
54
CUP & PLATE AY Also included in Water Pump Repair Kit Stainless Steel
1
54
CUP & PLATE AY Chrome Plated
1
55
HOUSING AYPUMP Also included in Water Pump Repair Kit
1
56
SPACER PROP NUT
1
56
SPACER PROP NUT
1
57
SCREW
4
58
GROMMET 3.3 L models
1
59
COVERIMPELLER HSG
1
60
TABTRIM-STD
1
61
GROMMET
1
62
O RING
1
63
CUP & PLATE AY Also included in Water Pump Repair Kit Stainless Steel
1
63
CUP & PLATE AY Chrome Plated
1
64
SCREW
2
65
SCREW
1
66
SCREW
1
67
NUT&KEEPER AYPROP
1
68
COTTER PIN 10 PK (010 per pack)
1
69
WASHER
1
70
SCREW
1
71
SCREW ANODE
1
72
SCREW
4
73
SEAL
1
74
KIT AYIMPELLER Also included in Water Pump Repair Kit
1
75
IMP KEY-WHITE
1
76
ANODE&INSERT AY
1
77
Детать
1
78
THRUST BSHG
1
79
GASKETWTR PMP 5PK Also included in Water Pump Repair Kit 395062 Also included in Water Pump Repair Kit 395060 (005 per pack)
1
80
Детать
1
81
Детать
1
81
Детать
1
81
Детать
1
81
VIPERTBX14.75X19RH
1
81
PROP AYAL 14.5X19 (Refer to Genuine Parts Propeller Chart.)
1
81
PROP AYAL 14.8X17 Refer to OMC Genuine Parts Propeller Chart
1
81
PROPAL 15X15 V6 Refer to OMC SysteMatched Parts & Accessories Catalog for Propeller Chart.
1
81
PROP-AL 15.5 X 13
1
81
PROP AYAL 14.3X21
1
81
PROP AL 14.25 X 23
1
81
VIPERTBX14.75X17RH
1
81
VIPERTBX14.5X21RH
1
82
PROP HUB15 SPLINE
1
83
CONVERG RINGV6
1
84
SLEEVE
1
85
KIT AYWATER PUMP
1
85
KIT AYWATER PUMP
1
86
ANODE KIT
1
87
KIT AYSEAL-GC
1