Оригинальные каталоги
Масла и жидкости
Масла моторные
Масла трансмиссионные
Жидкости гидравлические
Жидкости охлаждающие
Жидкости тормозные
Масла гидравлические
Масла для вилок и амортизаторов
Масла компрессорные
Жидкости для стекол
Масла для цепей бензопил
Масла индустриальные
Масла промывочные
Раствор мочевины AdBlue
Автоэлектроника
Видеорегистраторы
Пылесосы автомобильные
FM трансмиттеры
Зарядные устройства
Разветвители, удлинители прикуривателя
Кабели
Вентиляторы автомобильные
Штекер прикуривателя
Датчик парктроника
Камеры заднего вида
Мониторы парковочные
Парктроники
Термометры
Накидки на сиденье с подогревом
Автохолодильники
Антирадары
Диагностический сканер
Аксессуары
Набор автомобилиста
Ароматизаторы
Тросы буксировочные
Канистры
Ремни крепления груза
Стяжки-резинки крепления
Сетки для крепления груза
Скотч
Влажные салфетки
Держатели телефонов, планшетов
Карты памяти
Наушники
Аккумулятор холода
Термосумки и контейнеры
Фонарики
Батарейки
Оплетки на руль
Огнетушители
Салфетки, полотенца, варежки
Инструмент
Домкраты
Компрессоры
Манометры
Насосы
Светильники переносные
Шарнирно-губцевый инструмент
Ударный инструмент
Метчики. Плашки
Заклёпочники
Заклёпки
Измерительный инструмент
Свёрла
Отвёртки
Изолента
Надфили. Напильники
Ножи, ножовки
Щётки
Абразивная бумага
Специнструмент
Ключи
Хомуты
Дрель-шуруповерт
Автохимия
Присадки
Промывки
Очистители
Смазки спрей
Смазки пластичные
Герметики
Средство для рук
Клей
Лакокрасочные материалы
Автошампуни
Полироли
Антифриз для тормозной системы
Масло для пропитки фильтров
Антикоррозионные составы
Прочее
Электрооборудование
Зарядные устройства
Инверторы
Конвертеры
Звуковые сигналы
Провода прикуривания
Предохранители
Противотуманные фары
Дневные ходовые огни
Электрика фаркопа
Шины и диски
Автошины
Грузовые шины
Мотошины
Камеры
Мотокамеры
Лента обода шины
Колпаки
Диски
Одежда и экипировка
Жилеты
Запчасти
Аккумуляторы
Лампы
Щетки стеклоочистителя
Гофры глушителя
Велотовары
Велосипеды
Самокаты
Велокамеры
Искать по VIN или номеру детали
Поиск по штрих-коду
Искать по VIN-номеру
Войти
Авторизация
Логин
Пароль
Напомнить пароль
Запомнить
Войти
Зарегистрироваться
Авторизоваться другим способом
Востановить пароль
Введите ваш email:
MIDSECTION
Корзина пуста
Johnson
J55RWLCDC
J55RWLCDC
MIDSECTION
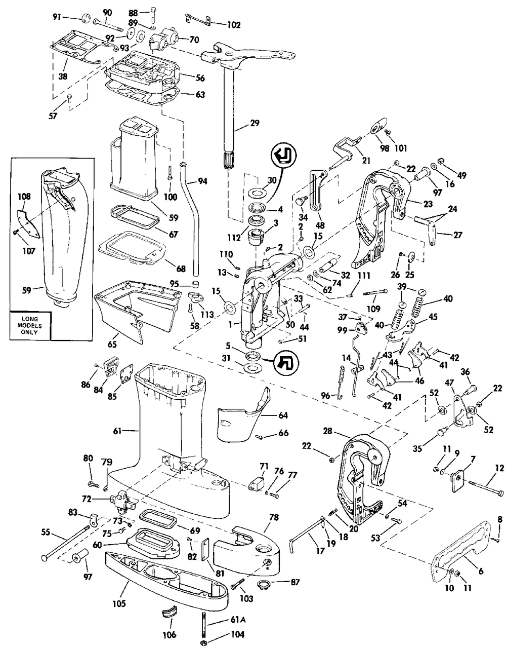
№
Наименование
Примечание
Кол-во
1
SWIVEL BRKT (WR Models Only.)
1
1
SWIVEL BRKT (WRL Models Only. WRY Models Only.)
1
2
FITTING LUBE
4
3
BUSHING
1
4
SEAL
1
5
SEAL
1
6
PLATE TRANSOM
1
7
PAD-S BRKT
2
8
SCREW
4
9
WASHER SB
2
10
WASHER
2
11
NUT
4
12
SCREW
4
13
SCREW
1
14
ROD&BRKT AY
1
15
THRUST WASHER
2
16
WASHER (9.9 Rope Models. 9.9 Tiller Electric High Thrust Models. 15 Rope Models.)
1
17
THRUST ROD
1
19
RETAINER STRN
1
20
SPRING
1
21
LEVER&SHAFT AY
1
22
NUT
3
23
Детать
1
24
CLAMPSCREW KIT Aluminum
1
24
C-SCREW KIT SST Stainless Steel
1
25
PLATE&SCREW AY 40RC - 40RL
1
26
PLATE&SCREW AY
1
27
KITHANDLE&RIVET
2
28
Детать
1
29
PIVOT SHAFT&ARM (WR Models Only.)
1
29
PIVOT SHAFT&ARM (WRL Models Only. WRY Models Only.)
1
30
THRUST WASHER
1
31
THRUST WASHER
1
32
BUSHING
1
33
PIN-LINK
2
34
SCREW
1
35
SCREW
1
36
SCREW
1
37
SCREW-BELLCRK
1
38
GASKET PWHD-ADAPT
1
39
CUP
2
40
SPRING
2
41
LINK LOCK LVR
2
42
PIN-LINK
2
43
RETAINER
2
44
COTTER PIN
4
45
PLATE REVERSE LOCK
1
46
LEVER-LOCKING Models With Tilt Aid Cylinder
2
46
LEVER-LOCKING Models Without Tilt Aid Cylinder
2
47
Детать
1
48
STOP LINK & PIN
1
49
NUT
1
50
SPRING-LINK
2
51
WASHER
2
52
WASHER/SPRING
2
53
SCREW
2
54
LOCKWASHER
2
55
BOLT
1
57
SCREW
2
58
SCREW
2
59
HOUSINGEXHAUST 15 in. (381mm) Long Models Only
1
59
HOUSINGEXHAUST
1
60
EXH HSG INNER (WR Models Only.)
1
61
15 in. (381mm) Long Models Only
1
61
HOUSINGEXHAUST
1
62
WASHER
1
63
GASKETADPTR-HSG
1
64
COVER EXH HSG FRNT
1
65
Детать
1
66
SCREW
2
67
SEAL-EXH HSG (WR Models Only.)
1
68
Детать
1
69
SEAL-EXH HSG (WR Models Only.)
1
70
MOUNT AYRUBBER
1
71
RUBBER MT LOW
1
72
RUBBER MT AY-LWR
2
74
SPRING WASHER
1
76
LOCKWASHER 5 PK (005 per pack)
2
77
SCREW
2
78
BRACKETLOWER MT
1
80
SCREW MT BRKT
4
81
Детать
2
82
SCREW COVER
4
83
WASHER-TILT PIN (9.9 Rope Models. 9.9 Tiller Electric High Thrust Models. 15 Rope Models.)
1
84
CVR EXH RELIEF
1
85
GASKET EX RLF CVR
1
86
SCREW
2
87
RETAIN RING
1
88
SCREW
3
90
SCREW
2
91
BUMPER
2
92
RETAINING WASHER
2
93
WASHER
2
94
15 in. (381mm) Long Models Only
1
94
20 in. (508mm) Long Models Only
1
95
WASHER WTR TUBE
1
96
SPRING
1
97
BUSHING (9.9 Rope Models. 9.9 Tiller Electric High Thrust Models. 15 Rope Models.)
2
98
KNOB-TILT LOCK
1
99
BELLCRANK TILTLOCK
1
100
SCREW
6
101
SCREW
1
102
LEAD AYBONDING
1
103
SCREW
2
107
SCREW
4
108
COVER EXHAUST
1
109
SCREW-STRING
1
110
SCRW THRST RG
1
111
PIN
1
112
THRUST RING
1
113
CVR-WTR TUBE
1