Оригинальные каталоги
Масла и жидкости
Масла моторные
Масла трансмиссионные
Жидкости гидравлические
Жидкости охлаждающие
Жидкости тормозные
Масла гидравлические
Масла для вилок и амортизаторов
Масла компрессорные
Жидкости для стекол
Масла для цепей бензопил
Масла индустриальные
Масла промывочные
Раствор мочевины AdBlue
Автоэлектроника
Видеорегистраторы
Пылесосы автомобильные
FM трансмиттеры
Зарядные устройства
Разветвители, удлинители прикуривателя
Кабели
Вентиляторы автомобильные
Штекер прикуривателя
Датчик парктроника
Камеры заднего вида
Мониторы парковочные
Парктроники
Термометры
Накидки на сиденье с подогревом
Автохолодильники
Антирадары
Диагностический сканер
Аксессуары
Набор автомобилиста
Ароматизаторы
Тросы буксировочные
Канистры
Ремни крепления груза
Стяжки-резинки крепления
Сетки для крепления груза
Скотч
Влажные салфетки
Держатели телефонов, планшетов
Карты памяти
Наушники
Аккумулятор холода
Термосумки и контейнеры
Фонарики
Батарейки
Оплетки на руль
Огнетушители
Салфетки, полотенца, варежки
Инструмент
Домкраты
Компрессоры
Манометры
Насосы
Светильники переносные
Шарнирно-губцевый инструмент
Ударный инструмент
Метчики. Плашки
Заклёпочники
Заклёпки
Измерительный инструмент
Свёрла
Отвёртки
Изолента
Надфили. Напильники
Ножи, ножовки
Щётки
Абразивная бумага
Специнструмент
Ключи
Хомуты
Дрель-шуруповерт
Автохимия
Присадки
Промывки
Очистители
Смазки спрей
Смазки пластичные
Герметики
Средство для рук
Клей
Лакокрасочные материалы
Автошампуни
Полироли
Антифриз для тормозной системы
Масло для пропитки фильтров
Антикоррозионные составы
Прочее
Электрооборудование
Зарядные устройства
Инверторы
Конвертеры
Звуковые сигналы
Провода прикуривания
Предохранители
Противотуманные фары
Дневные ходовые огни
Электрика фаркопа
Шины и диски
Автошины
Грузовые шины
Мотошины
Камеры
Мотокамеры
Лента обода шины
Колпаки
Диски
Одежда и экипировка
Жилеты
Запчасти
Аккумуляторы
Лампы
Щетки стеклоочистителя
Гофры глушителя
Велотовары
Велосипеды
Самокаты
Велокамеры
Искать по VIN или номеру детали
Поиск по штрих-коду
Искать по VIN-номеру
Войти
Авторизация
Логин
Пароль
Напомнить пароль
Запомнить
Войти
Зарегистрироваться
Авторизоваться другим способом
Востановить пароль
Введите ваш email:
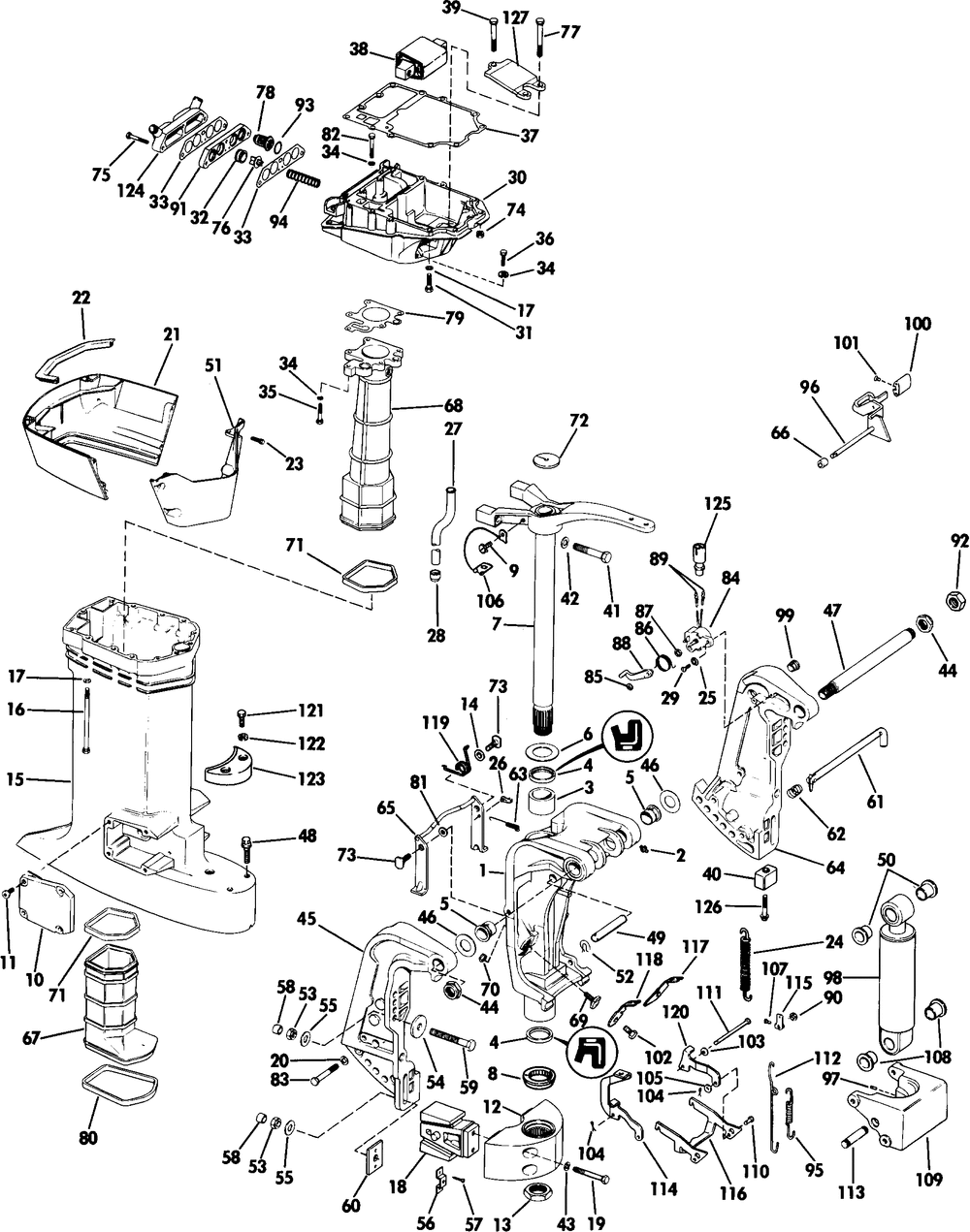
MIDSECTION
Корзина пуста
Johnson
J90TLCOS
J90TLCOS
MIDSECTION
№
Наименование
Примечание
Кол-во
1
20 Inch Transom Models Only
1
1
25 Inch Transom Models Only
1
2
FITTING LUBE
0
3
BUSHING SWIV BK
1
4
SEAL SWIV BRKT
2
5
BUSHING SWIV BK
2
6
THRUST WASHER
1
7
STEER ARM & SHAFT 20 in. (508mm) Transom Models Only
1
7
STEER ARM & SHAFT 25 in. (635mm) Transom Models Only
1
8
KEEPER70HP-V6
1
9
Детать
1
10
Детать
2
12
BRACKETMOUNT-20"
1
13
LOCK NUT
1
14
WASHER
1
15
EXHST HSG AY20" 508mm (20 Inch) Transom Models Only
1
15
635mm (25 Inch) Transom Models Only
1
16
SCREW-EXH HSG
6
17
LOCKWASHER
8
18
Детать
2
18
MOUNT AYRUBBER
2
19
SCREW
4
20
LOCKWASHER (WRL Models Only. 20 in. (508mm) Models Only.)
11
21
Детать
1
22
Детать
1
23
SCREW
4
24
SPRING
2
25
WASHER
2
26
RETAINERTRAIL LK Manual Tilt Models Only
1
27
HL TSL Models Only
1
27
WATER TUBE-X LONG HX TSX Models Only
1
28
GROMMET
1
29
SCREW
2
30
ADAPTOR
1
31
SCREW
2
32
GROMMET
2
33
GASKET DRL 10PK (010 per pack)
2
34
LOCKWASHER 5 PK (005 per pack)
10
35
SCREW
5
36
SCREW
2
37
GASKET PWHD-ADPTR
1
38
Детать
1
39
SCREW
1
40
ANODE & SCREW AY
1
41
Детать
2
42
WASHER
2
43
LOCKWASHER 4PK (004 per pack)
4
44
LOCKNUT
2
45
STERN BRACKET AY
1
46
THRUST WASHER
2
47
TILT TUBE SST
1
48
SCREW
2
49
PIN TILT CYL UP
1
50
BUSHING-UPR TILT
2
51
CVR-EXH HSG-FRT
1
52
SPRING CLIP 2PK (002 per pack)
2
53
NUT (004 per pack)
4
54
WASHER 5 PK (005 per pack)
2
55
WASHER 5 PK (005 per pack)
4
56
RETAINER Optional
2
57
SCREW RET TO PLATE Optional
4
58
3 1/2" TRNSM BOLT Optional
4
59
6" TRNSM BOLT
4
59
4 3/4" TRNSM BOLT
4
59
4 3/4" TRNSM BOLT
4
60
SQ PLATE 4PK (004 per pack)
2
61
ROD AYTHRUST
1
62
SPRING THRS ROD
1
63
SPRING-TRAIL LOCK
1
64
Детать
1
65
Детать
1
66
SPACER HANDLE
1
67
EXHAUST HSG INNER
1
67
HX TSX Models Only
1
68
Детать
1
69
THRUST PAD
2
70
LOCKNUT
2
71
SEAL EX HSG
2
72
Детать
1
73
SHOULDER SCREW
2
74
NUT
4
75
CAP SCREW
3
76
VALVE
2
77
SCREW
2
78
THERMOSTAT AY Early Production
2
79
GASKET
1
80
SEALG/C-INNR HSG
1
81
WASHER
2
82
SCREW
3
83
SCREW
0
83
SCREW
2
84
Power Tilt & Models Only
1
85
RETAINER
1
86
SPRING-TILT TRIM
1
87
NUT
1
88
ARM SENDING UNIT
1
89
PIN(10)44-100-1414 (010 per pack)
1
90
SPACER-SHAFT
1
91
VALVE BODY
1
92
NUT-STEERING WIPER Recommended to Prevent Corrosion in Salt Water Usage
1
93
GASKET THRMST 5PK (005 per pack)
2
94
SPRING
2
95
SPRING TRAIL LOCK Manual Tilt Models Only
1
96
LEVER & SHAFT AY Manual Tilt Models Only
1
97
SCREW-BRKT-GR HSG
1
98
SHOCK ABSORBER Manual Tilt Models Only
1
99
BUSHING STERN B
1
100
KNOB-TILT LOCK
1
101
SCREW
1
102
SCREW BRKT TO ARM
2
103
WASHER
1
104
COTTER PIN
3
105
WASHER
2
106
Детать
1
107
SCREW-BELLCRK
1
108
BUSHING TILT CY
2
109
SPACER
1
110
PIN
2
111
PIN
1
113
PIN
1
114
LINK REV LOCK STBD Manual Tilt Models Only
1
115
Manual Tilt Models Only
1
116
LOCKING LEVER
1
117
RETAINER Manual Tilt Models Only
1
118
RETAINER Manual Tilt Models Only
1
119
SPRING Manual Tilt Models Only
1
120
LINK REVERSE LOCK Manual Tilt Models Only
1
122
LOCKWASHER
2
123
Optional
1
124
COVER THERMOSTAT
1
125
CONNECTOR 110TLCDF Models Only
1
126
SCREW
1
127
Детать
1