| № | Наименование | Примечание | Кол-во |
|---|---|---|---|
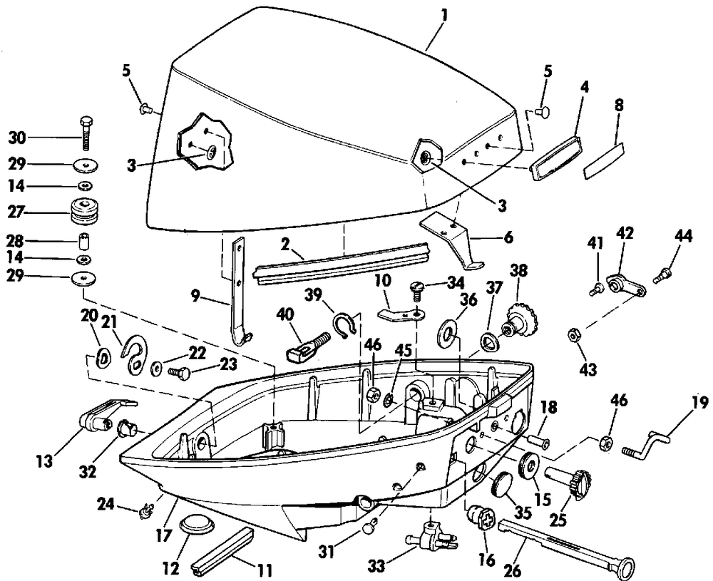
| 1 | 15 Models Only | 1 | |
| 1 | 9.9 Models Only | 1 | |
| 1 | Sel Model Only | 1 | |
| 2 | Детать | 1 | |
| 3 | NUTPUSH ON | 2 | |
| 4 | SEL Model Only | 1 | |
| 5 | RIVET | 4 | |
| 6 | HOOK&RIVET-FRT | 1 | |
| 8 | Sel Model Only | 1 | |
| 9 | HOOK&RIVET-REAR | 1 | |
| 10 | Детать | 1 | |
| 11 | SEAL | 1 | |
| 12 | SEL Model Only 15 Models Only | 1 | |
| 13 | HANDLE | 1 | |
| 14 | WASHER | 6 | |
| 15 | Детать | 1 | |
| 16 | GROMMET CHOKE KNOB | 1 | |
| 17 | Sel Model Only | 2 | |
| 17 | Детать | 1 | |
| 18 | Детать | 1 | |
| 19 | ROPEGUIDE | 1 | |
| 20 | WASHER | 1 | |
| 21 | LATCH MTR CVR | 1 | |
| 22 | WASHER | 1 | |
| 23 | SCREW | 1 | |
| 24 | NIPPLE MC LWR 5PK (005 per pack) | 1 | |
| 25 | KNOBLOW SPD ADJ | 1 | |
| 26 | CHOKE KNOB | 1 | |
| 27 | GROMMET | 3 | |
| 28 | SPACER | 3 | |
| 29 | WASHER-MOUNT | 6 | |
| 30 | SCREW | 3 | |
| 31 | PLUG 30RC-30RLC-35RC-35RLC 30TEC-30TELC | 2 | |
| 32 | BUSHING | 1 | |
| 33 | FUEL CONN. BODY AY | 1 | |
| 34 | SCREW | 1 | |
| 35 | GROMMET | 1 | |
| 35 | GROMMET | 1 | |
| 36 | WASHER | 1 | |
| 37 | SPRING WASHER | 1 | |
| 38 | KNOB&RET RING AY | 1 | |
| 39 | RETAINING RING | 1 | |
| 40 | SCREW | 1 | |
| 45 | LOCKWASHER | 1 | |
| 46 | NUT-SCREW THRTL | 2 | |
| 0209848 | NOT SHOWN | 1 | |
| 0209851 | SEL Model Only NOT SHOWN | 2 | |
| 0282036 | SEL Model Only NOT SHOWN | 1 | |
| 0282241 | 9.9 Models Only NOT SHOWN | 1 | |
| 0282242 | 15 Models Only NOT SHOWN | 1 |
