Оригинальные каталоги
Масла и жидкости
Масла моторные
Масла трансмиссионные
Жидкости гидравлические
Жидкости охлаждающие
Жидкости тормозные
Масла гидравлические
Масла для вилок и амортизаторов
Масла компрессорные
Жидкости для стекол
Масла для цепей бензопил
Масла индустриальные
Масла промывочные
Раствор мочевины AdBlue
Автоэлектроника
Видеорегистраторы
Пылесосы автомобильные
FM трансмиттеры
Зарядные устройства
Разветвители, удлинители прикуривателя
Кабели
Вентиляторы автомобильные
Штекер прикуривателя
Датчик парктроника
Камеры заднего вида
Мониторы парковочные
Парктроники
Термометры
Накидки на сиденье с подогревом
Автохолодильники
Антирадары
Диагностический сканер
Аксессуары
Набор автомобилиста
Ароматизаторы
Тросы буксировочные
Канистры
Ремни крепления груза
Стяжки-резинки крепления
Сетки для крепления груза
Скотч
Влажные салфетки
Держатели телефонов, планшетов
Карты памяти
Наушники
Аккумулятор холода
Термосумки и контейнеры
Фонарики
Батарейки
Оплетки на руль
Огнетушители
Салфетки, полотенца, варежки
Инструмент
Домкраты
Компрессоры
Манометры
Насосы
Светильники переносные
Шарнирно-губцевый инструмент
Ударный инструмент
Метчики. Плашки
Заклёпочники
Заклёпки
Измерительный инструмент
Свёрла
Отвёртки
Изолента
Надфили. Напильники
Ножи, ножовки
Щётки
Абразивная бумага
Специнструмент
Ключи
Хомуты
Дрель-шуруповерт
Автохимия
Присадки
Промывки
Очистители
Смазки спрей
Смазки пластичные
Герметики
Средство для рук
Клей
Лакокрасочные материалы
Автошампуни
Полироли
Антифриз для тормозной системы
Масло для пропитки фильтров
Антикоррозионные составы
Прочее
Электрооборудование
Зарядные устройства
Инверторы
Конвертеры
Звуковые сигналы
Провода прикуривания
Предохранители
Противотуманные фары
Дневные ходовые огни
Электрика фаркопа
Шины и диски
Автошины
Грузовые шины
Мотошины
Камеры
Мотокамеры
Лента обода шины
Колпаки
Диски
Одежда и экипировка
Жилеты
Запчасти
Аккумуляторы
Лампы
Щетки стеклоочистителя
Гофры глушителя
Велотовары
Велосипеды
Самокаты
Велокамеры
Искать по VIN или номеру детали
Поиск по штрих-коду
Искать по VIN-номеру
Войти
Авторизация
Логин
Пароль
Напомнить пароль
Запомнить
Войти
Зарегистрироваться
Авторизоваться другим способом
Востановить пароль
Введите ваш email:
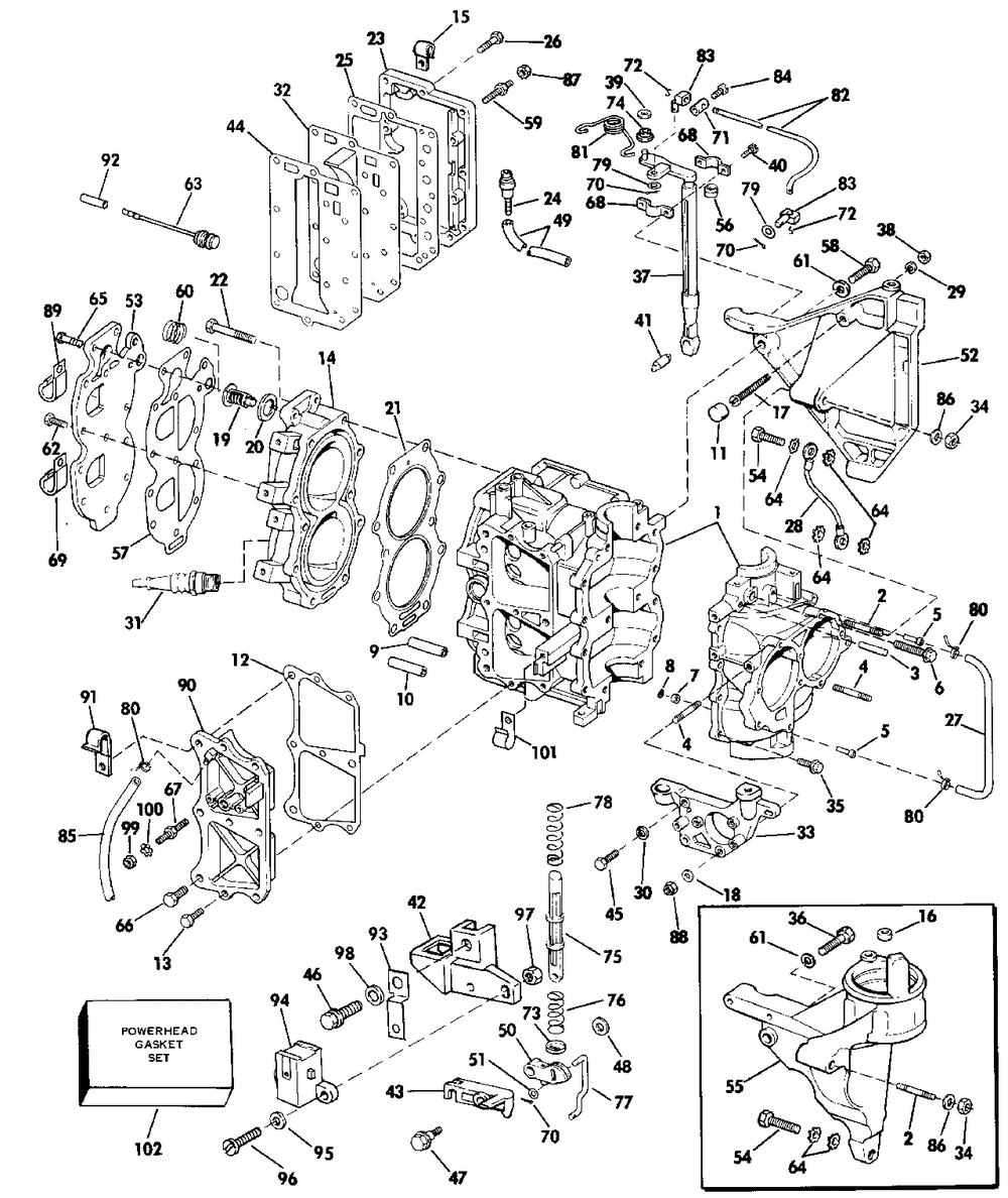
CYLINDER & CRANKCASE
Корзина пуста
Johnson
J35TELCRR
J35TELCRR
CYLINDER & CRANKCASE
№
Наименование
Примечание
Кол-во
1
Детать
1
1
35 Models Only
1
2
STUD
1
3
PIN 4PK (004 per pack)
1
4
Детать
7
5
NIPPLE
2
6
SCREW
6
7
CHECK VALVE AY
1
8
SCREEN
1
9
DEFLECTOR
1
10
DEFLECTOR
2
11
BUMPER
1
12
FF GASKET CVR CYL
1
13
SCREW
5
14
HEADCYLINDER
1
15
J-CLAMP
1
16
SEAL-STARTER
2
17
Electric Start Models Only
1
17
SCREW SPRK ADJ
1
18
WASHER Trim manifold to DPS manifold
2
19
THERMOSTAT AY Early Production
1
20
GASKET
1
21
HD GASKET32CU" (Included in Powerhead Gasket Set.)
1
22
SCREW
10
23
Детать
1
24
NIPPLE
1
25
GASKET-EXH CVR
1
26
SCREW
15
28
Детать
1
29
LOCKWASHER 5 PK (005 per pack)
1
31
S PLUG L77JC4 8PK
2
31
SP PLG QL77JC4 (Optional.) (004 per pack)
2
32
EXH CVR 20CRC - 20CRLC - 25RC - 25RLC 25TEC - 25TELC
1
32
EXH CVR-INNER
1
33
BRACKET
1
34
NUT (105WEL Models Only.)
1
35
SCREW EXH CVR
8
36
SCREW-EXH CVR
1
37
Детать
1
38
NUT-SPARK ADJ
1
39
SHIM
1
40
SCREW
2
41
PIN
1
42
BRACKET
1
43
Детать
1
44
GASKET-EXH CVR
0
45
SCREW
1
46
SCREW
1
47
SCREW
1
47
SCREW
1
48
WASHER Negative battery stud to center frame
1
49
Детать
1
50
20CRC - 20CRLC - 25RC - 25RLC 25TEC - 25TELC
1
51
WASHER
2
52
BRACKET
1
53
Детать
1
54
SCREW
1
55
BRKT EL STARTER Electric Start Models
1
56
Детать
1
57
GASKET
1
59
BOLT
1
60
SPRING
1
63
Детать
1
64
LOCKWASHER (005 per pack)
4
65
SCREW
3
66
SCREW
3
67
Детать
1
68
FF BEARING CLAMP
2
69
CLAMP
1
70
COTTER PIN
4
71
COLLAR
1
72
PIN
2
73
RETAINER
1
74
SLEEVE
1
75
PLUNGER
1
76
SPRING
1
77
Детать
1
78
SPRING Manual Start Models
1
80
TIE STRAP 100PK (100 per pack)
0
81
SPRING
1
82
FF THROTTLE CON RD
1
83
FF PIVOT PIN
2
84
SCREW
1
87
NUT Electric Start Models
1
89
CLAMP 'J'
1
90
BY-PASS COVER AY
1
91
Детать
1
92
Детать
1
93
GROUND STRAP
1
94
SAFETY SWITCH AY
1
95
WASHER
2
96
SCREW-CAL COVER
2
97
NUT
2
99
NUT 5 in. LONGER PARTS
1
101
CLAMP 'J' 20EC - 20ELC - 25EC - 25ELC
1
102
GASKET SET PWHD
1
102
GASKET SET PWHD
1