Оригинальные каталоги
Масла и жидкости
Масла моторные
Масла трансмиссионные
Жидкости гидравлические
Жидкости охлаждающие
Жидкости тормозные
Масла гидравлические
Масла для вилок и амортизаторов
Масла компрессорные
Жидкости для стекол
Масла для цепей бензопил
Масла индустриальные
Масла промывочные
Раствор мочевины AdBlue
Автоэлектроника
Видеорегистраторы
Пылесосы автомобильные
FM трансмиттеры
Зарядные устройства
Разветвители, удлинители прикуривателя
Кабели
Вентиляторы автомобильные
Штекер прикуривателя
Датчик парктроника
Камеры заднего вида
Мониторы парковочные
Парктроники
Термометры
Накидки на сиденье с подогревом
Автохолодильники
Антирадары
Диагностический сканер
Аксессуары
Набор автомобилиста
Ароматизаторы
Тросы буксировочные
Канистры
Ремни крепления груза
Стяжки-резинки крепления
Сетки для крепления груза
Скотч
Влажные салфетки
Держатели телефонов, планшетов
Карты памяти
Наушники
Аккумулятор холода
Термосумки и контейнеры
Фонарики
Батарейки
Оплетки на руль
Огнетушители
Салфетки, полотенца, варежки
Инструмент
Домкраты
Компрессоры
Манометры
Насосы
Светильники переносные
Шарнирно-губцевый инструмент
Ударный инструмент
Метчики. Плашки
Заклёпочники
Заклёпки
Измерительный инструмент
Свёрла
Отвёртки
Изолента
Надфили. Напильники
Ножи, ножовки
Щётки
Абразивная бумага
Специнструмент
Ключи
Хомуты
Дрель-шуруповерт
Автохимия
Присадки
Промывки
Очистители
Смазки спрей
Смазки пластичные
Герметики
Средство для рук
Клей
Лакокрасочные материалы
Автошампуни
Полироли
Антифриз для тормозной системы
Масло для пропитки фильтров
Антикоррозионные составы
Прочее
Электрооборудование
Зарядные устройства
Инверторы
Конвертеры
Звуковые сигналы
Провода прикуривания
Предохранители
Противотуманные фары
Дневные ходовые огни
Электрика фаркопа
Шины и диски
Автошины
Грузовые шины
Мотошины
Камеры
Мотокамеры
Лента обода шины
Колпаки
Диски
Одежда и экипировка
Жилеты
Запчасти
Аккумуляторы
Лампы
Щетки стеклоочистителя
Гофры глушителя
Велотовары
Велосипеды
Самокаты
Велокамеры
Искать по VIN или номеру детали
Поиск по штрих-коду
Искать по VIN-номеру
Войти
Авторизация
Логин
Пароль
Напомнить пароль
Запомнить
Войти
Зарегистрироваться
Авторизоваться другим способом
Востановить пароль
Введите ваш email:
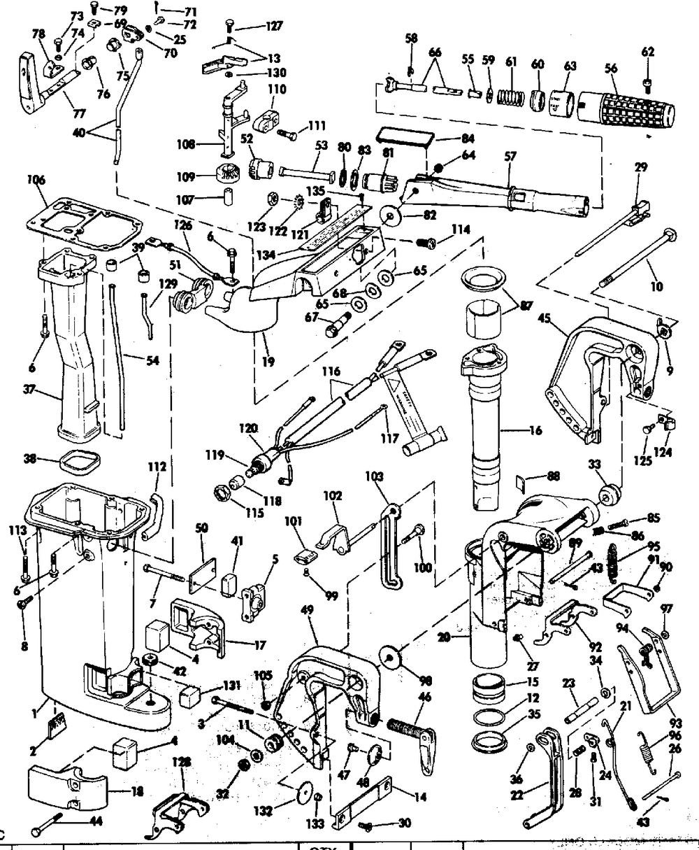
EXHAUST HOUSING-9.9"C" MODELS15 ROPE "R" MODELS
Корзина пуста
Johnson
J10RCTR
J10RCTR
EXHAUST HOUSING-9.9"C" MODELS15 ROPE "R" MODELS
№
Наименование
Примечание
Кол-во
2
BAFFLE-EXH HSG
1
3
SCREW & NUT AY
2
4
RUBBER MOUNT
2
5
MOUNT AYTHRUST
2
6
SCREW 5 PK (005 per pack)
17
7
SCREW
2
8
SCREW
4
9
LINK (9.9 Rope Models. 9.9 Tiller Electric High Thrust Models. 15 Rope Models.)
1
10
TILT BOLT
1
11
SPRING
1
12
O RING Included in Powerhead Gasket & Seal Kit
1
13
INTRLK PWL&SPRNG
1
14
PLATE
1
15
BUSHING
1
16
PIVOT SHAFT
1
17
MOUNT BRACKET LOW
1
18
MOUNT BRACKET-LOW
1
19
Детать
1
20
Детать
1
21
WIRE REV LOCK REL
1
22
HANDLECARRYING
1
23
Детать
1
24
BELLCRANK
1
25
BOW WASHER
1
26
PIN
1
27
FITTING LUBE
1
28
SPRING
1
29
TILT PIN AY
1
30
SCREW
2
31
SCREW-BELLCRK
1
32
LOCK NUT (9.9 Rope Models. 9.9 Tiller Electric High Thrust Models. 15 Rope Models.)
1
33
WASHER
1
34
WASHER
3
35
WASHER
1
36
WASHER
1
37
9.9 Models Only
1
37
EXH HSG-INNER 15 Models Only
1
38
SEAL 9.9 Models Only
1
39
GROMMET UPPR TUBE
0
40
Детать
1
41
MOUNTTHRUST UPPR
1
41
NOT USED ON SEL MODELS
1
42
GROMMET
1
43
COTTER PIN 10PK (010 per pack)
3
44
SCREW
2
45
Детать
1
46
C-SCREW KIT SST Stainless optional accessory
1
46
KIT AYCLAMPSCREW
1
47
SCREW-CLMPSCRW (005 per pack)
1
48
PLATESWIVEL
1
49
Детать
1
50
PLATE
1
50
LINK-UPR MTR
1
51
SEAL
1
53
SHAFT
1
54
WATER TUBE&GROMMET
1
54
WATER TUBE&GROMMET
1
54
SEL Models Only
1
55
BUSHING-HDLE
1
56
Детать
1
57
Детать
1
58
RETAINING RING
1
59
WASHER
1
60
BLOCK
1
61
Детать
1
62
Детать
1
63
Детать
1
64
LOCKNUT
1
65
WASHER
2
66
GEAR&SHAFT
1
67
SCREW
1
68
Детать
1
69
CLIP
1
70
BELLCRANK SHFT ROD
1
72
PIN
1
73
SCREW
2
74
WASHER
2
75
BUSHING
1
76
Детать
1
77
SHIFT HNDL & SHAFT
1
78
LEVER SHIFT
1
79
SCREW
1
80
RETAINING RING
1
81
GEARSTRG HDL
1
82
WASHER
1
83
WASHER
1
84
Детать
1
85
SCREW
1
86
SPRINGSTEER FRICT DT models
1
87
Детать
1
88
Детать
1
89
PIN
1
91
LOCKING LVR
1
92
LINK-REVERSE LOCK
1
93
LINK
1
94
SPRING
1
95
Детать
3
96
SPRING
1
97
WASHER (9.9 Rope Models. 15 Rope Models. 15 Electric Models.)
2
99
SCREW
1
100
PIN
1
101
KNOB
1
102
LVR & SHAFT A
1
103
LINKTILTLOCK-STBD
1
104
WASHER
1
105
NUT
1
106
GASKET 5PK
1
107
Детать
1
108
SHAFT
1
109
GEARVERT CNTRL
1
110
Детать
1
111
Детать
2
112
SEAL EX-HOUSING
1
113
SCREW-EXH HSG
2
114
SCREW Electric Start Models Only
1
115
Electric Start Models Only
1
116
Not Shown Electric Start Models Only
1
116
Детать
1
117
TERM. 40724 (005 per pack)
1
118
Детать
1
119
SWITCH & SLEEVE AY Not Shown Electric Start Models Only
1
120
TUBING-HEAT SHRINK
1
121
CLAMP BATTY CABLE
1
122
LOCK WASHER
1
124
CLAMP Electric Start Models Only
1
125
SCREW
1
126
Детать
1
127
SCREW-PAWL SHAFT
1
128
LOCK LEVER & LINK (9.9 Tiller Electric High Thrust Models. 9.9 Electric High Thrust Models.)
1
129
WATER TUBE&GROMMET 15 Models Only
1
130
WASHER
1
131
THRUST MOUNT
1
131
NOT USED ON SEL MODELS
1
132
WASHER SB
2
133
LOCKNUT
2
134
Детать
1
135
SCREW
2