Оригинальные каталоги
Масла и жидкости
Масла моторные
Масла трансмиссионные
Жидкости гидравлические
Жидкости охлаждающие
Жидкости тормозные
Масла гидравлические
Масла для вилок и амортизаторов
Масла компрессорные
Жидкости для стекол
Масла для цепей бензопил
Масла индустриальные
Масла промывочные
Раствор мочевины AdBlue
Автоэлектроника
Видеорегистраторы
Пылесосы автомобильные
FM трансмиттеры
Зарядные устройства
Разветвители, удлинители прикуривателя
Кабели
Вентиляторы автомобильные
Штекер прикуривателя
Датчик парктроника
Камеры заднего вида
Мониторы парковочные
Парктроники
Термометры
Накидки на сиденье с подогревом
Автохолодильники
Антирадары
Диагностический сканер
Аксессуары
Набор автомобилиста
Ароматизаторы
Тросы буксировочные
Канистры
Ремни крепления груза
Стяжки-резинки крепления
Сетки для крепления груза
Скотч
Влажные салфетки
Держатели телефонов, планшетов
Карты памяти
Наушники
Аккумулятор холода
Термосумки и контейнеры
Фонарики
Батарейки
Оплетки на руль
Огнетушители
Салфетки, полотенца, варежки
Инструмент
Домкраты
Компрессоры
Манометры
Насосы
Светильники переносные
Шарнирно-губцевый инструмент
Ударный инструмент
Метчики. Плашки
Заклёпочники
Заклёпки
Измерительный инструмент
Свёрла
Отвёртки
Изолента
Надфили. Напильники
Ножи, ножовки
Щётки
Абразивная бумага
Специнструмент
Ключи
Хомуты
Дрель-шуруповерт
Автохимия
Присадки
Промывки
Очистители
Смазки спрей
Смазки пластичные
Герметики
Средство для рук
Клей
Лакокрасочные материалы
Автошампуни
Полироли
Антифриз для тормозной системы
Масло для пропитки фильтров
Антикоррозионные составы
Прочее
Электрооборудование
Зарядные устройства
Инверторы
Конвертеры
Звуковые сигналы
Провода прикуривания
Предохранители
Противотуманные фары
Дневные ходовые огни
Электрика фаркопа
Шины и диски
Автошины
Грузовые шины
Мотошины
Камеры
Мотокамеры
Лента обода шины
Колпаки
Диски
Одежда и экипировка
Жилеты
Запчасти
Аккумуляторы
Лампы
Щетки стеклоочистителя
Гофры глушителя
Велотовары
Велосипеды
Самокаты
Велокамеры
Искать по VIN или номеру детали
Поиск по штрих-коду
Искать по VIN-номеру
Войти
Авторизация
Логин
Пароль
Напомнить пароль
Запомнить
Войти
Зарегистрироваться
Авторизоваться другим способом
Востановить пароль
Введите ваш email:
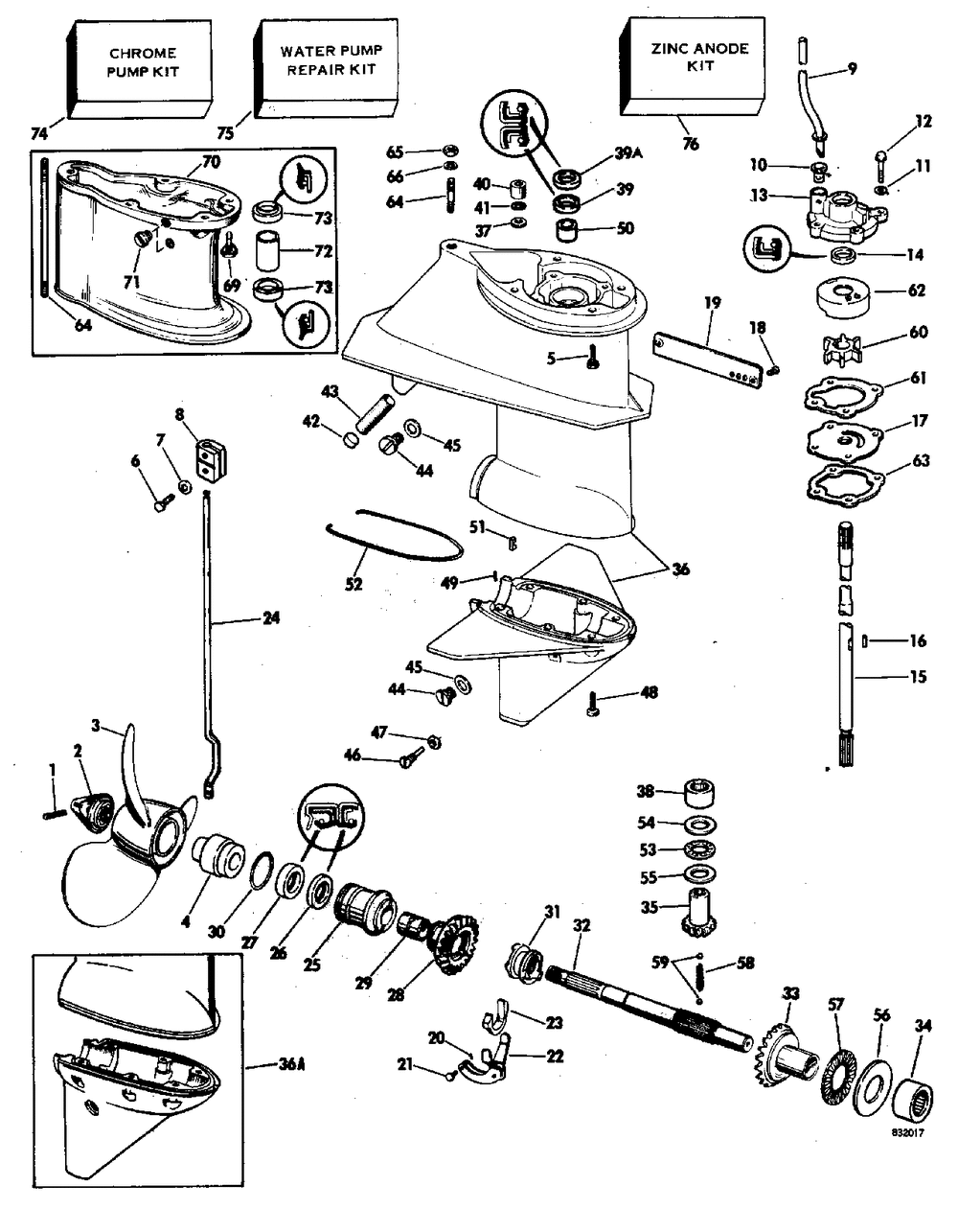
GEARCASE
Корзина пуста
Johnson
J25RWCTE
J25RWCTE
GEARCASE
№
Наименование
Примечание
Кол-во
1
COTTER PIN 10 PK (010 per pack)
1
2
PROP NUT
1
3
PROP AL. 9.25X11
1
3
PROP ALUM9X10
1
3
PROPAL 9X9 3BLD
1
3
Детать
1
3
Детать
1
3
PROP AYAL 9.25X12
1
4
PROP HUB 25 HP Use Only with Propeller P/N 389067
1
5
SCREW
4
6
SCREW 5 INCH LONGER PARTS (005 per pack)
2
7
LOCKWASHER
2
8
CONNECTORSHFT ROD
1
8
CONNECTORSHFT ROD 20 INCH (508mm) LONG PARTS
1
9
5 INCH LONGER PARTS
1
9
Детать
1
9
7.5 INCH LONGER PARTS
1
10
GROMMET (005 per pack)
1
11
WASHER
4
12
SCREW Also included in kit 388891
4
13
IMP HSG
1
14
SEAL PROP SHAFT
1
15
DRIVESHAFT15"
1
15
DRIVESHAFT20"
1
16
DOWEL (Contents of Water Pump Repair Kit. RL RVL EL EVL Models.)
1
17
PLATE Also included in WATER PUMP REPAIR KIT (Includes impeller housing) 391390
1
18
SCREW (004 per pack)
2
19
COVER
1
20
COTTER PIN
1
21
PIN
1
22
LEVER & PIN A
1
23
CRADLE-CLUTCH DOG
1
24
SHIFT ROD-LOWER 22.5 INCH (572mm) LONG PARTS
1
24
SHIFT RODLOW-LONG 20 INCH (508mm) LONG PARTS
1
24
SHIFT RODLOW-STD Optional
1
25
GCASE HEAD&SEAL AY
1
27
SEAL PROP SHAFT
1
28
GEAR-REVERSE3LUG
1
29
BUSHING
1
30
O-RING (005 per pack)
1
31
SHIFTER 3 LUG
1
32
Детать
1
33
GEAR&BUSH-FWD3LUG
1
34
BEARING-FWD GEAR
1
35
PINION-DRIVESHAFT
1
36
G-CASE & BRG
1
36A
G-CASE & BRG
1
37
GASKET
1
38
BRG AY NEEDLE
1
39A
OIL RETAINER
1
40
BUSHING J 2PK (002 per pack)
1
41
O RING Contents of Gearcase Seal Kit (005 per pack)
1
42
PLUG
1
43
SCREEN
1
44
DRAIN FILL PLG 10P (010 per pack)
2
45
WASHER-10 PK (010 per pack)
1
46
PIVOT PIN & WASHER
1
47
SEAL SCREW (010 per pack)
1
48
SCREW (005 per pack)
6
50
BEARING AY
1
51
MAGNET
1
53
THRUST BRG AY
1
54
FF THRUST WASHER
1
55
THRUST WASHER-LWR
1
56
THRUST WASHER
1
57
Детать
1
58
DETENT SPRING
1
59
BALL DETENT (005 per pack)
2
60
IMPELLER AY. Also included in Water Pump Repair Kit 394393
1
61
GASKET Also included in WATER PUMP REPAIR KIT (Includes impeller housing) 391390
1
62
CUP IMP HSG Also included in WATER PUMP REPAIR KIT (Includes impeller housing) 391390
1
63
GASKET-IMPELLR 5PK Also included in kit 396352 (005 per pack)
1
64
STUD 22.5 INCH (572mm) LONG PARTS
1
64
5 INCH LONGER PARTS
1
64
STUD
1
65
NUT
1
66
LOCKWASHER (WRL Models Only. 20 in. (508mm) Models Only.)
0
70
5 INCH LONGER PARTS
1
70
EXTENSION & STUD 22.5 INCH (572mm) LONG PARTS
1
72
22.5 INCH (572mm) LONG PARTS
1
73
22.5 INCH (572mm) LONG PARTS
2
74
Детать
1
75
WTR PUMP KIT
1
75
KIT AY WTR PUMP
1
76
ZINC ANODE KIT OB
1
0123009
ZINC ANODE KIT OB
1
0301967
O RING
2
0304454
LOCKWASHER
2
0306643
SCREW
2
0324455
SPACER 20 INCH (508mm) LONG PARTS
1
0325974
RUBBER MOUNT
2
0325975
RUBBER MOUNT
2
0393415
Not ShownN
1