| № | Наименование | Примечание | Кол-во |
|---|---|---|---|
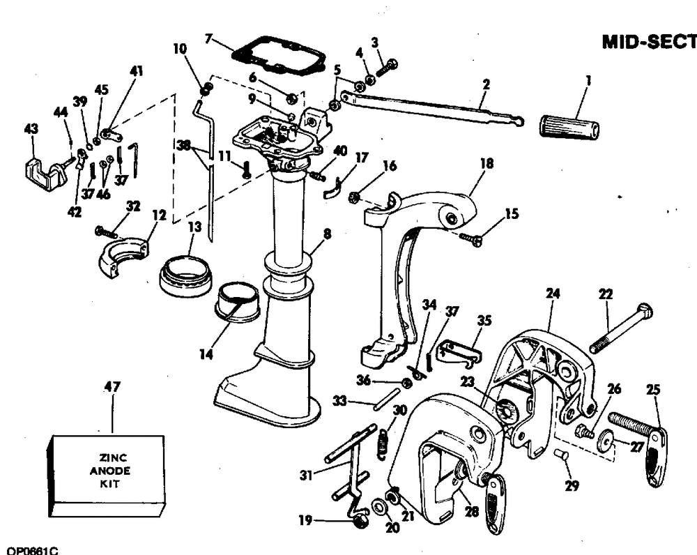
| 1 | GRIP HANDLE | 1 | |
| 2 | STRG HANDLE | 1 | |
| 3 | SCREW | 1 | |
| 4 | WASHER | 1 | |
| 5 | WASHER | 2 | |
| 6 | NUT | 1 | |
| 7 | GASKET | 1 | |
| 8 | Детать | 1 | |
| 9 | PLUG | 1 | |
| 10 | 5 in. LONGER PARTS | 1 | |
| 11 | SCREW | 5 | |
| 12 | RETAINER | 2 | |
| 13 | DAMPENER | 2 | |
| 14 | PIVOT BEARING | 2 | |
| 15 | SCREW | 1 | |
| 16 | NUT | 1 | |
| 17 | Детать | 1 | |
| 18 | Детать | 1 | |
| 19 | NUT | 1 | |
| 20 | WASHER | 1 | |
| 21 | SPRING | 1 | |
| 22 | BOLT | 1 | |
| 23 | FRICTION WASHER | 2 | |
| 24 | BRACKETSTERN | 1 | |
| 25 | CLAMPSCREW KIT | 1 | |
| 25 | CLAMP SCREW KIT | 1 | |
| 27 | PLATESWIVEL | 1 | |
| 28 | Детать | 1 | |
| 29 | RIVET | 1 | |
| 30 | SPRING | 1 | |
| 31 | Детать | 1 | |
| 32 | SCREW | 4 | |
| 33 | REVERSE LOCK PIN | 1 | |
| 34 | SPRING | 1 | |
| 35 | REVERSE LOCK | 1 | |
| 36 | WASHER | 1 | |
| 37 | COTTER PIN | 3 | |
| 38 | Детать | 1 | |
| 39 | O-RINGSCREW PLUG | 1 | |
| 40 | FITTING LUBE | 1 | |
| 41 | Детать | 1 | |
| 42 | SPRING | 1 | |
| 43 | Детать | 1 | |
| 44 | SET SCREW | 1 | |
| 46 | WASHER | 2 | |
| 47 | ZINC ANODE KIT OB | 1 | |
| 0304454 | LOCKWASHER | 2 | |
| 0306643 | SCREW | 2 | |
| 0391952 | STERN BRKTS Not Shown | 1 |
