| № | Наименование | Примечание | Кол-во |
|---|---|---|---|
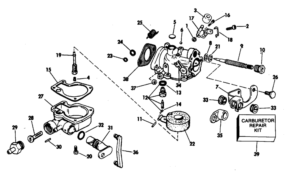
| 1 | WASHER | 1 | |
| 2 | SCREW | 1 | |
| 3 | ROLLER-CAM FOLLOWR | 1 | |
| 4 | ORIFICE LOW SPEED | 1 | |
| 5 | PLUG | 1 | |
| 6 | LEAD SHOT | 5 | |
| 7 | Детать | 1 | |
| 8 | WASHER (010 per pack) | 3 | |
| 9 | Models With Knob | 1 | |
| 10 | NUT GLAND | 1 | |
| 11 | PIN (Also Available in Carburetor Repair Kit.) | 1 | |
| 12 | FLOAT VALVE & SEAT | 1 | |
| 13 | WASHER (Also Available in Carburetor Repair Kit.) | 1 | |
| 14 | CLIPSPRING | 1 | |
| 15 | GASKETFLOAT BOWL | 1 | |
| 16 | SCREW | 1 | |
| 17 | CAM FOLLOWER | 1 | |
| 18 | Детать | 1 | |
| 19 | NOZZLE-HI SPEED Models with "R" Model Number Suffix | 1 | |
| 20 | SCREW 4RE 4RL Models Only | 4 | |
| 21 | WASHER (010 per pack) | 1 | |
| 22 | FLOAT&ARM AY | 1 | |
| 23 | RETAINER | 1 | |
| 24 | Детать | 1 | |
| 25 | SPRING THROTTLE RE | 1 | |
| 26 | Детать | 2 | |
| 27 | FLOAT CHAMBER | 1 | |
| 28 | BLADDER-FUEL PUMP | 1 | |
| 32 | O-RING Included in "FUEL PUMP REPAIR KIT" | 2 | |
| 33 | BUSHING | 2 | |
| 34 | LEVER | 1 | |
| 37 | NUT-STUD | 2 | |
| 38 | GASKET | 1 | |
| 39 | KIT AYCARB REPAIR Models with Auxiliary Fuel Tank | 1 | |
| 0391517 | Models with Auxiliary Fuel Tank Not Shown | 1 |
