| № | Наименование | Примечание | Кол-во |
|---|---|---|---|
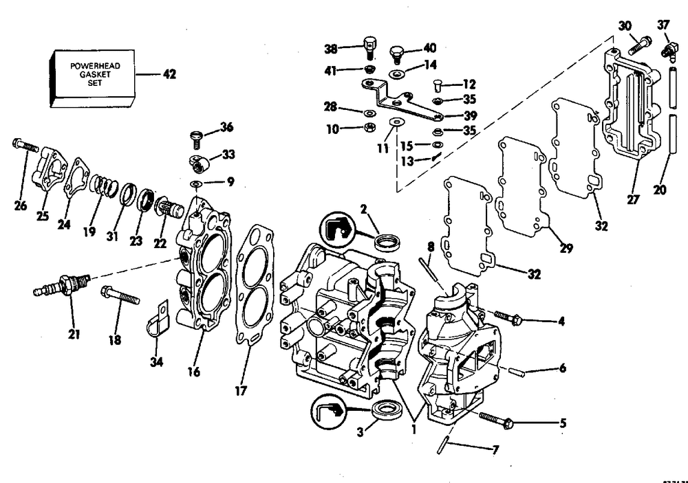
| 1 | CYL C-CASE AY | 1 | |
| 2 | SEAL CRANKSHAFT UP | 1 | |
| 3 | SEAL-POWERHEAD | 1 | |
| 4 | SCREW | 4 | |
| 5 | SCREW | 2 | |
| 6 | PIN | 1 | |
| 7 | METERING ROD | 1 | |
| 8 | METERING ROD | 1 | |
| 9 | WASHER | 1 | |
| 10 | Remote Electric Models Only | 1 | |
| 11 | WASHER | 1 | |
| 12 | PIN-LINK | 1 | |
| 13 | COTTER PIN 10PK (010 per pack) | 1 | |
| 14 | Детать | 1 | |
| 15 | WASHER | 1 | |
| 16 | Детать | 1 | |
| 17 | HEAD GASKET | 1 | |
| 18 | SCREW | 6 | |
| 19 | SPRING | 1 | |
| 20 | HOSE | 1 | |
| 21 | S PLUG L77JC4 8PK | 2 | |
| 21 | SP PLG QL77JC4 (Optional.) (004 per pack) | 2 | |
| 22 | THERMOSTAT AY Early Production | 1 | |
| 23 | SEAL-THERMO STAT | 1 | |
| 24 | GASKET | 1 | |
| 25 | Детать | 1 | |
| 26 | SCREW | 3 | |
| 27 | Детать | 1 | |
| 28 | WASHER (004 per pack) | 1 | |
| 29 | Детать | 1 | |
| 31 | RETAINER SEAL | 1 | |
| 32 | GASKET | 2 | |
| 33 | CONNECTOR | 1 | |
| 34 | Детать | 1 | |
| 35 | SLEEVE | 2 | |
| 36 | SCREW | 1 | |
| 37 | ELBOW90DEG-5PK 40 HO 60 HP Models (005 per pack) | 1 | |
| 38 | PIVOT PIN | 1 | |
| 39 | LEVER | 1 | |
| 40 | SCREW | 1 | |
| 41 | Детать | 1 | |
| 42 | GASKET SET-PWHD | 1 |
