Оригинальные каталоги
Масла и жидкости
Масла моторные
Масла трансмиссионные
Жидкости гидравлические
Жидкости охлаждающие
Жидкости тормозные
Масла гидравлические
Масла для вилок и амортизаторов
Масла компрессорные
Жидкости для стекол
Масла для цепей бензопил
Масла индустриальные
Масла промывочные
Раствор мочевины AdBlue
Автоэлектроника
Видеорегистраторы
Пылесосы автомобильные
FM трансмиттеры
Зарядные устройства
Разветвители, удлинители прикуривателя
Кабели
Вентиляторы автомобильные
Штекер прикуривателя
Датчик парктроника
Камеры заднего вида
Мониторы парковочные
Парктроники
Термометры
Накидки на сиденье с подогревом
Автохолодильники
Антирадары
Диагностический сканер
Аксессуары
Набор автомобилиста
Ароматизаторы
Тросы буксировочные
Канистры
Ремни крепления груза
Стяжки-резинки крепления
Сетки для крепления груза
Скотч
Влажные салфетки
Держатели телефонов, планшетов
Карты памяти
Наушники
Аккумулятор холода
Термосумки и контейнеры
Фонарики
Батарейки
Оплетки на руль
Огнетушители
Салфетки, полотенца, варежки
Инструмент
Домкраты
Компрессоры
Манометры
Насосы
Светильники переносные
Шарнирно-губцевый инструмент
Ударный инструмент
Метчики. Плашки
Заклёпочники
Заклёпки
Измерительный инструмент
Свёрла
Отвёртки
Изолента
Надфили. Напильники
Ножи, ножовки
Щётки
Абразивная бумага
Специнструмент
Ключи
Хомуты
Дрель-шуруповерт
Автохимия
Присадки
Промывки
Очистители
Смазки спрей
Смазки пластичные
Герметики
Средство для рук
Клей
Лакокрасочные материалы
Автошампуни
Полироли
Антифриз для тормозной системы
Масло для пропитки фильтров
Антикоррозионные составы
Прочее
Электрооборудование
Зарядные устройства
Инверторы
Конвертеры
Звуковые сигналы
Провода прикуривания
Предохранители
Противотуманные фары
Дневные ходовые огни
Электрика фаркопа
Шины и диски
Автошины
Грузовые шины
Мотошины
Камеры
Мотокамеры
Лента обода шины
Колпаки
Диски
Одежда и экипировка
Жилеты
Запчасти
Аккумуляторы
Лампы
Щетки стеклоочистителя
Гофры глушителя
Велотовары
Велосипеды
Самокаты
Велокамеры
Искать по VIN или номеру детали
Поиск по штрих-коду
Искать по VIN-номеру
Войти
Авторизация
Логин
Пароль
Напомнить пароль
Запомнить
Войти
Зарегистрироваться
Авторизоваться другим способом
Востановить пароль
Введите ваш email:
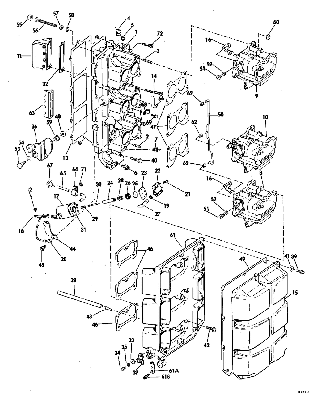
INTAKE MANIFOLD
Корзина пуста
Johnson
J175TLCIM
J175TLCIM
INTAKE MANIFOLD
№
Наименование
Примечание
Кол-во
1
Детать
1
2
NIPPLE
1
3
STUD INT MAX
12
4
Детать
1
5
SCREW
1
6
LUB FITTING
1
7
CHECK VALVE AY 5PK (005 per pack)
6
11
Детать
6
12
SCREW
1
13
GASKET
1
14
SCREW
6
15
Детать
1
16
ADJ LVR THRTL LINK
2
17
KIT AYPRMR SOL
1
18
TERM. 40724 (005 per pack)
1
19
O-RINGSCREW PLUG
1
20
TERM. 61867-2 0.250 in. (6.3 mm) diameter
1
21
SCREW
4
22
COVER&GASKET AY
1
23
GASKET
1
24
PLUNGER
1
25
GASKET
1
26
FILTER
1
27
MANUAL VALVE
1
28
SPRING VALVE
1
29
SPRINGPRIMER SOL
1
30
VALVE
1
31
HOUSING
1
32
GASKET 5PK (005 per pack)
6
33
SPACER MODELS WITH "H" MODEL NUMBER SUFFIX ONLY
2
34
SCREW MODELS WITH "H" MODEL NUMBER SUFFIX ONLY
2
35
LOCKWASHER
2
36
CAM
1
37
SPRING MODELS WITH "H" MODEL NUMBER SUFFIX ONLY
2
39
SCREW
10
40
SCREW
16
41
WASHER
10
42
SCREW
6
43
NIPPLE
1
44
CLAMP CHOKE SOL
1
45
Детать
2
46
GASKET 5PK (005 per pack)
3
47
GASKET 5PK (005 per pack)
3
48
WASHER
1
49
GASKET AIR SIL
1
50
Детать
1
51
SCREW UPPER CARBURETOR ONLY
2
52
WASHER
2
53
SCREW
1
54
WASHER
1
55
BUMPER
1
56
SCREW
1
57
NUT-SPARK ADJ
1
58
LOCKWASHER
1
59
BUSHING
1
60
NUT STUD
12
61
MODELS WITH "H" MODEL NUMBER SUFFIX ONLY
1
61A
RETAINER
2
61B
SCREW
2
62
RETAINER
3
63
Детать
6
64
CLAMP
2
66
RETAINER
2
67
TEE
2
68
CLAMP
1
69
SCREW
1
70
LOCKWASHER
1
71
LOCKWASHER (005 per pack)
2
72
SCREW
6