Оригинальные каталоги
Масла и жидкости
Масла моторные
Масла трансмиссионные
Жидкости гидравлические
Жидкости охлаждающие
Жидкости тормозные
Масла гидравлические
Масла для вилок и амортизаторов
Масла компрессорные
Жидкости для стекол
Масла для цепей бензопил
Масла индустриальные
Масла промывочные
Раствор мочевины AdBlue
Автоэлектроника
Видеорегистраторы
Пылесосы автомобильные
FM трансмиттеры
Зарядные устройства
Разветвители, удлинители прикуривателя
Кабели
Вентиляторы автомобильные
Штекер прикуривателя
Датчик парктроника
Камеры заднего вида
Мониторы парковочные
Парктроники
Термометры
Накидки на сиденье с подогревом
Автохолодильники
Антирадары
Диагностический сканер
Аксессуары
Набор автомобилиста
Ароматизаторы
Тросы буксировочные
Канистры
Ремни крепления груза
Стяжки-резинки крепления
Сетки для крепления груза
Скотч
Влажные салфетки
Держатели телефонов, планшетов
Карты памяти
Наушники
Аккумулятор холода
Термосумки и контейнеры
Фонарики
Батарейки
Оплетки на руль
Огнетушители
Салфетки, полотенца, варежки
Инструмент
Домкраты
Компрессоры
Манометры
Насосы
Светильники переносные
Шарнирно-губцевый инструмент
Ударный инструмент
Метчики. Плашки
Заклёпочники
Заклёпки
Измерительный инструмент
Свёрла
Отвёртки
Изолента
Надфили. Напильники
Ножи, ножовки
Щётки
Абразивная бумага
Специнструмент
Ключи
Хомуты
Дрель-шуруповерт
Автохимия
Присадки
Промывки
Очистители
Смазки спрей
Смазки пластичные
Герметики
Средство для рук
Клей
Лакокрасочные материалы
Автошампуни
Полироли
Антифриз для тормозной системы
Масло для пропитки фильтров
Антикоррозионные составы
Прочее
Электрооборудование
Зарядные устройства
Инверторы
Конвертеры
Звуковые сигналы
Провода прикуривания
Предохранители
Противотуманные фары
Дневные ходовые огни
Электрика фаркопа
Шины и диски
Автошины
Грузовые шины
Мотошины
Камеры
Мотокамеры
Лента обода шины
Колпаки
Диски
Одежда и экипировка
Жилеты
Запчасти
Аккумуляторы
Лампы
Щетки стеклоочистителя
Гофры глушителя
Велотовары
Велосипеды
Самокаты
Велокамеры
Искать по VIN или номеру детали
Поиск по штрих-коду
Искать по VIN-номеру
Войти
Авторизация
Логин
Пароль
Напомнить пароль
Запомнить
Войти
Зарегистрироваться
Авторизоваться другим способом
Востановить пароль
Введите ваш email:
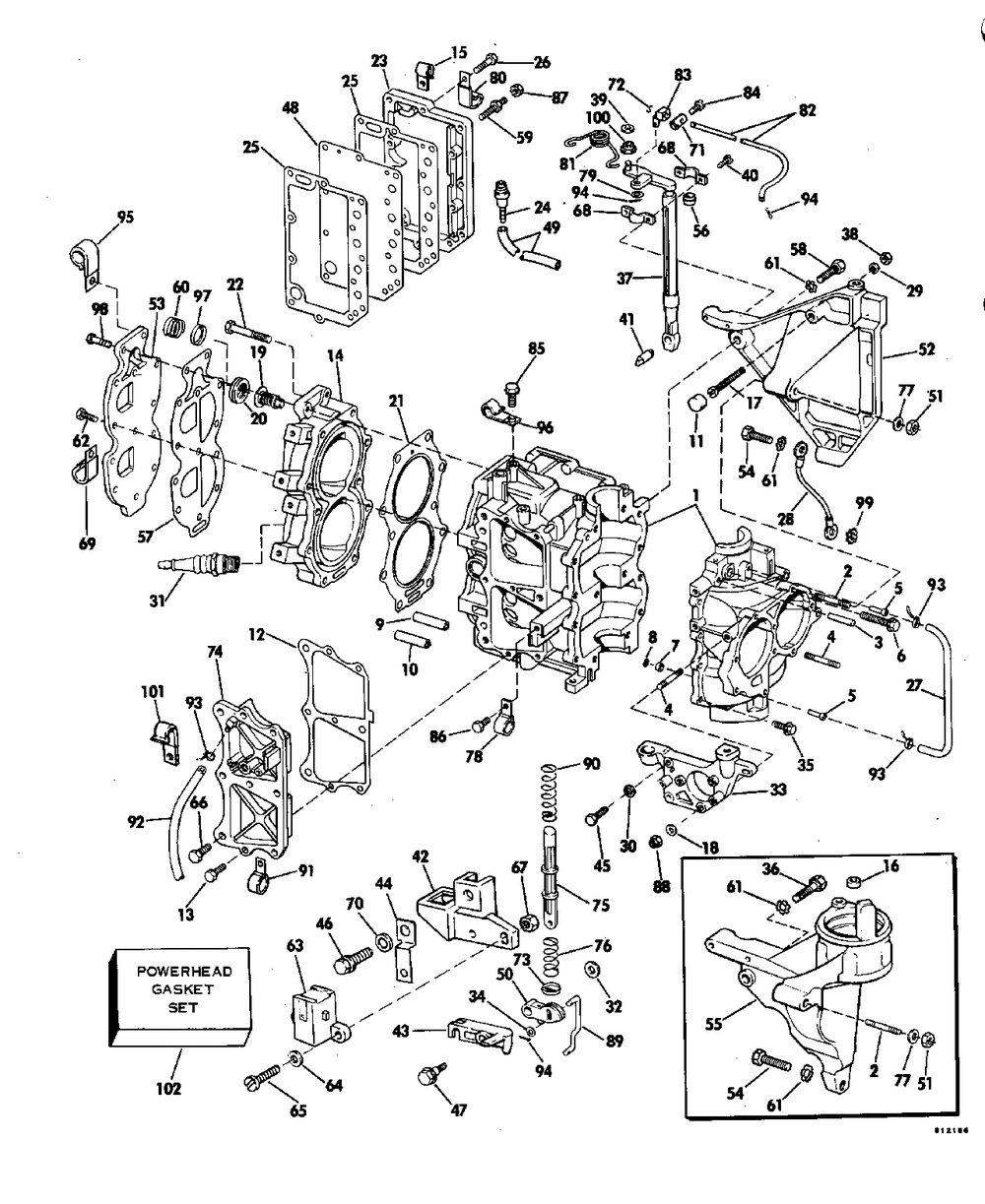
CYLINDER AND CRANKCASE
Корзина пуста
Johnson
J25ECIM
J25ECIM
CYLINDER AND CRANKCASE
№
Наименование
Примечание
Кол-во
1
Детать
1
2
STUD
1
3
PIN 4PK (004 per pack)
1
4
Детать
7
5
NIPPLE
2
6
SCREW
6
7
CHECK VALVE AY
1
8
SCREEN
1
9
DEFLECTOR
1
10
DEFLECTOR
3
11
BUMPER
1
12
FF GASKET CVR CYL
1
13
SCREW
6
14
HEADCYLINDER
1
15
CLAMP 'J'
1
16
SEAL-STARTER
2
17
SCREW/SPARK ADJ E25RCIM - E25RLCIM/J25RCIM - J25RLCIM
1
17
Electric Start Models Only
1
18
WASHER
2
19
THERMOSTAT AY Early Production
1
20
SEAL-THERMO STAT
1
21
HD GASKET32CU"
1
22
SCREW
10
23
Детать
1
24
NIPPLE
1
25
GASKET-EXH CVR
2
26
SCREW
15
28
Детать
1
29
LOCKWASHER
1
30
WASHERLOCK
1
31
SP PLG QL77JC4 (Optional.) (004 per pack)
2
31
S PLUG L77JC4 8PK Optional (008 per pack)
2
32
WASHER
1
33
BRACKET
1
34
WASHER
2
35
SCREW EXH CVR
8
36
SCREW
1
37
Детать
1
38
NUT-SPARK ADJ
1
39
SHIM
1
40
SCREW
2
41
PIN
1
42
BRACKET
1
43
Детать
1
44
GROUND STRAP
1
45
SCREW
1
46
SCREW
1
47
SCREW
1
48
EXH CVR 20CRC - 20CRLC - 25RC - 25RLC 25TEC - 25TELC
1
49
HOSE OVRBD PUMP
1
50
20CRC - 20CRLC - 25RC - 25RLC 25TEC - 25TELC
1
51
NUT
1
52
BRACKET
1
53
Детать
1
55
BRKT EL STARTER ELECTRIC START MODELS
1
56
Детать
1
57
GASKET
1
59
BOLT
1
60
SPRING
1
63
SAFETY SWITCH AY
1
64
WASHER
2
65
SCREW-CAL COVER
2
66
SCREW
3
67
NUT
2
68
FF BEARING CLAMP
2
69
CLAMP
1
70
WASHER
1
70
LOCKWASHER (005 per pack)
1
71
COLLAR
1
72
PIN
2
73
RETAINER
1
74
BY-PASS CVR&NIPPLE
1
75
PLUNGER
1
76
SPRING
1
78
CLAMP
1
81
SPRING
1
82
FF THROTTLE CON RD
1
83
FF PIVOT PIN
2
84
SCREW
1
85
SCREW
1
86
SCREW Electric Start Models
1
87
NUT Electric Start Models
1
89
Детать
1
90
SPRING Manual Start Models
1
91
CLAMP Rope start models
1
93
TIE STRAP 100PK (100 per pack)
0
94
COTTER PIN
4
97
RETAINER SEAL
1
98
SCREW
3
99
WASHER
0
100
SLEEVE
1
102
GASKET SET PWHD
1