Оригинальные каталоги
Масла и жидкости
Масла моторные
Масла трансмиссионные
Жидкости гидравлические
Жидкости охлаждающие
Жидкости тормозные
Масла гидравлические
Масла для вилок и амортизаторов
Масла компрессорные
Жидкости для стекол
Масла для цепей бензопил
Масла индустриальные
Масла промывочные
Раствор мочевины AdBlue
Автоэлектроника
Видеорегистраторы
Пылесосы автомобильные
FM трансмиттеры
Зарядные устройства
Разветвители, удлинители прикуривателя
Кабели
Вентиляторы автомобильные
Штекер прикуривателя
Датчик парктроника
Камеры заднего вида
Мониторы парковочные
Парктроники
Термометры
Накидки на сиденье с подогревом
Автохолодильники
Антирадары
Диагностический сканер
Аксессуары
Набор автомобилиста
Ароматизаторы
Тросы буксировочные
Канистры
Ремни крепления груза
Стяжки-резинки крепления
Сетки для крепления груза
Скотч
Влажные салфетки
Держатели телефонов, планшетов
Карты памяти
Наушники
Аккумулятор холода
Термосумки и контейнеры
Фонарики
Батарейки
Оплетки на руль
Огнетушители
Салфетки, полотенца, варежки
Инструмент
Домкраты
Компрессоры
Манометры
Насосы
Светильники переносные
Шарнирно-губцевый инструмент
Ударный инструмент
Метчики. Плашки
Заклёпочники
Заклёпки
Измерительный инструмент
Свёрла
Отвёртки
Изолента
Надфили. Напильники
Ножи, ножовки
Щётки
Абразивная бумага
Специнструмент
Ключи
Хомуты
Дрель-шуруповерт
Автохимия
Присадки
Промывки
Очистители
Смазки спрей
Смазки пластичные
Герметики
Средство для рук
Клей
Лакокрасочные материалы
Автошампуни
Полироли
Антифриз для тормозной системы
Масло для пропитки фильтров
Антикоррозионные составы
Прочее
Электрооборудование
Зарядные устройства
Инверторы
Конвертеры
Звуковые сигналы
Провода прикуривания
Предохранители
Противотуманные фары
Дневные ходовые огни
Электрика фаркопа
Шины и диски
Автошины
Грузовые шины
Мотошины
Камеры
Мотокамеры
Лента обода шины
Колпаки
Диски
Одежда и экипировка
Жилеты
Запчасти
Аккумуляторы
Лампы
Щетки стеклоочистителя
Гофры глушителя
Велотовары
Велосипеды
Самокаты
Велокамеры
Искать по VIN или номеру детали
Поиск по штрих-коду
Искать по VIN-номеру
Войти
Авторизация
Логин
Пароль
Напомнить пароль
Запомнить
Войти
Зарегистрироваться
Авторизоваться другим способом
Востановить пароль
Введите ваш email:
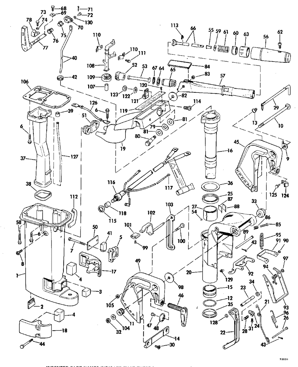
EXHAUST HOUSING
Корзина пуста
Johnson
10EL77A
10EL77A
EXHAUST HOUSING
№
Наименование
Примечание
Кол-во
2
BAFFLE-EXH HSG
1
3
NOT USED ON SEL MODELS
1
4
RUBBER MOUNT
2
5
MOUNT AYTHRUST
2
6
SCREW 5 INCH LONGER PARTS
17
6
Детать
1
7
SCREW
2
8
SCREW
4
9
LINK (9.9 Rope Models. 9.9 Tiller Electric High Thrust Models. 15 Rope Models.)
1
10
TILT BOLT
1
11
SPRING
1
12
O RING
1
13
SPRING-THRUST ROD
1
15
BUSHING
1
16
PIVOT SHAFT
1
17
MOUNT BRACKET LOW
1
18
MOUNT BRACKET-LOW
1
19
Детать
1
20
Детать
1
21
WIRE REV LOCK REL
1
22
HANDLECARRYING
1
23
Детать
1
24
BELLCRANK
1
25
Детать
1
26
PIN
1
27
Детать
1
28
SPRING
1
29
TILT PIN
1
30
SCREW
2
31
SCREW-BELLCRK
1
32
NUT
1
33
WASHER
1
34
WASHER
3
35
WASHER
1
37
Детать
1
38
SEAL 9.9 Models Only
1
39
GROMMET UPPR TUBE
1
40
Детать
1
41
NOT USED ON SEL MODELS
1
42
GROMMET
1
43
COTTER PIN 10PK (010 per pack)
3
44
SCREW
2
45
Детать
1
46
KIT AYCLAMPSCREW
1
47
SCREW-CLMPSCRW (005 per pack)
1
48
PLATESWIVEL
1
49
Детать
1
50
LINK-UPR MTR
1
51
SEAL
1
52
GEARCNTRL SHFT IN
1
53
SHAFT
1
54
PIN
1
55
BUSHING-HDLE
1
56
Rope Start Models
1
57
Детать
1
58
SCREW-EXH HSG
2
59
WASHER
1
60
BLOCK
1
61
Детать
1
62
Детать
1
63
Детать
1
64
WASHER
1
65
GEARSTRG HDL
1
66
GEAR&SHAFT AY
1
67
RETAINING RING
1
68
SCREW
1
69
CLIP
1
70
BELLCRANK SHFT ROD
1
72
PIN
1
73
SCREW
2
74
WASHER
2
75
BUSHING
1
76
Детать
1
77
SHFT LVR & SHFT
1
78
LEVER SHIFT
1
79
Детать
1
80
SCREW
1
81
WASHER
2
82
WASHER
1
83
LOCKNUT
1
84
Детать
1
85
SCREW
1
86
SPRINGSTEER FRICT DT models
1
87
SPACER
1
88
Детать
1
89
PIN
1
90
WASHER
3
91
LOCKING LVR
1
92
LINK-REVERSE LOCK
1
93
LINK
1
94
SPRING
1
95
Детать
2
96
SPRING
1
97
WASHER (9.9 Rope Models. 15 Rope Models. 15 Electric Models.)
2
98
WASHER
1
99
SCREW
1
100
PIN
1
101
KNOB
1
102
LVR & SHAFT A
1
103
LINKTILTLOCK-STBD
1
104
WASHER
1
105
NUT
1
106
GASKET 5PK (005 per pack)
1
107
Детать
1
108
SHAFT
1
109
GEARVERT CNTRL
1
110
Детать
2
111
SCREW
2
112
SEAL EX-HOUSING
1
113
RETAINING RING
1
115
Electric Start Models Only
1
116
Not Shown Electric Start Models Only
1
117
TERM. 40724 (005 per pack)
1
118
Детать
1
119
Детать
1
120
SCREW
2
121
CLAMP BATTY CABLE
1
122
LOCKWASHER (005 per pack)
1
123
NUT 5 in. LONGER PARTS
1
124
CLAMP Electric Start Models Only
1
126
Детать
1
127
WATER TUBE&GROMMET
1
127
WATER TUBE&GROMMET
1
129
FITTING LUBE
1
130
BOW WASHER
1