Оригинальные каталоги
Масла и жидкости
Масла моторные
Масла трансмиссионные
Жидкости гидравлические
Жидкости охлаждающие
Жидкости тормозные
Масла гидравлические
Масла для вилок и амортизаторов
Масла компрессорные
Жидкости для стекол
Масла для цепей бензопил
Масла индустриальные
Масла промывочные
Раствор мочевины AdBlue
Автоэлектроника
Видеорегистраторы
Пылесосы автомобильные
FM трансмиттеры
Зарядные устройства
Разветвители, удлинители прикуривателя
Кабели
Вентиляторы автомобильные
Штекер прикуривателя
Датчик парктроника
Камеры заднего вида
Мониторы парковочные
Парктроники
Термометры
Накидки на сиденье с подогревом
Автохолодильники
Антирадары
Диагностический сканер
Аксессуары
Набор автомобилиста
Ароматизаторы
Тросы буксировочные
Канистры
Ремни крепления груза
Стяжки-резинки крепления
Сетки для крепления груза
Скотч
Влажные салфетки
Держатели телефонов, планшетов
Карты памяти
Наушники
Аккумулятор холода
Термосумки и контейнеры
Фонарики
Батарейки
Оплетки на руль
Огнетушители
Салфетки, полотенца, варежки
Инструмент
Домкраты
Компрессоры
Манометры
Насосы
Светильники переносные
Шарнирно-губцевый инструмент
Ударный инструмент
Метчики. Плашки
Заклёпочники
Заклёпки
Измерительный инструмент
Свёрла
Отвёртки
Изолента
Надфили. Напильники
Ножи, ножовки
Щётки
Абразивная бумага
Специнструмент
Ключи
Хомуты
Дрель-шуруповерт
Автохимия
Присадки
Промывки
Очистители
Смазки спрей
Смазки пластичные
Герметики
Средство для рук
Клей
Лакокрасочные материалы
Автошампуни
Полироли
Антифриз для тормозной системы
Масло для пропитки фильтров
Антикоррозионные составы
Прочее
Электрооборудование
Зарядные устройства
Инверторы
Конвертеры
Звуковые сигналы
Провода прикуривания
Предохранители
Противотуманные фары
Дневные ходовые огни
Электрика фаркопа
Шины и диски
Автошины
Грузовые шины
Мотошины
Камеры
Мотокамеры
Лента обода шины
Колпаки
Диски
Одежда и экипировка
Жилеты
Запчасти
Аккумуляторы
Лампы
Щетки стеклоочистителя
Гофры глушителя
Велотовары
Велосипеды
Самокаты
Велокамеры
Искать по VIN или номеру детали
Поиск по штрих-коду
Искать по VIN-номеру
Войти
Авторизация
Логин
Пароль
Напомнить пароль
Запомнить
Войти
Зарегистрироваться
Авторизоваться другим способом
Востановить пароль
Введите ваш email:
CARBURETOR
Корзина пуста
Johnson
35EL77C
35EL77C
CARBURETOR
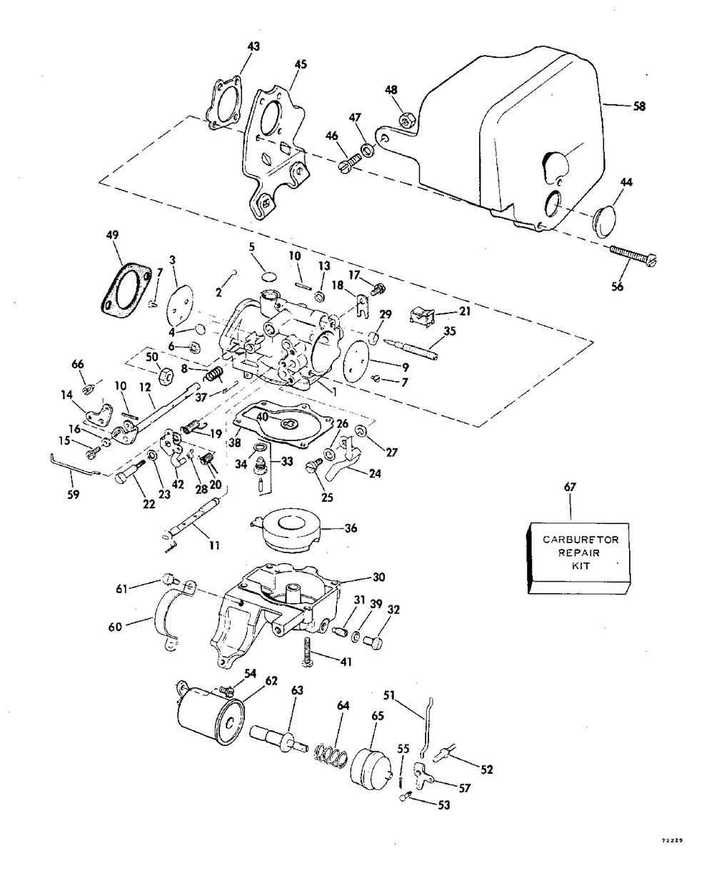
№
Наименование
Примечание
Кол-во
1
35 HP Models only
1
1
25 HP Models only
1
2
LEAD SHOT
1
3
THROTTLE VALVE
1
4
PLUG (Also Available in Carburetor Repair Kit.)
2
5
PLUG 5PK
1
6
FASTENER (Also Available in Carburetor Repair Kit.)
1
7
SCREW
4
8
SPRING
1
9
CHOKE VALVE
1
10
ROLL PIN
2
13
WASHER Middle Carburetor Only
1
14
Детать
1
16
WASHER MIDDLE CARBURETOR ONLY
1
17
SCREW
1
18
CLIP CHOKE
1
19
SPRING
1
20
SPRING
1
21
DETENT CHOKE
1
22
SCREW
1
23
WASHER
1
24
Детать
1
25
SCREW
1
26
BOW WASHER
1
27
WASHER
1
28
Детать
1
29
RETAINER-5 PK (005 per pack)
1
30
Детать
1
31
ORIFICE PLUG 59D J25JREEM Models .
1
31
ORIFICE PLUG-55D J25JREEM Models .
1
32
SCREW
1
33
FLOAT VLV/SEAT (005 per pack)
1
34
WASHER (Also Available in Carburetor Repair Kit.)
1
35
Models With Screw Slot Carb
1
36
FLOAT & ARM (Also Available in Carburetor Repair Kit.)
1
37
PIN (Also Available in Carburetor Repair Kit.)
1
38
GASKET 5PK (005 per pack)
1
39
WASHERFIBER
1
40
GASKET CARB 5PK (005 per pack)
1
41
SCREW
4
41
SCREW
4
42
BELLCRANK
1
43
GASKET
2
44
PLUG
1
45
Детать
1
46
SCREW
1
47
WASHER
1
48
NUT
1
49
GASKET 5PK (005 per pack)
1
50
NUT
2
51
LINK CHOKE ELECTRIC START MODELS
1
52
PIVOT SHAFT ELECTRIC START MODELS
1
53
HINGE PIN AY ELECTRIC START MODELS
1
54
SCREW
1
55
COTTER PIN 10PK (010 per pack)
1
56
SCREW-AIR SILNCR
3
57
LEVER SHFT-LINK ELECTRIC START MODELS
1
58
Детать
1
59
LINK
1
60
CLAMP ELECTRIC START MODELS
1
61
SCREW
3
62
SOLENOID AY Electric Start Models only
1
63
SOLENOID PLNG Electric Start Models only
1
64
SPRING SOLENOID Electric Start Models only
1
65
Electric Start Models only
1
66
RETAINER
1
67
KIT AYCARB REPAIR
1
0388506
35 HP Models only Not Shown
1
0388544
25 HP Models only Not Shown
1