Оригинальные каталоги
Масла и жидкости
Масла моторные
Масла трансмиссионные
Жидкости гидравлические
Жидкости охлаждающие
Жидкости тормозные
Масла гидравлические
Масла для вилок и амортизаторов
Масла компрессорные
Жидкости для стекол
Масла для цепей бензопил
Масла индустриальные
Масла промывочные
Раствор мочевины AdBlue
Автоэлектроника
Видеорегистраторы
Пылесосы автомобильные
FM трансмиттеры
Зарядные устройства
Разветвители, удлинители прикуривателя
Кабели
Вентиляторы автомобильные
Штекер прикуривателя
Датчик парктроника
Камеры заднего вида
Мониторы парковочные
Парктроники
Термометры
Накидки на сиденье с подогревом
Автохолодильники
Антирадары
Диагностический сканер
Аксессуары
Набор автомобилиста
Ароматизаторы
Тросы буксировочные
Канистры
Ремни крепления груза
Стяжки-резинки крепления
Сетки для крепления груза
Скотч
Влажные салфетки
Держатели телефонов, планшетов
Карты памяти
Наушники
Аккумулятор холода
Термосумки и контейнеры
Фонарики
Батарейки
Оплетки на руль
Огнетушители
Салфетки, полотенца, варежки
Инструмент
Домкраты
Компрессоры
Манометры
Насосы
Светильники переносные
Шарнирно-губцевый инструмент
Ударный инструмент
Метчики. Плашки
Заклёпочники
Заклёпки
Измерительный инструмент
Свёрла
Отвёртки
Изолента
Надфили. Напильники
Ножи, ножовки
Щётки
Абразивная бумага
Специнструмент
Ключи
Хомуты
Дрель-шуруповерт
Автохимия
Присадки
Промывки
Очистители
Смазки спрей
Смазки пластичные
Герметики
Средство для рук
Клей
Лакокрасочные материалы
Автошампуни
Полироли
Антифриз для тормозной системы
Масло для пропитки фильтров
Антикоррозионные составы
Прочее
Электрооборудование
Зарядные устройства
Инверторы
Конвертеры
Звуковые сигналы
Провода прикуривания
Предохранители
Противотуманные фары
Дневные ходовые огни
Электрика фаркопа
Шины и диски
Автошины
Грузовые шины
Мотошины
Камеры
Мотокамеры
Лента обода шины
Колпаки
Диски
Одежда и экипировка
Жилеты
Запчасти
Аккумуляторы
Лампы
Щетки стеклоочистителя
Гофры глушителя
Велотовары
Велосипеды
Самокаты
Велокамеры
Искать по VIN или номеру детали
Поиск по штрих-коду
Искать по VIN-номеру
Войти
Авторизация
Логин
Пароль
Напомнить пароль
Запомнить
Войти
Зарегистрироваться
Авторизоваться другим способом
Востановить пароль
Введите ваш email:
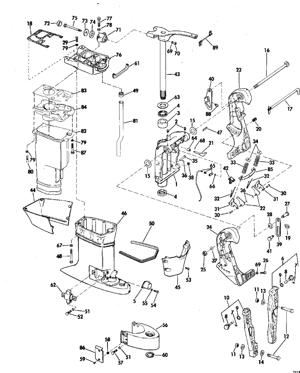
EXHAUST HOUSING-15" TRANSOM
Корзина пуста
Johnson
70EL77S
70EL77S
EXHAUST HOUSING-15" TRANSOM
№
Наименование
Примечание
Кол-во
1
SWIVEL BRKT
1
2
FITTING LUBE
3
3
BUSHING
1
4
SEAL
2
5
THRUST MOUNT
1
6
Детать
1
7
PIN
1
8
Детать
1
9
LOCKWASHER
1
10
Детать
1
11
NUT (004 per pack)
4
12
4 3/4" TRNSM BOLT
4
13
WASHER 5 PK (005 per pack)
4
14
WASHER 5 PK (005 per pack)
2
15
WASHER
2
16
Детать
1
17
ROD & RETAINR
1
18
GASKETPWD-ADPTR
1
19
WASHER Also included in Water Pump Repair Kit 395060
2
20
SPRING
1
21
SHAFT & LEVER
1
22
LOCKING LEVER
2
23
STERN BRKT PORT
1
24
STERN BRKT
1
25
Детать
1
26
SCREW
2
27
SCREW
2
28
WASHER/SPRING
2
29
SCREW
4
30
PIN-LINK
2
31
LINK
2
32
RETAINER
2
33
SPRING
2
34
CUP
2
35
ROD
2
36
COTTER PIN
4
37
Детать
1
38
NUT
4
39
STOP LINK
1
40
STOP LINK PORT
1
41
SCREW
2
42
SPRING
2
43
Детать
1
44
COVER
1
45
Детать
1
46
Детать
1
48
SCREW EXH HSG
6
49
SEAL
1
50
Детать
1
51
LOCKWASHER
8
53
SCREW
4
55
LOCKWASHER 5 PK (005 per pack)
2
56
BRACKET&SCREW AY
1
58
GROMMET
4
59
SCREW COVER
4
60
RETAIN RING
1
61
Детать
1
62
LOWER MOUNT
2
63
WASHER
1
64
BUSHING
1
65
Детать
1
66
WASHER
1
67
Детать
6
68
COTTER PIN
1
70
NUT 30RC-30RLC-35RC-35RLC Models Only 30TEC-30TELC Models Only
2
71
Детать
2
72
BUMPER
2
74
WASHER
2
75
SCREW
2
76
ADAPTOR
1
77
SCREW
4
80
SCREW
4
81
Детать
1
82
Детать
1
83
GASKET
1
84
Used on 70 HP models only
1
85
PLATE
1
86
Детать
2
87
SCREW 5 PK (005 per pack)
4
88
BUMPER
1
89
LEAD AYBONDING
1
0312911
Not Shown
1
0381836
MOTOR MOUNT Not Shown
1