Оригинальные каталоги
Масла и жидкости
Масла моторные
Масла трансмиссионные
Жидкости гидравлические
Жидкости охлаждающие
Жидкости тормозные
Масла гидравлические
Масла для вилок и амортизаторов
Масла компрессорные
Жидкости для стекол
Масла для цепей бензопил
Масла индустриальные
Масла промывочные
Раствор мочевины AdBlue
Автоэлектроника
Видеорегистраторы
Пылесосы автомобильные
FM трансмиттеры
Зарядные устройства
Разветвители, удлинители прикуривателя
Кабели
Вентиляторы автомобильные
Штекер прикуривателя
Датчик парктроника
Камеры заднего вида
Мониторы парковочные
Парктроники
Термометры
Накидки на сиденье с подогревом
Автохолодильники
Антирадары
Диагностический сканер
Аксессуары
Набор автомобилиста
Ароматизаторы
Тросы буксировочные
Канистры
Ремни крепления груза
Стяжки-резинки крепления
Сетки для крепления груза
Скотч
Влажные салфетки
Держатели телефонов, планшетов
Карты памяти
Наушники
Аккумулятор холода
Термосумки и контейнеры
Фонарики
Батарейки
Оплетки на руль
Огнетушители
Салфетки, полотенца, варежки
Инструмент
Домкраты
Компрессоры
Манометры
Насосы
Светильники переносные
Шарнирно-губцевый инструмент
Ударный инструмент
Метчики. Плашки
Заклёпочники
Заклёпки
Измерительный инструмент
Свёрла
Отвёртки
Изолента
Надфили. Напильники
Ножи, ножовки
Щётки
Абразивная бумага
Специнструмент
Ключи
Хомуты
Дрель-шуруповерт
Автохимия
Присадки
Промывки
Очистители
Смазки спрей
Смазки пластичные
Герметики
Средство для рук
Клей
Лакокрасочные материалы
Автошампуни
Полироли
Антифриз для тормозной системы
Масло для пропитки фильтров
Антикоррозионные составы
Прочее
Электрооборудование
Зарядные устройства
Инверторы
Конвертеры
Звуковые сигналы
Провода прикуривания
Предохранители
Противотуманные фары
Дневные ходовые огни
Электрика фаркопа
Шины и диски
Автошины
Грузовые шины
Мотошины
Камеры
Мотокамеры
Лента обода шины
Колпаки
Диски
Одежда и экипировка
Жилеты
Запчасти
Аккумуляторы
Лампы
Щетки стеклоочистителя
Гофры глушителя
Велотовары
Велосипеды
Самокаты
Велокамеры
Искать по VIN или номеру детали
Поиск по штрих-коду
Искать по VIN-номеру
Войти
Авторизация
Логин
Пароль
Напомнить пароль
Запомнить
Войти
Зарегистрироваться
Авторизоваться другим способом
Востановить пароль
Введите ваш email:
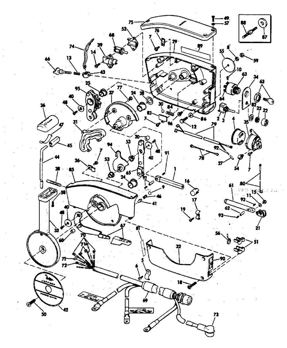
REMOTE CONTROL
Корзина пуста
Johnson
85EL76D
85EL76D
REMOTE CONTROL
№
Наименование
Примечание
Кол-во
1
CASING GUIDE
2
2
SWITCH AY
1
3
NUT CHOK SWCH 40TTL Models Only
1
4
Детать
1
5
CLAMP GAS LIN
4
6
SCREW
4
7
SCREW
7
8
LOCKWASHER
3
9
PLUG
1
10
SCREWSLOTTED
4
11
WASHER
1
12
SCREW CONTROL MTG
3
13
SPRING
1
14
SCREW
2
15
NUT
1
16
TRUNNION CAP
2
17
CLAMP
5
18
SCREW
5
19
SCREW
5
20
ROLLER
1
22
BOOT
1
23
NUT
1
24
BUSHING
2
25
BUSHING
1
26
GUIDE
2
27
TUBING
2
28
WASHERSPRING
1
29
Детать
1
30
BALL
1
31
Детать
1
32
Детать
1
33
USED ON MODELS WITHOUT POWER TILT AND TRIM
1
34
Детать
1
35
MTG BRACKET
1
36
USED ON MODELS WITHOUT POWER TILT AND TRIM
1
37
Детать
1
38
SET SCREW
1
39
Детать
1
40
WASHER
3
41
Детать
1
42
Детать
1
43
NUT
1
44
LEVER
1
45
Детать
1
46
SPRING
1
47
SPRING USED ON MODELS WITHOUT POWER TILT AND TRIM
1
48
SCREW
3
49
SCREW
3
50
SCREW
1
51
Детать
2
52
Детать
1
53
BUSHING
2
54
Детать
1
55
WASHER
3
56
TIE STRAP 100 PK (100 per pack)
1
57
WASHER
3
58
SCREW
2
60
Детать
1
61
GUIDE & ORING
2
62
RETAIN RING
2
63
IGN SWTCH KT73-77
1
65
THROTTLE LVR
1
66
KNOB&SCREW AY
1
67
Детать
1
68
Детать
1
69
NUT
3
69
Детать
1
70
TERM. 40724 (005 per pack)
3
71
TERM.41532
3
72
RING TERMINAL
1
73
CVRBATTERY CABLE
1
74
LEVER ARM & PAD AY
1
75
Детать
1
76
Детать
1
77
SCREW
3
78
LEAD AY
1
79
LEAD ASSEMBLY
1
80
Детать
1
81
Детать
1
82
WASHER
1
83
Детать
1
84
SPRING
1
85
Детать
1
86
WASHER
3
87
WASHER
2
88
STUD
2
89
Детать
1
90
Детать
1
91
CLAMP & SCREW
2
92
TERM.485043-1
1
93
SET SCREW
4
94
LINK
1
95
SHIFT LVR RE CONT
1
96
SCREW
1
0386057
OPTIONAL MOUNT KIT Not Shown
1
0387371
Not Shown. USE THROTTLE AND SHIFT CABLES (377365 5 FT) THRU (379850 50 FT). FOR DUAL INSTALLTION ON STBD. SIDE OR SINGLE INSTALLATION ON PORT SIDE
1