Оригинальные каталоги
Масла и жидкости
Масла моторные
Масла трансмиссионные
Жидкости гидравлические
Жидкости охлаждающие
Жидкости тормозные
Масла гидравлические
Масла для вилок и амортизаторов
Масла компрессорные
Жидкости для стекол
Масла для цепей бензопил
Масла индустриальные
Масла промывочные
Раствор мочевины AdBlue
Автоэлектроника
Видеорегистраторы
Пылесосы автомобильные
FM трансмиттеры
Зарядные устройства
Разветвители, удлинители прикуривателя
Кабели
Вентиляторы автомобильные
Штекер прикуривателя
Датчик парктроника
Камеры заднего вида
Мониторы парковочные
Парктроники
Термометры
Накидки на сиденье с подогревом
Автохолодильники
Антирадары
Диагностический сканер
Аксессуары
Набор автомобилиста
Ароматизаторы
Тросы буксировочные
Канистры
Ремни крепления груза
Стяжки-резинки крепления
Сетки для крепления груза
Скотч
Влажные салфетки
Держатели телефонов, планшетов
Карты памяти
Наушники
Аккумулятор холода
Термосумки и контейнеры
Фонарики
Батарейки
Оплетки на руль
Огнетушители
Салфетки, полотенца, варежки
Инструмент
Домкраты
Компрессоры
Манометры
Насосы
Светильники переносные
Шарнирно-губцевый инструмент
Ударный инструмент
Метчики. Плашки
Заклёпочники
Заклёпки
Измерительный инструмент
Свёрла
Отвёртки
Изолента
Надфили. Напильники
Ножи, ножовки
Щётки
Абразивная бумага
Специнструмент
Ключи
Хомуты
Дрель-шуруповерт
Автохимия
Присадки
Промывки
Очистители
Смазки спрей
Смазки пластичные
Герметики
Средство для рук
Клей
Лакокрасочные материалы
Автошампуни
Полироли
Антифриз для тормозной системы
Масло для пропитки фильтров
Антикоррозионные составы
Прочее
Электрооборудование
Зарядные устройства
Инверторы
Конвертеры
Звуковые сигналы
Провода прикуривания
Предохранители
Противотуманные фары
Дневные ходовые огни
Электрика фаркопа
Шины и диски
Автошины
Грузовые шины
Мотошины
Камеры
Мотокамеры
Лента обода шины
Колпаки
Диски
Одежда и экипировка
Жилеты
Запчасти
Аккумуляторы
Лампы
Щетки стеклоочистителя
Гофры глушителя
Велотовары
Велосипеды
Самокаты
Велокамеры
Искать по VIN или номеру детали
Поиск по штрих-коду
Искать по VIN-номеру
Войти
Авторизация
Логин
Пароль
Напомнить пароль
Запомнить
Войти
Зарегистрироваться
Авторизоваться другим способом
Востановить пароль
Введите ваш email:
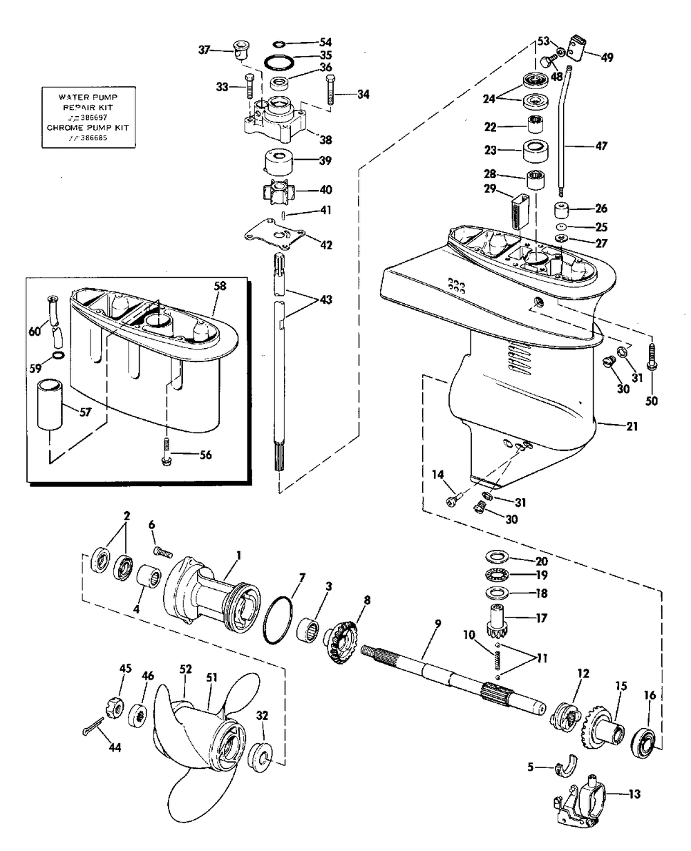
GEARCASE
Корзина пуста
Johnson
15EL74G
15EL74G
GEARCASE
№
Наименование
Примечание
Кол-во
1
HOUSING AYPROPSFT
1
2
OIL RET 5 PK (005 per pack)
2
3
BRG AY-REV GR
1
4
BEARING AY
1
5
CRADLE&SHIFTER AY
1
6
SCREW
2
7
O RING 5PK (Contents of Gearcase Seal Kit.) (005 per pack)
1
8
GEARS & CLUTCH DOG
1
9
KIT AYPROPSHAFT
1
10
DETENT SPRING
1
11
BALL DETENT (005 per pack)
2
12
CRADLE&SHIFTER AY
1
13
SHIFT LVR&YOKE AY
1
14
PIVOT PIN & WASHER
1
15
GEARS & CLUTCH DOG
1
16
ROLLER BRG AY
1
17
PINION-DS-12:29
1
18
THRUST WASHER
2
19
Детать
1
20
WASHERTHRUST
1
21
Детать
1
22
BEARING AY
1
23
SLEEVE
1
24
OIL SEAL
2
25
O RING Contents of Gearcase Seal Kit (005 per pack)
1
26
BUSHING J 2PK (002 per pack)
1
27
WASHER
1
28
BEARING AY
1
29
Детать
1
30
DRAIN FILL PLG 10P (010 per pack)
2
31
WASHER-10 PK (010 per pack)
1
32
THRUST WASHER
1
33
SCREW 5 PK (005 per pack)
2
34
SCREW-EXH HSG
2
35
SEAL-IMP HSG 5PK (Contents of Gearcase Seal Kit. Contents of Water Pump Repair Kit.) (005 per pack)
1
36
SEAL (Contents of Gearcase Seal Kit. Contents of Water Pump Repair Kit.)
1
37
GROMMET (005 per pack)
1
38
WATER PUMP KIT
1
39
WATER PUMP KIT
1
40
IMPELLER AY (Contents of Water Pump Repair Kit.)
1
41
DOWEL (Contents of Water Pump Repair Kit. RL RVL EL EVL Models.)
1
42
PLATE-IMP HSG (Contents of Water Pump Repair Kit.)
1
43
Детать
1
43
DSHAFT&PINION AY
1
44
COTTER PIN
1
45
PROP NUT
1
46
THRUST WASHER-PROP
1
47
SHIFT ROD-LWR
1
47
SHIFT RODLWR 20"
1
48
SCREW (005 per pack)
2
49
CONNECTORSHFT ROD
1
50
SCREW 5 INCH LONGER PARTS
6
51
Детать
1
51
PROPAL 9.25X10
1
51
Детать
1
52
CONVERGING RING
1
53
LOCKWASHER
2
54
O RING 5 PK Contents of Water Pump Repair Kit (005 per pack)
1
57
EXTENSION
1
58
G-CASE EXTENSION 5 INCH LONGER PARTS
1
59
O-RING (005 per pack)
1
60
EXTENSION WTR TUBE (RL Models.)
1
0386680
Not Shown
1
0386710
Not Shown
1