Оригинальные каталоги
Масла и жидкости
Масла моторные
Масла трансмиссионные
Жидкости гидравлические
Жидкости охлаждающие
Жидкости тормозные
Масла гидравлические
Масла для вилок и амортизаторов
Масла компрессорные
Жидкости для стекол
Масла для цепей бензопил
Масла индустриальные
Масла промывочные
Раствор мочевины AdBlue
Автоэлектроника
Видеорегистраторы
Пылесосы автомобильные
FM трансмиттеры
Зарядные устройства
Разветвители, удлинители прикуривателя
Кабели
Вентиляторы автомобильные
Штекер прикуривателя
Датчик парктроника
Камеры заднего вида
Мониторы парковочные
Парктроники
Термометры
Накидки на сиденье с подогревом
Автохолодильники
Антирадары
Диагностический сканер
Аксессуары
Набор автомобилиста
Ароматизаторы
Тросы буксировочные
Канистры
Ремни крепления груза
Стяжки-резинки крепления
Сетки для крепления груза
Скотч
Влажные салфетки
Держатели телефонов, планшетов
Карты памяти
Наушники
Аккумулятор холода
Термосумки и контейнеры
Фонарики
Батарейки
Оплетки на руль
Огнетушители
Салфетки, полотенца, варежки
Инструмент
Домкраты
Компрессоры
Манометры
Насосы
Светильники переносные
Шарнирно-губцевый инструмент
Ударный инструмент
Метчики. Плашки
Заклёпочники
Заклёпки
Измерительный инструмент
Свёрла
Отвёртки
Изолента
Надфили. Напильники
Ножи, ножовки
Щётки
Абразивная бумага
Специнструмент
Ключи
Хомуты
Дрель-шуруповерт
Автохимия
Присадки
Промывки
Очистители
Смазки спрей
Смазки пластичные
Герметики
Средство для рук
Клей
Лакокрасочные материалы
Автошампуни
Полироли
Антифриз для тормозной системы
Масло для пропитки фильтров
Антикоррозионные составы
Прочее
Электрооборудование
Зарядные устройства
Инверторы
Конвертеры
Звуковые сигналы
Провода прикуривания
Предохранители
Противотуманные фары
Дневные ходовые огни
Электрика фаркопа
Шины и диски
Автошины
Грузовые шины
Мотошины
Камеры
Мотокамеры
Лента обода шины
Колпаки
Диски
Одежда и экипировка
Жилеты
Запчасти
Аккумуляторы
Лампы
Щетки стеклоочистителя
Гофры глушителя
Велотовары
Велосипеды
Самокаты
Велокамеры
Искать по VIN или номеру детали
Поиск по штрих-коду
Искать по VIN-номеру
Войти
Авторизация
Логин
Пароль
Напомнить пароль
Запомнить
Войти
Зарегистрироваться
Авторизоваться другим способом
Востановить пароль
Введите ваш email:
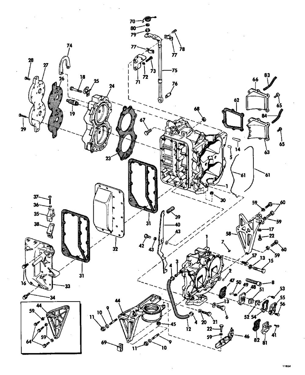
CYLINDER & CRANKCASE
Корзина пуста
Johnson
40R71B
40R71B
CYLINDER & CRANKCASE
№
Наименование
Примечание
Кол-во
1
Детать
1
2
PLUG
1
3
NIPPLE
1
4
Детать
2
5
DOWEL
3
6
Детать
2
7
PLUG
3
8
SCREW
2
9
STUD
3
10
WASHER
3
11
NUT
3
12
HOSE 20" LONG
1
13
WASHER
4
14
PIN
2
15
SCREW
2
16
SCREW
1
17
WASHER
1
18
SCREW
10
19
SP PLG J4C 8PK Optional spark plug for special applications Champion UJ81J OMC Part tahos_388150 (008 per pack)
2
19
Детать
2
20
LOCKWASHER
1
21
SCREW Electric Start Models
1
22
SCREW
2
23
Детать
1
24
Детать
1
25
BRACKET
1
26
GASKET
1
27
CYL HEAD COVER
1
29
SCREW
10
30
NUT
2
31
GASKET
2
32
COVER
1
33
Детать
1
35
SAFETY SWITCH AY
1
36
WASHER 25 TE Models Electric Start 35 Models
2
37
SCREW
2
38
BRACKET
1
39
SPRING
1
40
LOCK OUT
1
41
SCREW Early Production
1
42
SCREW-SHIFT LOCK
1
43
Детать
2
44
BRACKET Electric Start Models
1
44
BRACKET
1
45
SEAL-STARTER
2
46
GUARD Electric Start Models
1
47
40 HP "B" MODELS ONLY
1
48
LEAF PLT&SCREEN AY 40 HP "B" MODELS ONLY
1
49
DRAIN VALVE SCREEN 40 HP "B" MODELS ONLY
2
50
SPRING 40 HP "B" MODELS ONLY
2
51
LEAF VALVE 40 HP "B" MODELS ONLY
1
52
PLATE 40 HP "B" MODELS ONLY
1
53
SCREW
2
54
GASKET 40 HP "B" MODELS ONLY
1
55
COVER 40 HP "B" MODELS ONLY
1
56
SCREW
2
57
SCREW
8
58
Детать
1
59
LOCKWASHER
0
60
SCREW
3
62
GASKET
2
63
Детать
1
63
COVER 40 HP "B" MODELS ONLY
1
64
SCREW
3
65
HEX CAP SCREW
12
66
BY-PASS CVR-U
1
66
COVERBY-PASS-UPR 40 HP "B" MODELS ONLY
1
67
SCREW
1
68
NUT
1
69
J-CLAMP
1
70
SPRING
1
71
BRACKET
1
72
LOCKWASHER
2
73
SCREW
2
74
BRACKET
1
75
LEVER&PIN AYCONT
1
76
PIN
1
77
CLAMP
2
78
SCREW
2
79
SLEEVE
1
80
SHIM
1
81
HSG & VLVE AY
1
82
GSKT-CCASE
1
83
HOSE 1/16" (025 per pack)
1
84
HOSE 1/16" (025 per pack)
1
0379945
GASKET SET Not Shown
1