Оригинальные каталоги
Масла и жидкости
Масла моторные
Масла трансмиссионные
Жидкости гидравлические
Жидкости охлаждающие
Жидкости тормозные
Масла гидравлические
Масла для вилок и амортизаторов
Масла компрессорные
Жидкости для стекол
Масла для цепей бензопил
Масла индустриальные
Масла промывочные
Раствор мочевины AdBlue
Автоэлектроника
Видеорегистраторы
Пылесосы автомобильные
FM трансмиттеры
Зарядные устройства
Разветвители, удлинители прикуривателя
Кабели
Вентиляторы автомобильные
Штекер прикуривателя
Датчик парктроника
Камеры заднего вида
Мониторы парковочные
Парктроники
Термометры
Накидки на сиденье с подогревом
Автохолодильники
Антирадары
Диагностический сканер
Аксессуары
Набор автомобилиста
Ароматизаторы
Тросы буксировочные
Канистры
Ремни крепления груза
Стяжки-резинки крепления
Сетки для крепления груза
Скотч
Влажные салфетки
Держатели телефонов, планшетов
Карты памяти
Наушники
Аккумулятор холода
Термосумки и контейнеры
Фонарики
Батарейки
Оплетки на руль
Огнетушители
Салфетки, полотенца, варежки
Инструмент
Домкраты
Компрессоры
Манометры
Насосы
Светильники переносные
Шарнирно-губцевый инструмент
Ударный инструмент
Метчики. Плашки
Заклёпочники
Заклёпки
Измерительный инструмент
Свёрла
Отвёртки
Изолента
Надфили. Напильники
Ножи, ножовки
Щётки
Абразивная бумага
Специнструмент
Ключи
Хомуты
Дрель-шуруповерт
Автохимия
Присадки
Промывки
Очистители
Смазки спрей
Смазки пластичные
Герметики
Средство для рук
Клей
Лакокрасочные материалы
Автошампуни
Полироли
Антифриз для тормозной системы
Масло для пропитки фильтров
Антикоррозионные составы
Прочее
Электрооборудование
Зарядные устройства
Инверторы
Конвертеры
Звуковые сигналы
Провода прикуривания
Предохранители
Противотуманные фары
Дневные ходовые огни
Электрика фаркопа
Шины и диски
Автошины
Грузовые шины
Мотошины
Камеры
Мотокамеры
Лента обода шины
Колпаки
Диски
Одежда и экипировка
Жилеты
Запчасти
Аккумуляторы
Лампы
Щетки стеклоочистителя
Гофры глушителя
Велотовары
Велосипеды
Самокаты
Велокамеры
Искать по VIN или номеру детали
Поиск по штрих-коду
Искать по VIN-номеру
Войти
Авторизация
Логин
Пароль
Напомнить пароль
Запомнить
Войти
Зарегистрироваться
Авторизоваться другим способом
Востановить пароль
Введите ваш email:
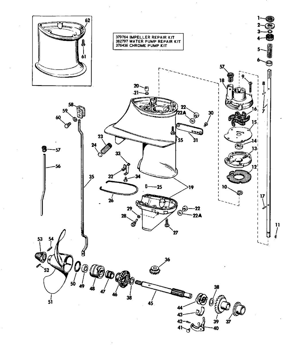
GEARCASE
Корзина пуста
Johnson
6RL71G
6RL71G
GEARCASE
№
Наименование
Примечание
Кол-во
1
GASKET
1
2
PLATED'SHFT-CCASE
1
3
O RING Contents of Gearcase Seal Kit
1
4
SEAL
1
5
SPRING
1
6
WASHER
1
7
Детать
1
7
DR-SHFT&PIN 15"
1
8
ROLL PIN
1
9
SCREW
4
10
RETAINER
1
11
KEY
1
12
GASKET
1
13
Детать
1
14
OIL SEAL
1
15
PLATE
1
16
IMPELLER & KEY
1
17
IMP PIN
1
18
IMPELLER HSG
1
19
GCASE BUSH&PIN AY
1
20
BUSHING
1
21
O RING Contents of Gearcase Seal Kit (005 per pack)
1
22
DRAIN FILL PLG 10P (010 per pack)
2
22A
WASHER-10 PK (010 per pack)
1
23
SCREEN
1
24
PLUG
1
25
DOWEL (Contents of Water Pump Repair Kit. RL RVL EL EVL Models.)
1
27
SCREW
6
28
PIVOT PIN & WASHER
1
29
SEAL SCREW (010 per pack)
1
30
SCREW
2
31
Детать
1
32
SPRING
1
33
Детать
1
34
SCREW
1
35
Детать
1
36
PINION GEAR
1
37
BEARING
0
38
Детать
2
39
GEAR & BSHNG-FWD
1
40
LEVER
1
41
PIN
1
42
COTTER PIN
1
43
CRADLE
1
44
SHIFTER
1
45
PROP SHAFT
1
46
GEAR REVERSE
1
47
BUSHING
1
48
Детать
1
49
OIL RETAINER
1
50
O RING
1
51
PROP8X7.25 2BLD
1
52
COTTER PIN 10 PK (010 per pack)
1
53
PROP NUT
2
54
DRIVE PIN (010 per pack)
1
55
SCREW
4
56
WATER TUBE
1
56
WATER TUBE
1
57
GROMMET (005 per pack)
2
58
CONNECTORSHFT ROD 20 INCH (508mm) LONG PARTS
1
58
CONNECTORSHFT ROD
1
59
LOCKWASHER
2
60
SCREW (005 per pack)
2
62
Детать
1
0311382
SHIFT ROD
1
0381294
Not Shown
1
0382795
Not Shown
1