Оригинальные каталоги
Масла и жидкости
Масла моторные
Масла трансмиссионные
Жидкости гидравлические
Жидкости охлаждающие
Жидкости тормозные
Масла гидравлические
Масла для вилок и амортизаторов
Масла компрессорные
Жидкости для стекол
Масла для цепей бензопил
Масла индустриальные
Масла промывочные
Раствор мочевины AdBlue
Автоэлектроника
Видеорегистраторы
Пылесосы автомобильные
FM трансмиттеры
Зарядные устройства
Разветвители, удлинители прикуривателя
Кабели
Вентиляторы автомобильные
Штекер прикуривателя
Датчик парктроника
Камеры заднего вида
Мониторы парковочные
Парктроники
Термометры
Накидки на сиденье с подогревом
Автохолодильники
Антирадары
Диагностический сканер
Аксессуары
Набор автомобилиста
Ароматизаторы
Тросы буксировочные
Канистры
Ремни крепления груза
Стяжки-резинки крепления
Сетки для крепления груза
Скотч
Влажные салфетки
Держатели телефонов, планшетов
Карты памяти
Наушники
Аккумулятор холода
Термосумки и контейнеры
Фонарики
Батарейки
Оплетки на руль
Огнетушители
Салфетки, полотенца, варежки
Инструмент
Домкраты
Компрессоры
Манометры
Насосы
Светильники переносные
Шарнирно-губцевый инструмент
Ударный инструмент
Метчики. Плашки
Заклёпочники
Заклёпки
Измерительный инструмент
Свёрла
Отвёртки
Изолента
Надфили. Напильники
Ножи, ножовки
Щётки
Абразивная бумага
Специнструмент
Ключи
Хомуты
Дрель-шуруповерт
Автохимия
Присадки
Промывки
Очистители
Смазки спрей
Смазки пластичные
Герметики
Средство для рук
Клей
Лакокрасочные материалы
Автошампуни
Полироли
Антифриз для тормозной системы
Масло для пропитки фильтров
Антикоррозионные составы
Прочее
Электрооборудование
Зарядные устройства
Инверторы
Конвертеры
Звуковые сигналы
Провода прикуривания
Предохранители
Противотуманные фары
Дневные ходовые огни
Электрика фаркопа
Шины и диски
Автошины
Грузовые шины
Мотошины
Камеры
Мотокамеры
Лента обода шины
Колпаки
Диски
Одежда и экипировка
Жилеты
Запчасти
Аккумуляторы
Лампы
Щетки стеклоочистителя
Гофры глушителя
Велотовары
Велосипеды
Самокаты
Велокамеры
Искать по VIN или номеру детали
Поиск по штрих-коду
Искать по VIN-номеру
Войти
Авторизация
Логин
Пароль
Напомнить пароль
Запомнить
Войти
Зарегистрироваться
Авторизоваться другим способом
Востановить пароль
Введите ваш email:
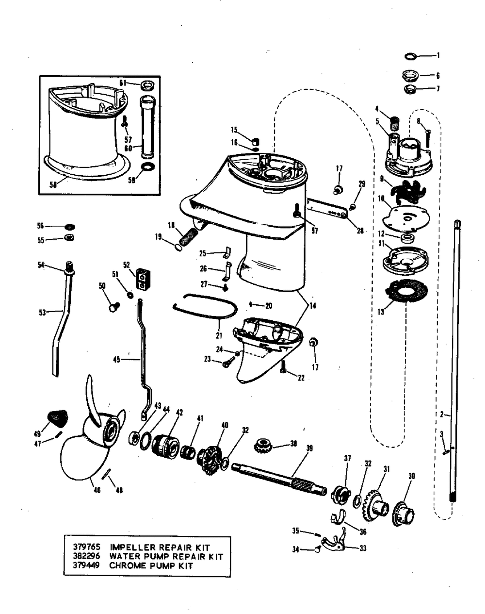
GEARCASE GROUP
Корзина пуста
Johnson
9RL70A
9RL70A
GEARCASE GROUP
№
Наименование
Примечание
Кол-во
1
O RING 5 PK Contents of Water Pump Repair Kit (005 per pack)
1
2
Детать
1
2
DRIVE SHAFT
1
3
PIN
1
4
GROMMET (005 per pack)
1
5
IMP HSG CONTENTS OF WATER PUMP REPAIR KIT
1
6
Детать
1
7
Детать
1
8
SCREW
4
9
IMPELLER (377178) CONTENTS OF WATER PUMP REPAIR KIT
1
10
PLATE
1
11
Детать
1
12
OIL RETAINER
1
13
GASKET
1
14
Детать
1
15
BUSHING
1
16
O RING Contents of Gearcase Seal Kit (005 per pack)
1
17
DRAIN FILL PLG 10P (010 per pack)
2
18
SCREEN
1
19
PLUG
1
20
DOWEL (Contents of Water Pump Repair Kit. RL RVL EL EVL Models.)
1
22
SCREW
6
23
PIVOT PIN & WASHER
1
24
SEAL SCREW (010 per pack)
1
25
SPRING
1
26
Детать
1
27
SCREW
1
28
Детать
1
29
SCREW
2
30
BEARING
1
31
GEAR&BUSHING FWD
1
32
Детать
2
33
LEVER
1
34
PIN
1
35
COTTER PIN
1
36
CRADLE
1
37
SHIFTER
1
38
PINION
1
39
PROP SHAFT
1
40
GEARREVERSE
1
41
BUSHING
1
42
Детать
1
44
O RING
1
45
Детать
1
45
SHIFT ROD
1
46
PROPAL 8-1/4X8
1
47
COTTER PIN 10 PK (010 per pack)
1
48
DRIVE PIN (010 per pack)
1
49
PROP NUT
1
50
SCREW (005 per pack)
2
51
LOCKWASHER
2
52
CONNECTORSHFT ROD
1
53
Детать
1
53
Детать
1
54
PUSH NUT
1
55
Детать
1
56
O RING
1
57
Детать
4
58
Детать
1
59
O RING
1
60
SPACER
1
61
Детать
1
0202893
O-RING (005 per pack)
1
0300630
SCREW
2
0304081
CONNECTORSHFT ROD 20 INCH (508mm) LONG PARTS
1
0311150
Not Shown
1
0311598
WASHER-10 PK (010 per pack)
1
0313079
WASHER
2
0380022
Not Shown
1
0382575
Not Shown
1