Оригинальные каталоги
Масла и жидкости
Масла моторные
Масла трансмиссионные
Жидкости гидравлические
Жидкости охлаждающие
Жидкости тормозные
Масла гидравлические
Масла для вилок и амортизаторов
Масла компрессорные
Жидкости для стекол
Масла для цепей бензопил
Масла индустриальные
Масла промывочные
Раствор мочевины AdBlue
Автоэлектроника
Видеорегистраторы
Пылесосы автомобильные
FM трансмиттеры
Зарядные устройства
Разветвители, удлинители прикуривателя
Кабели
Вентиляторы автомобильные
Штекер прикуривателя
Датчик парктроника
Камеры заднего вида
Мониторы парковочные
Парктроники
Термометры
Накидки на сиденье с подогревом
Автохолодильники
Антирадары
Диагностический сканер
Аксессуары
Набор автомобилиста
Ароматизаторы
Тросы буксировочные
Канистры
Ремни крепления груза
Стяжки-резинки крепления
Сетки для крепления груза
Скотч
Влажные салфетки
Держатели телефонов, планшетов
Карты памяти
Наушники
Аккумулятор холода
Термосумки и контейнеры
Фонарики
Батарейки
Оплетки на руль
Огнетушители
Салфетки, полотенца, варежки
Инструмент
Домкраты
Компрессоры
Манометры
Насосы
Светильники переносные
Шарнирно-губцевый инструмент
Ударный инструмент
Метчики. Плашки
Заклёпочники
Заклёпки
Измерительный инструмент
Свёрла
Отвёртки
Изолента
Надфили. Напильники
Ножи, ножовки
Щётки
Абразивная бумага
Специнструмент
Ключи
Хомуты
Дрель-шуруповерт
Автохимия
Присадки
Промывки
Очистители
Смазки спрей
Смазки пластичные
Герметики
Средство для рук
Клей
Лакокрасочные материалы
Автошампуни
Полироли
Антифриз для тормозной системы
Масло для пропитки фильтров
Антикоррозионные составы
Прочее
Электрооборудование
Зарядные устройства
Инверторы
Конвертеры
Звуковые сигналы
Провода прикуривания
Предохранители
Противотуманные фары
Дневные ходовые огни
Электрика фаркопа
Шины и диски
Автошины
Грузовые шины
Мотошины
Камеры
Мотокамеры
Лента обода шины
Колпаки
Диски
Одежда и экипировка
Жилеты
Запчасти
Аккумуляторы
Лампы
Щетки стеклоочистителя
Гофры глушителя
Велотовары
Велосипеды
Самокаты
Велокамеры
Искать по VIN или номеру детали
Поиск по штрих-коду
Искать по VIN-номеру
Войти
Авторизация
Логин
Пароль
Напомнить пароль
Запомнить
Войти
Зарегистрироваться
Авторизоваться другим способом
Востановить пароль
Введите ваш email:
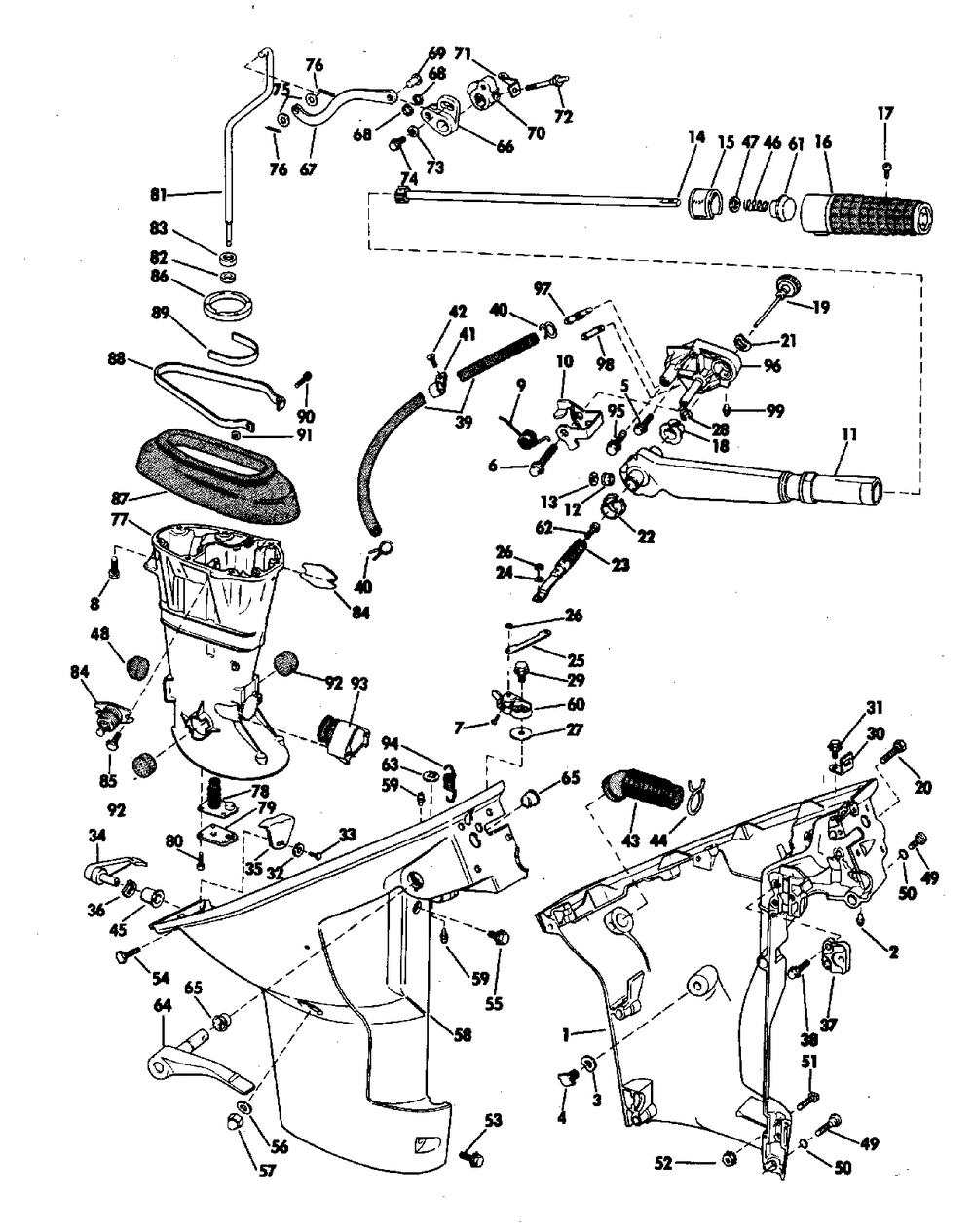
LOWER UNIT GROUP
Корзина пуста
Johnson
9RL70A
9RL70A
LOWER UNIT GROUP
№
Наименование
Примечание
Кол-во
1
Детать
1
2
FITTING
1
3
WASHER
1
4
LOCK PIN
1
5
Детать
1
6
SCREW
1
7
SCREW
1
8
SCREW
7
9
SPRING
1
10
STOP
1
11
HDLE & BSHNG
1
12
BUSHING STRG HNDL ROPE START MODELS
1
13
WASHER 22.5 INCH (572mm) LONG PARTS
1
14
Детать
1
15
Детать
1
16
USED ON MANUAL START MODELS ONLY
1
17
Детать
1
18
BUSHING
1
19
KNOB AY
1
20
SCREW
1
21
WASHER ELECTRIC START MODELS ONLY
1
22
BUSHING
1
23
Детать
1
24
WASHER
1
25
LINK
1
26
RETAINER
2
27
WASHER
1
28
RETAINING RING
1
29
SCREW
1
30
BRACKET
1
31
SCREW
1
32
WASHER
1
33
SCREW
1
34
LATCH HNDL
1
35
LATCH
1
36
WASHER
1
37
CLAMP
1
38
SCREW
3
40
CLAMP
2
41
CLAMP 'J' 20EC - 20ELC - 25EC - 25ELC
1
42
SCREW
1
43
Детать
1
44
SNAP CLMP tahos_19 25PK (025 per pack)
1
45
Детать
1
46
Детать
1
47
WASHER
1
48
MOUNTRUBBER
1
49
SCREW
5
50
WASHERLOCK
5
51
SCREW
2
52
NUT
2
53
SCREW THESE PART No. ARE FOR STANDARD LENGTH MODELS ONLY. FOR LONG SHAFT MODELS SEE GEARCASE.
2
55
SCREW MOT CVR
2
57
NUT
2
58
LOWER MTR CVR
2
60
INTERLOCK ARM AY
1
61
BLOCK
1
62
SCREW
1
63
RETAINER
1
64
SHIFT LVR&SHAFT AY
1
65
BEARING
2
66
CLEVIS
1
67
LINK & BSHG
1
68
WASHER
2
69
PIN
1
70
Детать
1
71
REVERSE LOCK LEVER
1
72
SCREW
1
73
WASHER
1
74
SCREW
1
75
WASHER
2
76
COTTER PIN 10PK (010 per pack)
2
77
Детать
1
78
Детать
1
79
PLATE
1
80
SCREW
3
81
SHIFT ROD
1
82
GUIDE
1
83
SEAL
1
84
Детать
2
86
RING
1
87
SEAL-EXH HSG
1
88
CLAMP
1
89
RETAINER
1
90
SCREW
1
91
NUT
1
92
RUBBER MOUNT
2
93
RUBBER MOUNT
1
94
SPRING
1
95
SCREW
1
96
Детать
1
97
NIPPLE
1
98
PIN
1
99
FITTING LUBE
1