Оригинальные каталоги
Масла и жидкости
Масла моторные
Масла трансмиссионные
Жидкости гидравлические
Жидкости охлаждающие
Жидкости тормозные
Масла гидравлические
Масла для вилок и амортизаторов
Масла компрессорные
Жидкости для стекол
Масла для цепей бензопил
Масла индустриальные
Масла промывочные
Раствор мочевины AdBlue
Автоэлектроника
Видеорегистраторы
Пылесосы автомобильные
FM трансмиттеры
Зарядные устройства
Разветвители, удлинители прикуривателя
Кабели
Вентиляторы автомобильные
Штекер прикуривателя
Датчик парктроника
Камеры заднего вида
Мониторы парковочные
Парктроники
Термометры
Накидки на сиденье с подогревом
Автохолодильники
Антирадары
Диагностический сканер
Аксессуары
Набор автомобилиста
Ароматизаторы
Тросы буксировочные
Канистры
Ремни крепления груза
Стяжки-резинки крепления
Сетки для крепления груза
Скотч
Влажные салфетки
Держатели телефонов, планшетов
Карты памяти
Наушники
Аккумулятор холода
Термосумки и контейнеры
Фонарики
Батарейки
Оплетки на руль
Огнетушители
Салфетки, полотенца, варежки
Инструмент
Домкраты
Компрессоры
Манометры
Насосы
Светильники переносные
Шарнирно-губцевый инструмент
Ударный инструмент
Метчики. Плашки
Заклёпочники
Заклёпки
Измерительный инструмент
Свёрла
Отвёртки
Изолента
Надфили. Напильники
Ножи, ножовки
Щётки
Абразивная бумага
Специнструмент
Ключи
Хомуты
Дрель-шуруповерт
Автохимия
Присадки
Промывки
Очистители
Смазки спрей
Смазки пластичные
Герметики
Средство для рук
Клей
Лакокрасочные материалы
Автошампуни
Полироли
Антифриз для тормозной системы
Масло для пропитки фильтров
Антикоррозионные составы
Прочее
Электрооборудование
Зарядные устройства
Инверторы
Конвертеры
Звуковые сигналы
Провода прикуривания
Предохранители
Противотуманные фары
Дневные ходовые огни
Электрика фаркопа
Шины и диски
Автошины
Грузовые шины
Мотошины
Камеры
Мотокамеры
Лента обода шины
Колпаки
Диски
Одежда и экипировка
Жилеты
Запчасти
Аккумуляторы
Лампы
Щетки стеклоочистителя
Гофры глушителя
Велотовары
Велосипеды
Самокаты
Велокамеры
Искать по VIN или номеру детали
Поиск по штрих-коду
Искать по VIN-номеру
Войти
Авторизация
Логин
Пароль
Напомнить пароль
Запомнить
Войти
Зарегистрироваться
Авторизоваться другим способом
Востановить пароль
Введите ваш email:
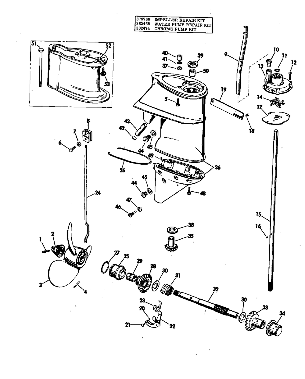
GEARCASE GROUP
Корзина пуста
Johnson
20R70E
20R70E
GEARCASE GROUP
№
Наименование
Примечание
Кол-во
1
COTTER PIN 10 PK (010 per pack)
1
2
PROP NUT
1
3
Детать
1
3
PROP AL. 9X10
1
3
PROPAL 9X9 PIN DR
1
4
DRIVE PIN (010 per pack)
1
5
SCREW
4
6
SCREW (005 per pack)
2
7
LOCKWASHER
2
8
CONNECTORSHFT ROD
1
8
CONNECTORSHFT ROD 20 INCH (508mm) LONG PARTS
1
9
Детать
1
9
Детать
1
10
GROMMET (005 per pack)
2
11
O RING 5 PK Contents of Water Pump Repair Kit (005 per pack)
1
12
SCREW
3
13
HOUSINGIMPELLER
1
14
IMPELLER (375638)
1
15
Детать
1
15
Детать
1
16
PIN
1
17
IMP PLATE
1
18
SCREW (004 per pack)
2
19
COVER
1
20
COTTER PIN
1
21
PIN
1
22
LEVER & PIN A
1
23
CRADLE
1
24
SHIFT RODLOW-STD Optional
1
24
SHIFT RODLOW-LONG 20 INCH (508mm) LONG PARTS
1
25
G CASE HD AY
1
27
O RING
1
28
GEAR
1
29
BUSHING
1
30
WASHER
2
31
CLUTCH DOG
1
32
Детать
1
33
GEAR&BRG KIT
1
34
BRG&INSTR SHT
1
35
GEAR PINION/12:21
1
36
Детать
1
37
GASKET
1
38
WASHER Rope Start Models Only
1
39
SEAL
1
40
BUSHING J 2PK (002 per pack)
1
41
O RING Contents of Gearcase Seal Kit (005 per pack)
1
42
PLUG
1
43
SCREEN
1
44
DRAIN FILL PLG 10P (010 per pack)
2
45
WASHER-10 PK (010 per pack)
2
46
PIVOT PIN & WASHER
1
47
SEAL SCREW (010 per pack)
1
48
SCREW (005 per pack)
6
49
DOWEL (Contents of Water Pump Repair Kit. RL RVL EL EVL Models.)
2
50
BRG AYUPPR D/S
1
51
Детать
1
52
EXTENSIN - GCASE
1
0301967
O RING
1
0302035
O RING
1
0304801
Not shown
1
0313524
SPACER Not shown
1
0383758
Not Shown
1
0383845
Not shown
1