Оригинальные каталоги
Масла и жидкости
Масла моторные
Масла трансмиссионные
Жидкости гидравлические
Жидкости охлаждающие
Жидкости тормозные
Масла гидравлические
Масла для вилок и амортизаторов
Масла компрессорные
Жидкости для стекол
Масла для цепей бензопил
Масла индустриальные
Масла промывочные
Раствор мочевины AdBlue
Автоэлектроника
Видеорегистраторы
Пылесосы автомобильные
FM трансмиттеры
Зарядные устройства
Разветвители, удлинители прикуривателя
Кабели
Вентиляторы автомобильные
Штекер прикуривателя
Датчик парктроника
Камеры заднего вида
Мониторы парковочные
Парктроники
Термометры
Накидки на сиденье с подогревом
Автохолодильники
Антирадары
Диагностический сканер
Аксессуары
Набор автомобилиста
Ароматизаторы
Тросы буксировочные
Канистры
Ремни крепления груза
Стяжки-резинки крепления
Сетки для крепления груза
Скотч
Влажные салфетки
Держатели телефонов, планшетов
Карты памяти
Наушники
Аккумулятор холода
Термосумки и контейнеры
Фонарики
Батарейки
Оплетки на руль
Огнетушители
Салфетки, полотенца, варежки
Инструмент
Домкраты
Компрессоры
Манометры
Насосы
Светильники переносные
Шарнирно-губцевый инструмент
Ударный инструмент
Метчики. Плашки
Заклёпочники
Заклёпки
Измерительный инструмент
Свёрла
Отвёртки
Изолента
Надфили. Напильники
Ножи, ножовки
Щётки
Абразивная бумага
Специнструмент
Ключи
Хомуты
Дрель-шуруповерт
Автохимия
Присадки
Промывки
Очистители
Смазки спрей
Смазки пластичные
Герметики
Средство для рук
Клей
Лакокрасочные материалы
Автошампуни
Полироли
Антифриз для тормозной системы
Масло для пропитки фильтров
Антикоррозионные составы
Прочее
Электрооборудование
Зарядные устройства
Инверторы
Конвертеры
Звуковые сигналы
Провода прикуривания
Предохранители
Противотуманные фары
Дневные ходовые огни
Электрика фаркопа
Шины и диски
Автошины
Грузовые шины
Мотошины
Камеры
Мотокамеры
Лента обода шины
Колпаки
Диски
Одежда и экипировка
Жилеты
Запчасти
Аккумуляторы
Лампы
Щетки стеклоочистителя
Гофры глушителя
Велотовары
Велосипеды
Самокаты
Велокамеры
Искать по VIN или номеру детали
Поиск по штрих-коду
Искать по VIN-номеру
Войти
Авторизация
Логин
Пароль
Напомнить пароль
Запомнить
Войти
Зарегистрироваться
Авторизоваться другим способом
Востановить пароль
Введите ваш email:
POWERHEAD GROUP
Корзина пуста
Johnson
20RL69D
20RL69D
POWERHEAD GROUP
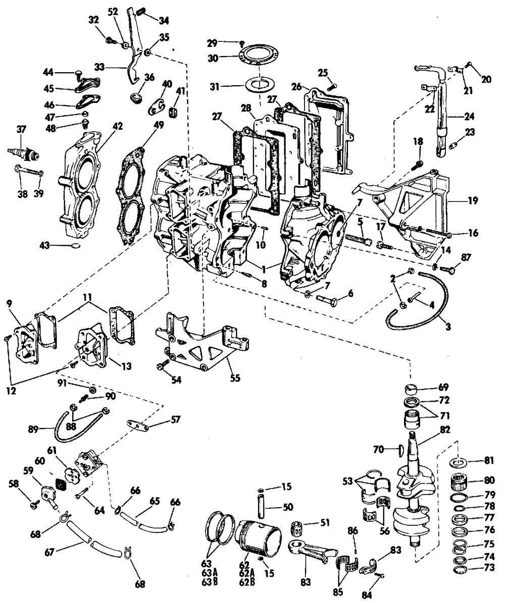
№
Наименование
Примечание
Кол-во
1
Детать
1
1
Large Primer Bulb 5-1/2" Long
1
2
CLAMP
2
3
HOSEOIL RETURN
1
4
NIPPLE
1
5
SCREW
2
6
SCREW
4
7
WASHER
6
8
PIN
2
9
BY-PASS COVER
1
10
DOWEL
3
11
GSKT COVER
2
12
HEX CAP SCREW
0
13
Детать
1
15
CIRCLIP 5PK
4
16
SCREW
1
17
SCREW
1
19
Детать
1
20
SCREW
2
21
CLAMP
1
22
CLAMP
1
23
PIN
1
24
LEV CONT PIN
1
25
SCREW EXH CVR
13
27
GASKET
2
28
Детать
1
29
SCREW
3
30
SUPPORT
1
31
RING
1
32
SCREW
1
33
Детать
1
34
SPRING
1
35
WASHER
1
36
Детать
1
37
SP PLG J4C 8PK We recommend Champion Auto-Liter or A.C. Spark Plugs (008 per pack)
2
37
Детать
2
38
SCREW CYL HD
10
39
WASHER
9
40
ANCHOR
1
41
GROMMET
1
42
Детать
1
43
PLUG 5PK
1
44
SCREW
3
45
COVER THERMOSTAT
1
46
GASKET
1
47
SEAL 4 PK (004 per pack)
1
48
THERMOSTAT AY Early Production
1
49
CYL HD GASKET
1
50
WRIST PIN
2
51
NEEDLE BEARING
2
52
BUSHING
1
53
SLEEVE
1
54
SCREW
3
55
Детать
1
56
RETNR NDLS&ENVLP
1
57
GASKET 5 PK (Also Available in Fuel Pump Repair Kit.) (005 per pack)
1
58
SCREW
1
59
CAP (005 per pack)
1
60
SCREEN
1
61
GASKET 5PK (005 per pack)
1
62
PSTN&RING AY
2
62A
Детать
2
62B
PISTON.040 OS
2
63
Used on Models without pressure back piston rings.
1
63A
RING SET 020
1
63B
.040 RINGS
1
64
SCREW
2
65
HOSE 20" LONG
1
66
Детать
2
67
HOSE 36" LONG
1
68
CLAMP
2
69
Детать
1
70
KEY
1
71
ROLLER BRG
1
72
SEAL OIL
1
73
RETAINING RIN
1
75
SPRINGLOWER SEAL
1
76
RETAINING WASHER
1
77
SEAL
1
78
O RING
1
79
O RING
2
80
ROLLER BRG
1
81
WASHER
1
82
Детать
1
83
CONN ROD AY
2
84
SCREW
2
85
RETAINR AY-NO NDLE
1
86
NDLE & ENVLPE
1
90
Детать
1
91
WASHERFIBER
1
0382875
FUEL PUMP&SCREW AY
1
0384215
PWRHD GSKT ST Not Shown
1