| № | Наименование | Примечание | Кол-во |
|---|---|---|---|
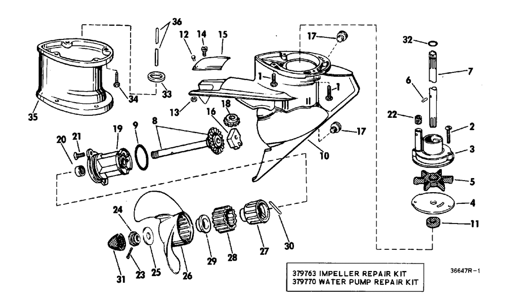
| 1 | SCREW | 4 | |
| 2 | SCREW | 2 | |
| 3 | WTR PMP HSG 4HP | 1 | |
| 4 | PLATE | 1 | |
| 5 | IMPELLER & KEY | 1 | |
| 6 | IMP PIN | 1 | |
| 7 | DRSHFT LONG | 1 | |
| 7 | Детать | 1 | |
| 7 | DRIVE SHAFT With folding lower unit. | 1 | |
| 7 | DRIVE SHAFT With folding lower unit. | 1 | |
| 8 | SHAFT | 1 | |
| 9 | O RING Included in Powerhead Gasket & Seal Kit | 1 | |
| 10 | Детать | 1 | |
| 11 | OIL SEAL | 1 | |
| 11 | SEAL | 1 | |
| 12 | RIVET | 1 | |
| 13 | WASHER | 1 | |
| 14 | SCREW | 1 | |
| 15 | Детать | 1 | |
| 16 | BEARINGTHRUST | 1 | |
| 17 | DRAIN FILL PLG 10P (010 per pack) | 2 | |
| 18 | GEAR | 1 | |
| 19 | Детать | 1 | |
| 21 | SCREW | 2 | |
| 22 | GROMMET | 1 | |
| 23 | COTTER PIN | 1 | |
| 24 | NUT PROPELLER | 1 | |
| 25 | Детать | 1 | |
| 26 | Детать | 1 | |
| 27 | CLUTCH HUB | 1 | |
| 28 | PROP CLTCH RG | 1 | |
| 29 | BUSHING | 1 | |
| 30 | DRIVE PIN 5PK (005 per pack) | 1 | |
| 31 | Детать | 1 | |
| 32 | O-RING (005 per pack) | 1 | |
| 33 | RINGPILOT | 1 | |
| 34 | SCREW-PIVOT CAP | 4 | |
| 35 | EXTENSIONGEARCASE | 1 | |
| 36 | With folding lower unit. | 1 | |
| 36 | With rigid lower unit. | 1 | |
| 0278771 | With folding lower unit. Not Shown | 1 | |
| 0310257 | GASKET Not Shown | 1 | |
| 0311598 | WASHER-10 PK (010 per pack) | 1 | |
| 0381869 | 5 IN EXT KIT With rigid lower unit. | 1 | |
| 0382789 | Not Shown | 1 |
