| № | Наименование | Примечание | Кол-во |
|---|---|---|---|
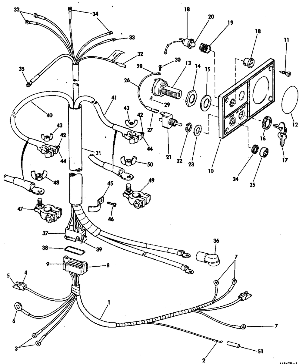
| 1 | HARNESS | 1 | |
| 2 | TERMINAL | 1 | |
| 3 | TERM. 40977 | 2 | |
| 4 | WING NUT USED ON EARLY PRODUCTION ONLY | 2 | |
| 4 | CONN1 HOLE RCPT | 2 | |
| 5 | Детать | 2 | |
| 6 | RING TERMINAL 0.312 in. (7.9mm) diameter | 1 | |
| 7 | RING TERMINAL | 3 | |
| 8 | CONNECTOR | 1 | |
| 10 | Детать | 1 | |
| 11 | SCREW | 4 | |
| 12 | Детать | 1 | |
| 13 | IGNITN SWITCH KIT | 1 | |
| 14 | NUT | 1 | |
| 15 | WASHER | 1 | |
| 16 | FACE NUT | 1 | |
| 18 | INDICATE LIGHT AY | 1 | |
| 19 | SPRING | 1 | |
| 20 | BULB | 1 | |
| 21 | SWITCH AY | 1 | |
| 22 | NUT CHOK SWCH 40TTL Models Only | 1 | |
| 23 | WASHER | 1 | |
| 24 | NUT | 1 | |
| 25 | BOOT | 1 | |
| 26 | Детать | 1 | |
| 27 | TERM.-3000H-19A | 1 | |
| 29 | SCREW | 1 | |
| 30 | SCREWSLOTTED | 4 | |
| 33 | TERM. 40724 (005 per pack) | 3 | |
| 35 | TERM.-41124 | 1 | |
| 36 | CVRBATTERY CABLE | 1 | |
| 37 | Детать | 1 | |
| 38 | GROMMET | 1 | |
| 40 | Детать | 1 | |
| 41 | Детать | 1 | |
| 42 | STUD USED ON EARLY PRODUCTION ONLY | 2 | |
| 44 | NUT USED ON EARLY PRODUCTION ONLY | 2 | |
| 45 | CLAMP GAS LIN | 4 | |
| 46 | SCREW | 4 | |
| 47 | BATY TERM KIT | 1 | |
| 48 | NUT USED ON LATE PRODUCTION ONLY | 1 | |
| 49 | BATY TERM KIT | 1 | |
| 50 | NUT USED ON LATE PRODUCTION ONLY | 1 | |
| 51 | Детать | 1 |
