Оригинальные каталоги
Масла и жидкости
Масла моторные
Масла трансмиссионные
Жидкости гидравлические
Жидкости охлаждающие
Жидкости тормозные
Масла гидравлические
Масла для вилок и амортизаторов
Масла компрессорные
Жидкости для стекол
Масла для цепей бензопил
Масла индустриальные
Масла промывочные
Раствор мочевины AdBlue
Автоэлектроника
Видеорегистраторы
Пылесосы автомобильные
FM трансмиттеры
Зарядные устройства
Разветвители, удлинители прикуривателя
Кабели
Вентиляторы автомобильные
Штекер прикуривателя
Датчик парктроника
Камеры заднего вида
Мониторы парковочные
Парктроники
Термометры
Накидки на сиденье с подогревом
Автохолодильники
Антирадары
Диагностический сканер
Аксессуары
Набор автомобилиста
Ароматизаторы
Тросы буксировочные
Канистры
Ремни крепления груза
Стяжки-резинки крепления
Сетки для крепления груза
Скотч
Влажные салфетки
Держатели телефонов, планшетов
Карты памяти
Наушники
Аккумулятор холода
Термосумки и контейнеры
Фонарики
Батарейки
Оплетки на руль
Огнетушители
Салфетки, полотенца, варежки
Инструмент
Домкраты
Компрессоры
Манометры
Насосы
Светильники переносные
Шарнирно-губцевый инструмент
Ударный инструмент
Метчики. Плашки
Заклёпочники
Заклёпки
Измерительный инструмент
Свёрла
Отвёртки
Изолента
Надфили. Напильники
Ножи, ножовки
Щётки
Абразивная бумага
Специнструмент
Ключи
Хомуты
Дрель-шуруповерт
Автохимия
Присадки
Промывки
Очистители
Смазки спрей
Смазки пластичные
Герметики
Средство для рук
Клей
Лакокрасочные материалы
Автошампуни
Полироли
Антифриз для тормозной системы
Масло для пропитки фильтров
Антикоррозионные составы
Прочее
Электрооборудование
Зарядные устройства
Инверторы
Конвертеры
Звуковые сигналы
Провода прикуривания
Предохранители
Противотуманные фары
Дневные ходовые огни
Электрика фаркопа
Шины и диски
Автошины
Грузовые шины
Мотошины
Камеры
Мотокамеры
Лента обода шины
Колпаки
Диски
Одежда и экипировка
Жилеты
Запчасти
Аккумуляторы
Лампы
Щетки стеклоочистителя
Гофры глушителя
Велотовары
Велосипеды
Самокаты
Велокамеры
Искать по VIN или номеру детали
Поиск по штрих-коду
Искать по VIN-номеру
Войти
Авторизация
Логин
Пароль
Напомнить пароль
Запомнить
Войти
Зарегистрироваться
Авторизоваться другим способом
Востановить пароль
Введите ваш email:
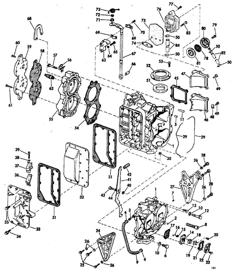
POWER HEAD GROUP MANUAL START
Корзина пуста
Johnson
RX-16M
RX-16M
POWER HEAD GROUP MANUAL START
№
Наименование
Примечание
Кол-во
1
Детать
1
2
PLUG
1
3
NIPPLE
1
4
CLAMP
2
5
DOWEL
3
6
Детать
2
7
PLUG
3
8
SCREW
2
9
HOSEOIL RETURN
1
10
WASHER
4
11
PIN
2
12
SCREW
2
13
SCREW
8
14
LEAF PLT&SCREEN AY 40 HP "B" MODELS ONLY
1
15
DRAIN VALVE SCREEN 40 HP "B" MODELS ONLY
2
16
SPRING 40 HP "B" MODELS ONLY
2
17
40 HP "B" MODELS ONLY
1
18
LEAF VALVE 40 HP "B" MODELS ONLY
1
19
PLATE 40 HP "B" MODELS ONLY
1
20
SCREW
2
21
GASKET 40 HP "B" MODELS ONLY
1
22
COVER 40 HP "B" MODELS ONLY
1
23
SCREW
2
24
BRACKET
1
25
SCREW
3
26
LOCKWASHER
6
27
Детать
1
28
SCREW
3
30
Детать
2
31
GASKET
2
32
COVER
1
33
Детать
1
34
SCREW
16
35
SCREW
1
36
BRACKET
1
37
SAFETY SWITCH AY
1
38
WASHER 25 TE Models Electric Start 35 Models
2
39
SCREW
2
40
WASHER
1
42
SPRING
1
43
SCREW
1
44
BUSHING
1
45
GASKET
2
46
COVER
1
47
COVERBY-PASS-UPR 40 HP "B" MODELS ONLY
1
48
CLAMP 'J'
1
49
HEX CAP SCREW
12
50
CLAMP
4
51
RING
1
52
SUPPORT
1
53
SCREW
4
54
Детать
1
55
Детать
1
56
BRACKET
1
57
SCREW
10
58
GASKET
1
59
CYL HEAD COVER
1
61
SCREW
9
62
Детать
2
62
SP PLG J4C 8PK Optional spark plug for special applications Champion UJ81J OMC Part tahos_388150 (008 per pack)
2
62
SP PLG J4C 8PK We recommend Champion Auto-Liter or A.C. Spark Plugs (008 per pack)
2
63
BRACKET
1
64
LOCKWASHER
2
65
SCREW
2
66
PIN
1
67
LEVER&PIN AYCONT
1
68
BRACKET
1
69
CLAMP
2
70
SCREW
2
71
SLEEVE
1
72
SHIM
1
73
SPRING
1
74
GASKET 5 PK (Also Available in Fuel Pump Repair Kit.) (005 per pack)
1
75
Детать
1
76
PUMP AYFUEL
1
77
SCREW
4
78
SCREEN
1
79
SCREW
1
80
KIT AYCAP-F PUMP
1
81
GASKET 5PK (005 per pack)
1
82
HOSE 36" LONG
1
83
SCREWSLOT-PAN HD (005 per pack)
2
84
HOSE 36" LONG
1
0306482
WASHER
3
0308354
STUD
3
0308355
NUT
3
0379945
GASKET SET Not Shown
1