Оригинальные каталоги
Масла и жидкости
Масла моторные
Масла трансмиссионные
Жидкости гидравлические
Жидкости охлаждающие
Жидкости тормозные
Масла гидравлические
Масла для вилок и амортизаторов
Масла компрессорные
Жидкости для стекол
Масла для цепей бензопил
Масла индустриальные
Масла промывочные
Раствор мочевины AdBlue
Автоэлектроника
Видеорегистраторы
Пылесосы автомобильные
FM трансмиттеры
Зарядные устройства
Разветвители, удлинители прикуривателя
Кабели
Вентиляторы автомобильные
Штекер прикуривателя
Датчик парктроника
Камеры заднего вида
Мониторы парковочные
Парктроники
Термометры
Накидки на сиденье с подогревом
Автохолодильники
Антирадары
Диагностический сканер
Аксессуары
Набор автомобилиста
Ароматизаторы
Тросы буксировочные
Канистры
Ремни крепления груза
Стяжки-резинки крепления
Сетки для крепления груза
Скотч
Влажные салфетки
Держатели телефонов, планшетов
Карты памяти
Наушники
Аккумулятор холода
Термосумки и контейнеры
Фонарики
Батарейки
Оплетки на руль
Огнетушители
Салфетки, полотенца, варежки
Инструмент
Домкраты
Компрессоры
Манометры
Насосы
Светильники переносные
Шарнирно-губцевый инструмент
Ударный инструмент
Метчики. Плашки
Заклёпочники
Заклёпки
Измерительный инструмент
Свёрла
Отвёртки
Изолента
Надфили. Напильники
Ножи, ножовки
Щётки
Абразивная бумага
Специнструмент
Ключи
Хомуты
Дрель-шуруповерт
Автохимия
Присадки
Промывки
Очистители
Смазки спрей
Смазки пластичные
Герметики
Средство для рук
Клей
Лакокрасочные материалы
Автошампуни
Полироли
Антифриз для тормозной системы
Масло для пропитки фильтров
Антикоррозионные составы
Прочее
Электрооборудование
Зарядные устройства
Инверторы
Конвертеры
Звуковые сигналы
Провода прикуривания
Предохранители
Противотуманные фары
Дневные ходовые огни
Электрика фаркопа
Шины и диски
Автошины
Грузовые шины
Мотошины
Камеры
Мотокамеры
Лента обода шины
Колпаки
Диски
Одежда и экипировка
Жилеты
Запчасти
Аккумуляторы
Лампы
Щетки стеклоочистителя
Гофры глушителя
Велотовары
Велосипеды
Самокаты
Велокамеры
Искать по VIN или номеру детали
Поиск по штрих-коду
Искать по VIN-номеру
Войти
Авторизация
Логин
Пароль
Напомнить пароль
Запомнить
Войти
Зарегистрироваться
Авторизоваться другим способом
Востановить пароль
Введите ваш email:
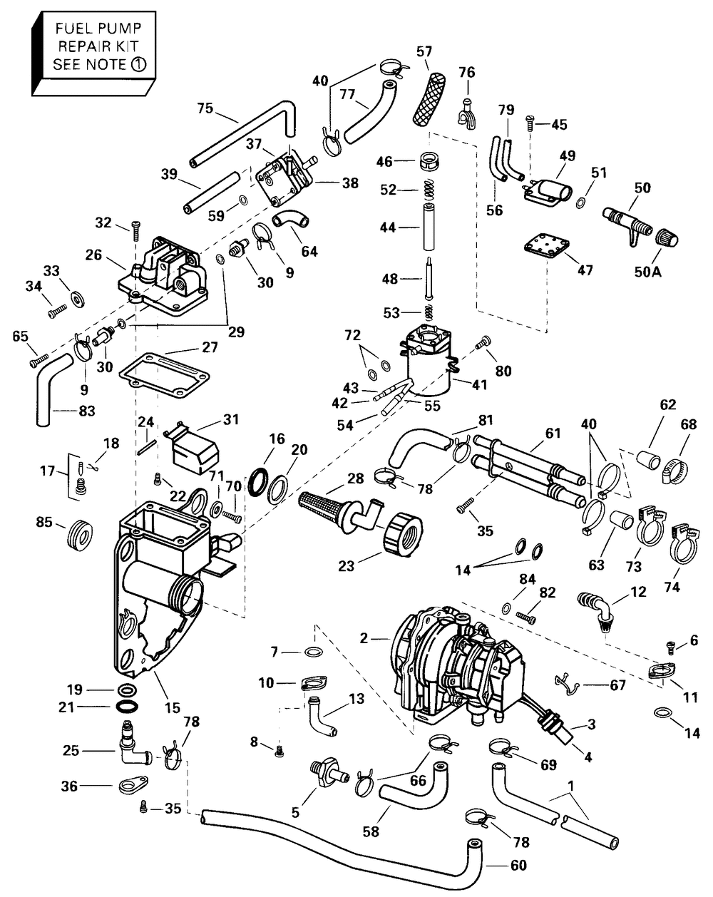
FUEL BRACKET AND COMPONENTS
Корзина пуста
Johnson
BJ115PLSSB Elec. Start, TNT, 20 IN. shaft, N/A USA
BJ115PLSSB Elec. Start, TNT, 20 IN. shaft, N/A USA
FUEL BRACKET AND COMPONENTS
№
Наименование
Примечание
Кол-во
(Not Shown.)
1
1
See Accessories Part Catalog for repair kit P/N
1
2
KIT AYF PUMP&LMTR (See Accessories Parts Catalog for Repair Kit Part Numbers.)
1
3
CONNECTOR
1
4
TERMSCKT (010 per pack)
4
5
PULSE LMTR-W/THRDS
1
6
SCREW
2
7
O-RING
1
8
SCREW
2
9
CLAMP Spring
2
10
RETAINER
1
11
RETAINER
1
12
ELBOW FUEL OUTLET
1
13
FITTING90DEG ELBW
1
14
O-RING
3
15
BRACKETFUEL
1
16
SEAL-FUEL FILTER
1
17
FLOAT VLV/SEAT (005 per pack)
1
18
CLIPSPRING (Also Available in Carburetor Repair Kit.)
1
19
O-RING
1
20
GASKETFUEL FILTR
1
22
SCREW
1
23
NUTFUEL FILTER
1
24
PINHINGE
1
25
NIPPLEVAPOR SEPAR
1
26
COVER VST 60DEG
1
27
SEAL
1
28
FUEL FLTR 65MIC
1
29
O-RINGSCREW PLUG
2
30
NIPPLE
2
31
FLOAT & ARM AY
1
32
SCREW
4
33
WASHERFIBER
1
34
SCREW
1
35
SCREW
2
36
RETAINER
1
37
PUMP AYVAPOR
1
38
DIAPHRAPM-MAIN
1
40
TIE STRAP 100PK (100 per pack)
0
41
SOLENOID AYPRIMER
1
42
TERM. 521616-ADZ (010 per pack)
1
43
SLEEVEBULLET TERM
1
44
PLUNGER
1
45
SCREW
4
46
FILTER
1
47
GASKET PRIMER SOL
1
48
VALVE
1
49
COVER PRIMER SOL
1
50
VALVE 6PK (006 per pack)
1
50A
CAPVALVE
1
52
SPRING VALVE
1
53
SPRINGPRIMER SOL
1
54
TERMINAL (005 per pack)
1
55
SLEEVESOCKET BLUE
1
57
SLEEVEBRAIDED-5" 5/8 x 5 in. (15.87 x 127 mm)
1
58
HOSE
1
59
O-RING (Also Available in Fuel Pump Repair Kit.)
1
60
HOSE
1
61
(WE Models.)
1
62
PLUG PUMP HSG
1
63
PLUG
1
64
HOSE
1
65
SCREW
2
66
CLAMPWIRE-.562
2
67
RETAINER
1
68
CLAMP FUEL LINE
1
69
CLAMPWIRE-.500
2
70
SCREW
4
71
WASHER
4
72
O-RING
2
73
SNAP CLMP tahos_14 25PK (025 per pack)
1
74
SNAP CLAMP tahos_6 25PK (025 per pack)
1
76
PLUG HOLDER
1
77
Детать
1
78
CLAMPWIRE-.625
4
81
Детать
1
83
HOSE
1
84
WASHER
3
85
GROMMET
4