Оригинальные каталоги
Масла и жидкости
Масла моторные
Масла трансмиссионные
Жидкости гидравлические
Жидкости охлаждающие
Жидкости тормозные
Масла гидравлические
Масла для вилок и амортизаторов
Масла компрессорные
Жидкости для стекол
Масла для цепей бензопил
Масла индустриальные
Масла промывочные
Раствор мочевины AdBlue
Автоэлектроника
Видеорегистраторы
Пылесосы автомобильные
FM трансмиттеры
Зарядные устройства
Разветвители, удлинители прикуривателя
Кабели
Вентиляторы автомобильные
Штекер прикуривателя
Датчик парктроника
Камеры заднего вида
Мониторы парковочные
Парктроники
Термометры
Накидки на сиденье с подогревом
Автохолодильники
Антирадары
Диагностический сканер
Аксессуары
Набор автомобилиста
Ароматизаторы
Тросы буксировочные
Канистры
Ремни крепления груза
Стяжки-резинки крепления
Сетки для крепления груза
Скотч
Влажные салфетки
Держатели телефонов, планшетов
Карты памяти
Наушники
Аккумулятор холода
Термосумки и контейнеры
Фонарики
Батарейки
Оплетки на руль
Огнетушители
Салфетки, полотенца, варежки
Инструмент
Домкраты
Компрессоры
Манометры
Насосы
Светильники переносные
Шарнирно-губцевый инструмент
Ударный инструмент
Метчики. Плашки
Заклёпочники
Заклёпки
Измерительный инструмент
Свёрла
Отвёртки
Изолента
Надфили. Напильники
Ножи, ножовки
Щётки
Абразивная бумага
Специнструмент
Ключи
Хомуты
Дрель-шуруповерт
Автохимия
Присадки
Промывки
Очистители
Смазки спрей
Смазки пластичные
Герметики
Средство для рук
Клей
Лакокрасочные материалы
Автошампуни
Полироли
Антифриз для тормозной системы
Масло для пропитки фильтров
Антикоррозионные составы
Прочее
Электрооборудование
Зарядные устройства
Инверторы
Конвертеры
Звуковые сигналы
Провода прикуривания
Предохранители
Противотуманные фары
Дневные ходовые огни
Электрика фаркопа
Шины и диски
Автошины
Грузовые шины
Мотошины
Камеры
Мотокамеры
Лента обода шины
Колпаки
Диски
Одежда и экипировка
Жилеты
Запчасти
Аккумуляторы
Лампы
Щетки стеклоочистителя
Гофры глушителя
Велотовары
Велосипеды
Самокаты
Велокамеры
Искать по VIN или номеру детали
Поиск по штрих-коду
Искать по VIN-номеру
Войти
Авторизация
Логин
Пароль
Напомнить пароль
Запомнить
Войти
Зарегистрироваться
Авторизоваться другим способом
Востановить пароль
Введите ваш email:
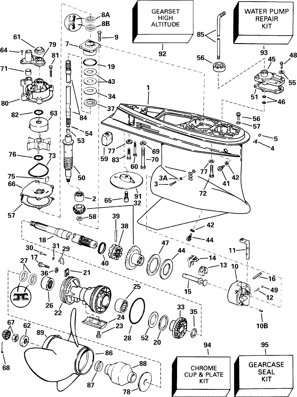
GEARCASE - STANDARD ROTATION - HG HGL MODELS
Корзина пуста
Johnson
BJ200PLSSC Elec. Start, TNT, 20 IN. shaft, N/A USA
BJ200PLSSC Elec. Start, TNT, 20 IN. shaft, N/A USA
GEARCASE - STANDARD ROTATION - HG HGL MODELS
№
Наименование
Примечание
Кол-во
1
GEARCASE & BRG AY
1
2
ROLLER BRG AY
1
3
RETAINING SCREW
1
3A
WASHER 5PK (005 per pack)
1
4
NIPPLE
1
5
NIPPLE PLUG
1
7
DS BRG HSG&SEAL AY
1
8A
OIL RETAINER Contents of GEARCASE SEAL KIT
1
8B
OIL RETAINER Contents of GEARCASE SEAL KIT
1
9
SCREW Contents of GEARCASE SEAL KIT
4
10
HSG.& BEARING AY
1
10B
PIN
1
11
DETENT
1
12
SPRING
1
13
CRADLE-SHIFT
1
14
SHIFTER-LEVER
1
15
SHAFT-SHIFTER
1
16
PIN-SHIFTER ARM
1
17
SCREW BRG CARRIER
2
18
PROPSHAFT AYSERV
1
19
O-RING (Contents of GEARCASE SEAL KIT.)
1
20
BEARING AYTHRUST
1
21
RETAINING TAB
2
22
PS BRG HSG&SEAL AY
1
23
SCREW
2
24
ANODE & INSERT AY
1
25
NEEDLE BRG
1
26
BEARING AYNEEDLE
1
27
SEAL Contents of GEARCASE SEAL KIT
2
28
O-RING Contents of GEARCASE SEAL KIT (010 per pack)
1
29
WEDGE
1
30
SCREW
1
31
WASHERSPRING
1
32
GEARSETV6 FWD&PIN
1
33
GEARREVERSE .54
1
34
THRUST WASHER
1
35
WASHERTHRUST
1
36
WASHER
2
37
THRUST BRG AY
1
38
SHIFTER-CLUTCH DOG
1
39
PIN
1
40
SPRING
1
41
DRAIN SCREW Contents of GEARCASE SEAL KIT
2
42
WASHER-10 PK (010 per pack)
1
43
SHIM-PINION-003
0
43
SHIM-PINION-004
0
43
SHIM 005
0
44
THRUST WASHER
1
45
COVER AYSHIFT ROD
1
46
O-RING (005 per pack)
2
47
THRUST BRG-FWD GR
1
48
SCREW (005 per pack)
6
49
BALL
1
50
DRIVESHAFTLOWER
1
51
GASKET (Contents of GEARCASE SEAL KIT.) (005 per pack)
1
52
THRUST WASHER
1
53
RETAINERDR SFT
1
54
PINROLL
1
55
WASHER
6
56
GROMMET EXH HSG
1
57
GASKETWTR PMP 5PK Contents of GEARCASE SEAL KIT (005 per pack)
1
58
NUT PINION
1
59
ANODE&INSERT AY
1
60
SCREW ANODE
1
61
GROMMET
1
62
SPACER PROP NUT
1
63
CUPIMP HOUSING Stainless
1
63
CUPIMP HSG-CHROME Chrome
1
64
SCREW
2
65
SCREW
1
66
PLATEWATER PUMP Stainless
1
66
PLATE WATER PUMP Chrome
1
67
NUT&KEEPER AYPROP
1
68
COTTER PIN 10 PK (010 per pack)
1
69
WASHER
1
70
SCREW
1
71
GROMMET 3.3 L models
1
72
SCREW
4
73
SEAL
1
74
KIT AYIMPELLER (Contents of Water Pump Repair Kit.)
1
75
IMP KEY-WHITE
1
76
O RING
1
77
WASHER
5
78
BUSHINGTHRUST
1
78
BUSHINGTHRUST
1
79
COVERIMPELLER HSG 3.3 L models
1
80
HOUSING AYIMPLR Contents of Water Pump Repair Kit .
1
82
O-RING (005 per pack)
1
83
SCREW
1
84
UPPER D/S KIT 20" FHL MODEL
1
85
SHIFT ROD - 20" FHL MODEL
1
87
SLEEVE
1
88
PROP HUB15 SPLINE
1
88
PROP HUB SHTR
1
88
BUSHING AYPROP
1
89
CONVERG RINGV6
1
91
COVERTRIM TAB E200 DHL HGL HSL / E225 E250 DHL DHX HGL HGX HSL
1
93
KIT AYWATER PUMP
1
94
CUP & PLATE AY Optional
1
95
KIT AYSEAL-GC
1