Оригинальные каталоги
Масла и жидкости
Масла моторные
Масла трансмиссионные
Жидкости гидравлические
Жидкости охлаждающие
Жидкости тормозные
Масла гидравлические
Масла для вилок и амортизаторов
Масла компрессорные
Жидкости для стекол
Масла для цепей бензопил
Масла индустриальные
Масла промывочные
Раствор мочевины AdBlue
Автоэлектроника
Видеорегистраторы
Пылесосы автомобильные
FM трансмиттеры
Зарядные устройства
Разветвители, удлинители прикуривателя
Кабели
Вентиляторы автомобильные
Штекер прикуривателя
Датчик парктроника
Камеры заднего вида
Мониторы парковочные
Парктроники
Термометры
Накидки на сиденье с подогревом
Автохолодильники
Антирадары
Диагностический сканер
Аксессуары
Набор автомобилиста
Ароматизаторы
Тросы буксировочные
Канистры
Ремни крепления груза
Стяжки-резинки крепления
Сетки для крепления груза
Скотч
Влажные салфетки
Держатели телефонов, планшетов
Карты памяти
Наушники
Аккумулятор холода
Термосумки и контейнеры
Фонарики
Батарейки
Оплетки на руль
Огнетушители
Салфетки, полотенца, варежки
Инструмент
Домкраты
Компрессоры
Манометры
Насосы
Светильники переносные
Шарнирно-губцевый инструмент
Ударный инструмент
Метчики. Плашки
Заклёпочники
Заклёпки
Измерительный инструмент
Свёрла
Отвёртки
Изолента
Надфили. Напильники
Ножи, ножовки
Щётки
Абразивная бумага
Специнструмент
Ключи
Хомуты
Дрель-шуруповерт
Автохимия
Присадки
Промывки
Очистители
Смазки спрей
Смазки пластичные
Герметики
Средство для рук
Клей
Лакокрасочные материалы
Автошампуни
Полироли
Антифриз для тормозной системы
Масло для пропитки фильтров
Антикоррозионные составы
Прочее
Электрооборудование
Зарядные устройства
Инверторы
Конвертеры
Звуковые сигналы
Провода прикуривания
Предохранители
Противотуманные фары
Дневные ходовые огни
Электрика фаркопа
Шины и диски
Автошины
Грузовые шины
Мотошины
Камеры
Мотокамеры
Лента обода шины
Колпаки
Диски
Одежда и экипировка
Жилеты
Запчасти
Аккумуляторы
Лампы
Щетки стеклоочистителя
Гофры глушителя
Велотовары
Велосипеды
Самокаты
Велокамеры
Искать по VIN или номеру детали
Поиск по штрих-коду
Искать по VIN-номеру
Войти
Авторизация
Логин
Пароль
Напомнить пароль
Запомнить
Войти
Зарегистрироваться
Авторизоваться другим способом
Востановить пароль
Введите ваш email:
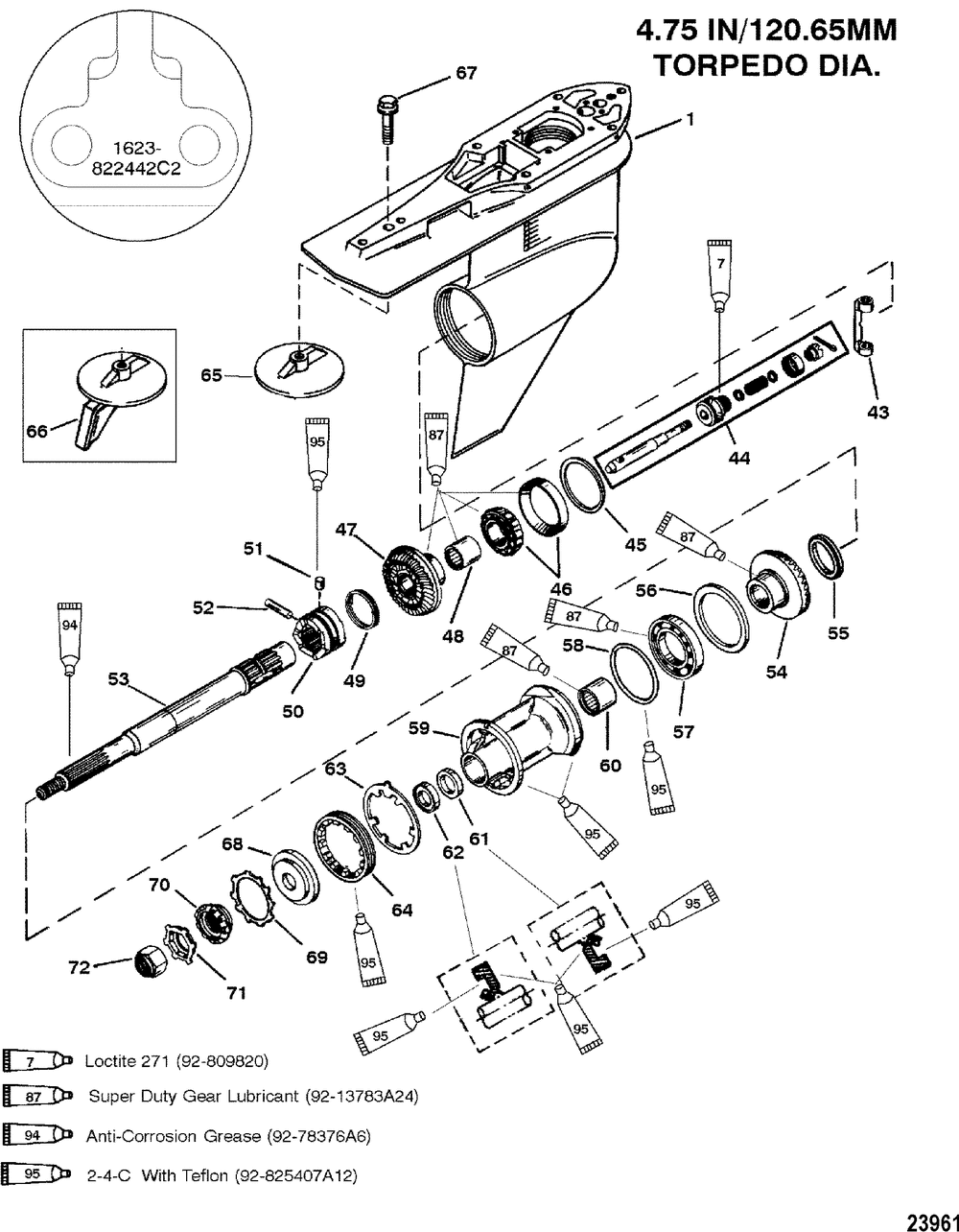
G. / HSG(PROP-STD-S / N-0G437999 & BELOW-1623-822442C2
Корзина пуста
Mariner
225 (3.0L CARB) 0D280813 THRU 0G760299
225 (3.0L CARB) 0D280813 THRU 0G760299
G. / HSG(PROP-STD-S / N-0G437999 & BELOW-1623-822442C2
№
Наименование
Примечание
Кол-во
-
SEAL KIT-G/H
1
1
REF OB PB 96-02
1
1
REF OB PB 96-02
1
43
CRANK
1
44
SPOOL/SHAFT ASSY
1
45
SHIM SET
0
46
BEARING SET (USE WITH 1623-822442C2 CASTING)
1
46
BEARING ASSY (USE WITH 1623-822442C3 CASTING)
1
47
GEAR SET (1.75:1 - 12/21)
1
47
GEAR SET-21T (NOTE: THIS COMPLETE GEAR SET IS A 1.62:1- 13/21 REPLACING A 1.64:1- 17/28)
1
48
BEARING
1
49
SPRING @2 (2 per pack)
1
50
CLUTCH
1
51
PIN-DETENT
1
52
PIN @3 (3 per pack)
1
53
PROPSHAFT
1
54
GEAR ASSY-REVERSE (1.75:1 GEAR RATIO - 12/21)
1
54
GEAR KIT-REVERSE (1.64:1 GEAR RATIO - 17/28)
1
55
SPACER-THRUST
1
56
RING-THRUST
1
57
BEARING-BALL
1
58
O RING @4 (4 per pack)
1
59
CARRIER ASSY-BRG
1
60
BEARING
1
61
SEAL
1
62
SEAL @5 (5 per pack)
1
63
WASHER-KEYED
1
64
RETAINER
1
65
ANODE KIT @2 (These replacement parts are not included with complete gear housing replacement) (2 per pack)
1
66
TRIM TAB (EDP) (Black Aluminum)(These replacement parts are not included with complete gear housing replacement)
1
66
ANODE/TRIM TAB KT (Anodic)(These replacement parts are not included with complete gear housing replacement)GEAR THESE REPLACEMENT PARTS ARE NOT INCLUDED WITH HOUSING REPLACEMENT
1
67
SCREW
1
68
THRUSTWASHER@2 (These replacement parts are not included with complete gear housing replacement) (2 per pack)
1
69
WASHER @2 (These replacement parts are not included with complete gear housing replacement) (2 per pack)
1
70
WASHER @2 (These replacement parts are not included with complete gear housing replacement) (2 per pack)
1
71
TAB WASHER @2 THESE PARTS ARE NOT INCLUDED WITH REPLACEMENT GEAR HOUSING (2 per pack)
1
72
PROP NUT KIT@2 THESE PARTS ARE NOT INCLUDED WITH REPLACEMENT GEAR HOUSING (2 per pack)
1