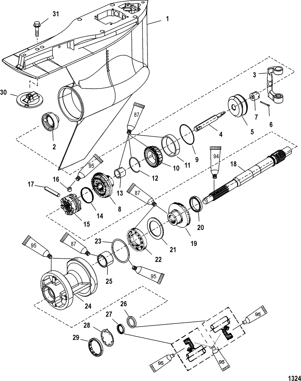
GEAR HOUSING(PROP SHAFT)(STANDARD ROTATION)

Корзина пуста