| № | Наименование | Примечание | Кол-во |
|---|---|---|---|
| - | GC COMP 3.0L LG (Standard-Long) | 1 | |
| - | GC COMP 3.0L XL (Standard-X-Long) | 1 | |
| - | GC 3.0L XXL BLK (Standard-XX-Long) | 1 | |
| - | SEAL KIT | 1 | |
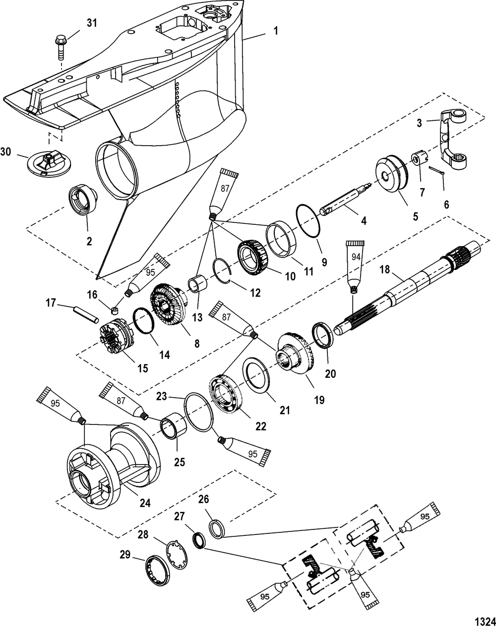
| 1 | GEAR HSG-BASIC | 1 | |
| 2 | PLUG | 1 | |
| 3 | CRANK | 1 | |
| 4 | SPOOL ASSY | 1 | |
| 6 | PIN-COTTER | 1 | |
| 8 | GEAR SET-FORWARD | 1 | |
| 9 | ORD 15-8M0063266 | 0 | |
| 10 | BEARING SET | 1 | |
| 12 | RING-RETAINING | 1 | |
| 13 | BEARING | 1 | |
| 14 | SPRING @2 (2 per pack) | 1 | |
| 15 | CLUTCH | 1 | |
| 16 | PIN-DETENT | 1 | |
| 17 | PIN @3 (3 per pack) | 1 | |
| 18 | PROPSHAFT | 1 | |
| 19 | GEAR ASSY-REVERSE | 1 | |
| 20 | SPACER-THRUST | 1 | |
| 21 | RING-THRUST | 1 | |
| 22 | BEARING-BALL | 1 | |
| 23 | O RING | 1 | |
| 24 | CARRIER ASSY-BRG | 1 | |
| 25 | BEARING | 1 | |
| 26 | SEAL | 1 | |
| 27 | SEAL @5 (5 per pack) | 1 | |
| 28 | WASHER-KEYED | 1 | |
| 29 | RETAINER | 1 | |
| 30 | ANODE KIT @2 (2 per pack) | 1 | |
| 31 | SCREW | 1 |
