| № | Наименование | Примечание | Кол-во |
|---|---|---|---|
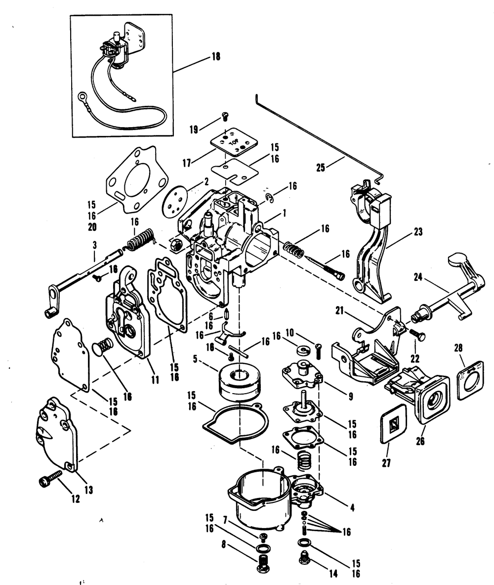
| 1 | CARBURETOR KIT | 1 | |
| 1 | CARBURETOR KIT | 1 | |
| 2 | THROTTLE VALVE | 1 | |
| 3 | SHAFT-THROTTLE | 1 | |
| 4 | BOWL-FUEL | 1 | |
| 5 | FLOAT | 1 | |
| 6 | VALVE-INLET | 1 | |
| 7 | JET-.046 (WME-32-1/32A-1) | 1 | |
| 8 | PLUG | 1 | |
| 9 | COVER | 1 | |
| 10 | SCREW ASSY | 4 | |
| 11 | ORD 1395-9702 | 1 | |
| 12 | SCREW ASSY | 5 | |
| 13 | COVER | 1 | |
| 14 | PLUG KIT | 1 | |
| 15 | GASKET/DIAP KIT | 1 | |
| 16 | REPAIR KIT-CARB | 1 | |
| 17 | COVER PLATE | 1 | |
| 18 | SOLENOID | 1 | |
| 18 | SOLENOID | 1 | |
| 19 | SCREW ASSY | 2 | |
| 20 | GASKET | 1 | |
| 21 | BRACKET | 1 | |
| 22 | SCREW @2 (2 per pack) | 2 | |
| 23 | LEVER ASSY | 1 | |
| 24 | LEVER | 1 | |
| 25 | IDLE WIRE | 1 | |
| 26 | ACTUATOR | 1 | |
| 27 | PLATE | 1 | |
| 28 | PLATE | 1 |
