| № | Наименование | Примечание | Кол-во |
|---|---|---|---|
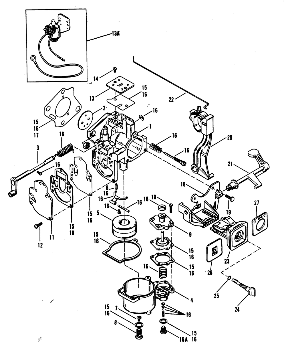
| - | GASKET SET | 0 | |
| 1 | CARBURETOR KIT | 1 | |
| 1 | CARBURETOR | 1 | |
| 1 | CARBURETOR KIT | 1 | |
| 2 | THROTTLE VALVE | 1 | |
| 2 | THOTTLE VALVE | 1 | |
| 3 | SHAFT-THROTTLE | 1 | |
| 4 | BOWL-FUEL | 1 | |
| 5 | FLOAT | 1 | |
| 6 | VALVE-INLET | 1 | |
| 7 | JET-.080 @2 (WME-52-2/3) (2 per pack) | 1 | |
| 8 | PLUG | 1 | |
| 9 | COVER | 1 | |
| 10 | SCREW ASSY | 4 | |
| 11 | FUEL PUMP KIT | 1 | |
| 12 | SCREW ASSY | 5 | |
| 13 | PLATE | 1 | |
| 13A | SOLENOID | 1 | |
| 14 | SCREW ASSY | 2 | |
| 15 | GASKET/DIAP KIT | 1 | |
| 16 | REPAIR KIT-CARB | 1 | |
| 16 | REPAIR KIT-CARB | 1 | |
| 16A | PLUG KIT | 1 | |
| 17 | GASKET | 1 | |
| 18 | BRACKET | 1 | |
| 19 | SCREW @2 (2 per pack) | 2 | |
| 20 | LEVER ASSY | 1 | |
| 21 | LEVER | 1 | |
| 22 | IDLE WIRE | 1 | |
| 23 | ACTUATOR | 1 | |
| 24 | KNOB | 1 | |
| 25 | O RING @5 (5 per pack) | 1 | |
| 26 | PLATE | 1 | |
| 27 | PLATE | 1 |
