| № | Наименование | Примечание | Кол-во |
|---|---|---|---|
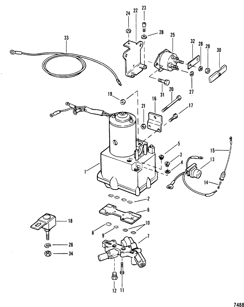
| 1 | PUMP KIT-TRIM | 1 | |
| 2 | O RING @5 (5 per pack) | 4 | |
| 3 | SCREW-DRAIN @2 (2 per pack) | 1 | |
| 4 | SEAL-BLUE @15 (15 per pack) | 1 | |
| 5 | SCREW @5 (5 per pack) | 1 | |
| 6 | PLATE | 1 | |
| 7 | VALVE ASSY | 1 | |
| 8 | O RING @3 (3 per pack) | 1 | |
| 10 | O RING @5 (5 per pack) | 2 | |
| 11 | SCREW @5 (5 per pack) | 4 | |
| 12 | PLUG | 2 | |
| 13 | HARNESS ASSY | 1 | |
| 14 | FUSE-20 AMP @5 (5 per pack) | 1 | |
| 15 | WIRE ASSY | 1 | |
| 16 | BRACKET | 2 | |
| 17 | SCREW @5 (5 per pack) | 4 | |
| 18 | FUSE ASSY-90 AMP | 1 | |
| 19 | NUT @5 (5 per pack) | 4 | |
| 20 | SCREW @5 (5 per pack) | 2 | |
| 21 | NUT | 2 | |
| 22 | BRACKET | 1 | |
| 23 | SCREW | 2 | |
| 24 | NUT | 1 | |
| 25 | SOLENOID | 2 | |
| 26 | WASHER | 1 | |
| 27 | NUT @5 (5 per pack) | 4 | |
| 28 | LOCKWASHER @5 (5 per pack) | 4 | |
| 29 | NUT | 4 | |
| 30 | INSULATOR | 1 | |
| 31 | SCREW | 4 | |
| 32 | LINK | 1 | |
| 33 | CABLE ASSY | 1 | |
| 34 | NUT @5 (5 per pack) | 1 |
