| № | Наименование | Примечание | Кол-во |
|---|---|---|---|
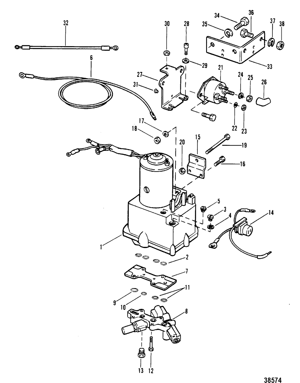
| 1 | PUMP KIT-TRIM | 1 | |
| 1 | PUMP KIT-TRIM SEE PAGE 39 FOR BREAKDOWN | 1 | |
| 2 | O RING @5 (5 per pack) | 4 | |
| 3 | SCREW-DRAIN @2 (2 per pack) | 1 | |
| 4 | SEAL-BLUE @15 (15 per pack) | 1 | |
| 5 | SCREW @5 (5 per pack) | 1 | |
| 6 | BATTERY LEAD | 1 | |
| 6 | BATTERY LEAD | 1 | |
| 7 | PLATE | 1 | |
| 8 | VALVE ASSY | 1 | |
| 9 | O RING @3 (3 per pack) | 1 | |
| 11 | O RING @5 (5 per pack) | 2 | |
| 12 | SCREW @5 (5 per pack) | 4 | |
| 13 | PLUG | 2 | |
| 14 | HARNESS ASSY | 1 | |
| 15 | BRACKET | 2 | |
| 16 | SCREW @5 (5 per pack) | 4 | |
| 17 | LOCKWASHER @5 (5 per pack) | 4 | |
| 18 | NUT @5 (5 per pack) | 4 | |
| 19 | SCREW @2 (2 per pack) | 2 | |
| 20 | NUT @2 (2 per pack) | 2 | |
| 21 | SOLENOID KIT | 2 | |
| 22 | LOCKWASHER @15 (15 per pack) | 4 | |
| 23 | NUT @5 (5 per pack) | 4 | |
| 24 | LOCKWASHER @5 (5 per pack) | 4 | |
| 25 | NUT @5 (5 per pack) | 4 | |
| 26 | BOOT | 4 | |
| 27 | BRACKET | 1 | |
| 28 | SCREW | 2 | |
| 29 | LOCKWASHER @5 (5 per pack) | 2 | |
| 30 | NUT @5 (5 per pack) | 1 | |
| 31 | BUMPER | 1 | |
| 32 | WIRE ASSY | 1 | |
| 32 | JUMPER WIRE | 1 | |
| 33 | BRACKET | 1 | |
| 34 | SCREW | 2 | |
| 36 | SCREW @5 (5 per pack) | 2 | |
| 38 | NUT @5 (5 per pack) | 4 |
