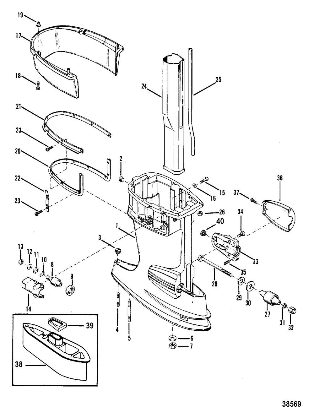
DRIVESHAFT HOUSING ASSEMBLY

Корзина пуста