| № | Наименование | Примечание | Кол-во |
|---|---|---|---|
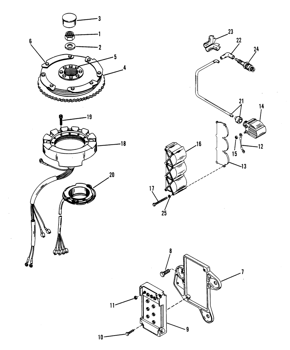
| 1 | NUT | 1 | |
| 2 | WASHER @2 (2 per pack) | 1 | |
| 3 | PLUG | 1 | |
| 4 | FLYWHEEL | 1 | |
| 5 | SCREW | 8 | |
| 6 | SCREW @5 (5 per pack) | 8 | |
| 7 | PLATE-SWITCH BOX | 1 | |
| 8 | SCREW | 3 | |
| 9 | SWITCHBOX ASSY | 1 | |
| 10 | SCREW | 2 | |
| 11 | NUT @10 (10 per pack) | 10 | |
| 12 | WIRE ASSY (GREEN) | 1 | |
| 12 | WIRE ASSY (GREEN/WHITE) | 1 | |
| 12 | WIRE ASSY (GREEN/RED) | 1 | |
| 12 | WIRE ASSY (BLACK-4") | 3 | |
| 13 | PLATE | 1 | |
| 14 | COIL KIT | 3 | |
| 16 | COVER-COIL | 1 | |
| 17 | SCREW | 6 | |
| 18 | STATOR ASSY | 1 | |
| 19 | SCREW | 4 | |
| 20 | TRIGGER ASSY | 1 | |
| 21 | CABLE ASSY-IGN | 3 | |
| 22 | BOOT KIT-BLK@10 (10 per pack) | 3 | |
| 23 | SHELL | 3 | |
| 24 | NGK BUHW @10 (10 per pack) | 3 | |
| 24 | NGK BUZHW @10 (CHAMPIONtahos_QL-76V)/CANADA AND BELGIUM (10 per pack) | 3 | |
| 25 | WASHER @3 (3 per pack) | 6 |
