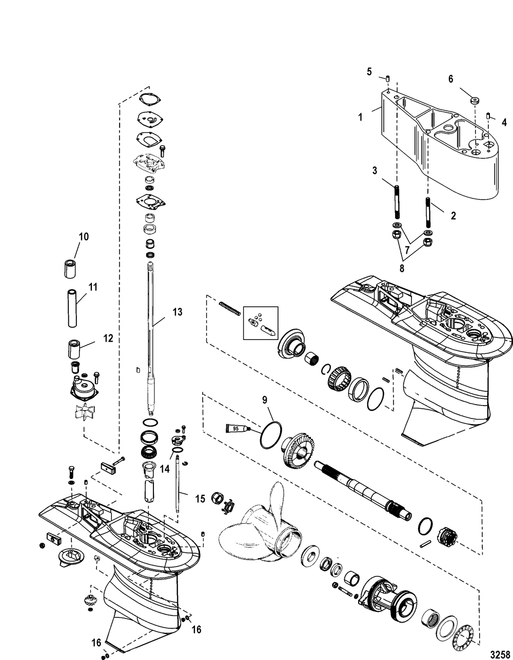
| № | Наименование | Примечание | Кол-во |
|---|---|---|---|
| - | CONV KIT-5IN-BLK | 1 | |
| 1 | SPACER KIT-XL-BLA (BLACK) X-LONG | 1 | |
| 2 | STUD (X-LONG) | 4 | |
| 3 | STUD (X-LONG) | 1 | |
| 4 | PIN - DOWEL X-LONG | 1 | |
| 5 | PIN-DOWEL-SOLID | 1 | |
| 6 | SPACER (X-LONG) | 1 | |
| 7 | WASHER | 5 | |
| 8 | NUT @2 (2 per pack) | 5 | |
| 9 | O RING | 1 | |
| 10 | SEAL (SHORT - 1-3/4) | 1 | |
| 11 | TUBE-WATER | 1 | |
| 12 | SEAL | 1 | |
| 13 | D SHAFT ASSY-XL (X-Long) | 1 | |
| 14 | O RING @5 (5 per pack) | 1 | |
| 15 | SHAFT KIT-XL (X-LONG-17 IN.) | 1 | |
| 16 | SEAL-BLUE @15 (15 per pack) | 3 |
