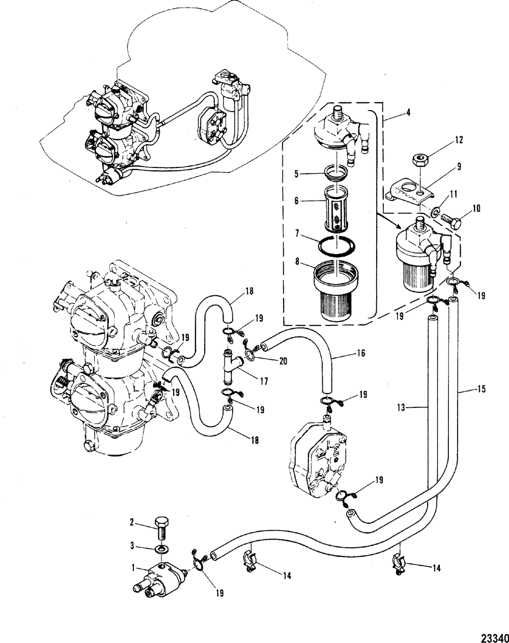
| № | Наименование | Примечание | Кол-во |
|---|---|---|---|
| - | GASKET SET REPLACEMENT PARTS | 1 | |
| 1 | CONNECTOR-FUEL | 1 | |
| 2 | BOLT SERIAL 00000000-00008215 | 1 | |
| 3 | LOCKWASHER @5 SERIAL 00000000-00008215 (5 per pack) | 1 | |
| 4 | FILTER ASSY | 1 | |
| 5 | GASKET @5 (5 per pack) | 1 | |
| 6 | FILTER | 1 | |
| 7 | O RING @5 (5 per pack) | 1 | |
| 8 | BOWL | 1 | |
| 9 | BRACKET | 1 | |
| 10 | BOLT | 1 | |
| 11 | LOCKWASHER @5 SERIAL 00000000-00008215 (5 per pack) | 1 | |
| 12 | NUT @5 (5 per pack) | 1 | |
| 13 | LINE-FUEL | 1 | |
| 14 | CLAMP | 1 | |
| 15 | LINE-FUEL | 1 | |
| 16 | HOSE | 1 | |
| 17 | FITTING SERIAL 00000000-00001540 | 1 | |
| 18 | LINE-FUEL | 2 | |
| 19 | CLIP @5 (5 per pack) | 9 | |
| 20 | CLIP @2 (2 per pack) | 1 |
