| № | Наименование | Примечание | Кол-во |
|---|---|---|---|
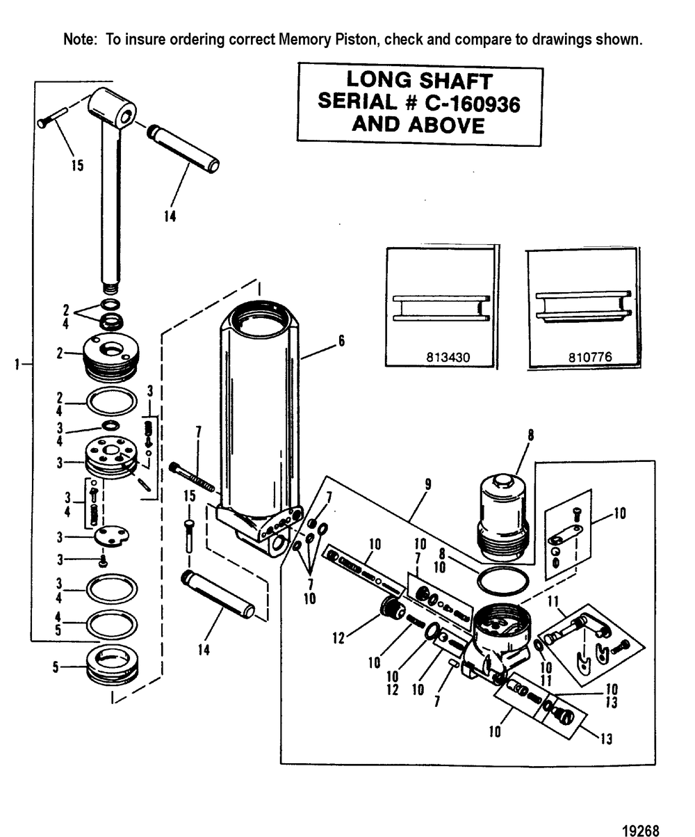
| - | TRIM ASSY-MANUAL INCLUDES ALL PARTS ON THIS PAGE | 1 | |
| 1 | REF PARTSBUL 97-1 | 1 | |
| 2 | REF PARTSBUL 97-1 | 1 | |
| 3 | SHOCK PISTON ASSY | 1 | |
| 4 | REF PARTSBUL 97-1 | 1 | |
| 5 | MEMORY PISTON KIT | 1 | |
| 5 | MEMORY PISTON | 1 | |
| 6 | REF PARTSBUL 97-1 DESIGN I SEE ILLUSTRATION | 1 | |
| 7 | SCREW/SEAL KIT DESIGN I SEE ILLUSTRATION | 1 | |
| 8 | ACCUMULATOR KIT | 1 | |
| 9 | VALVE BODY KIT | 1 | |
| 10 | REPAIR KIT | 1 | |
| 11 | CAM KIT (S/N 0G236678 & BELOW) | 1 | |
| 12 | PLUG KIT (DESIGN I/II) | 1 | |
| 13 | PLUG KIT | 1 | |
| 14 | PIN | 2 | |
| 15 | PIN-TRILOBE | 2 |
