| № | Наименование | Примечание | Кол-во |
|---|---|---|---|
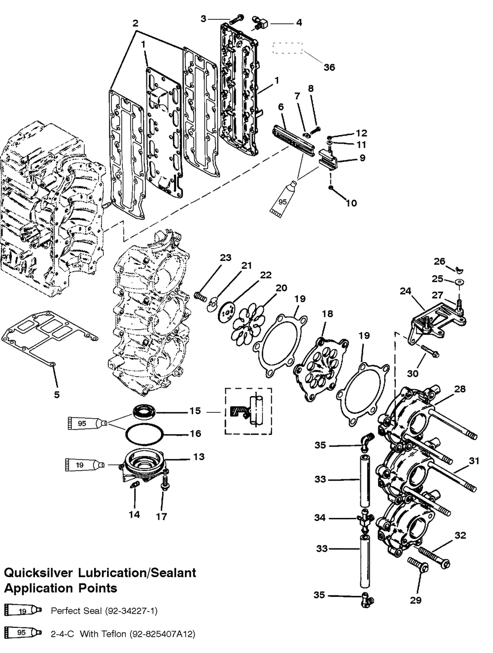
| - | GASKET SET | 1 | |
| - | PH 75/90(OIL INJ) | 1 | |
| 1 | COV/PLATE KIT-EXH | 1 | |
| 2 | GASKET | 2 | |
| 3 | SCREW | 24 | |
| 4 | ELBOW | 1 | |
| 5 | GASKET | 1 | |
| 6 | SHIFT RAIL ASSY | 1 | |
| 7 | WASHER-TAB | 2 | |
| 8 | SCREW | 2 | |
| 9 | SLIDE | 1 | |
| 10 | NUT @5 (5 per pack) | 1 | |
| 11 | WASHER | 1 | |
| 13 | END CAP ASSY | 1 | |
| 14 | VALVE-CHECK | 1 | |
| 15 | SEAL @2 (2 per pack) | 1 | |
| 16 | O RING | 1 | |
| 17 | SCREW | 3 | |
| 18 | REED BLOCK ASSY | 3 | |
| 19 | GASKET | 6 | |
| 20 | REED KIT | 3 | |
| 21 | WASHER-TAB | 3 | |
| 22 | RETAINER | 3 | |
| 23 | SCREW @3 (3 per pack) | 3 | |
| 24 | BRACKET | 1 | |
| 24 | BRACKET (NON OIL-INJECTION) | 1 | |
| 25 | WASHER @5 (5 per pack) | 2 | |
| 26 | NUT-WING | 2 | |
| 27 | STUD | 2 | |
| 28 | M FOLD-INDUCTION | 3 | |
| 30 | SCREW | 2 | |
| 31 | STUD | 4 | |
| 32 | SCREW | 2 | |
| 33 | HOSE-70 INCH | 2 | |
| 34 | CONNECTOR (ELECTRIC) | 1 | |
| 36 | REF OB SB 09-18 (1998) (SEE NOTE) | 1 |
