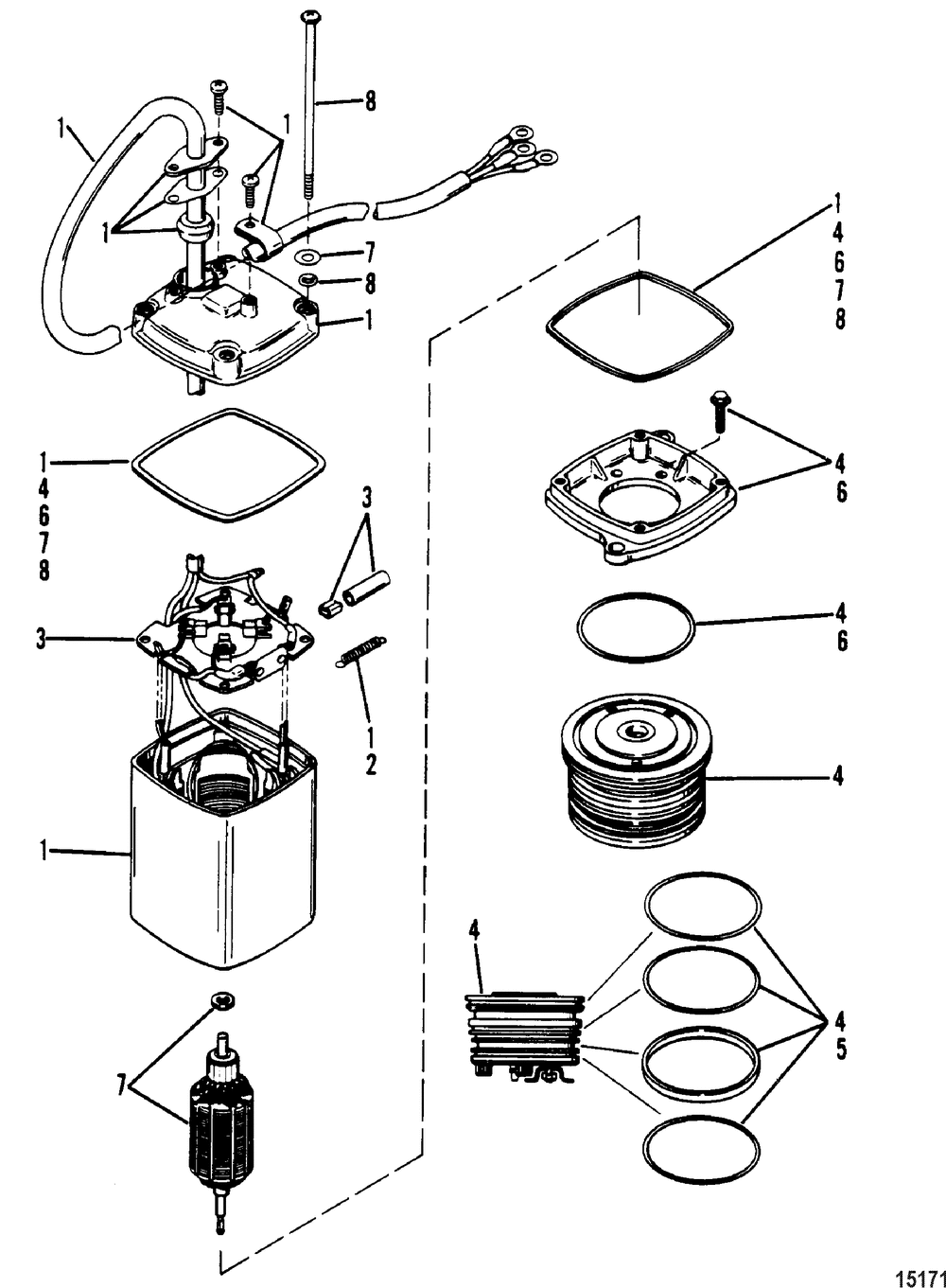
Power Trim Pump

Корзина пуста